8-kanałowy, miniaturowy moduł przekaźników

8-kanałowy, miniaturowy moduł przekaźników
Pobierz PDF Download icon

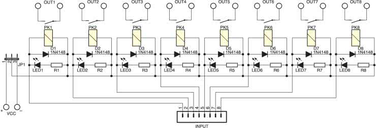
Układ nieskomplikowanego modułu wykonawczego jest przeznaczony głównie do współpracy z zestawami AVT390 (8-kanałowy przełącznik RC5/SIRC) oraz AVT924 (Programowany sterownik świateł). W module jako elementy wykonawcze zastosowano przekaźniki o dopuszczalnym prądzie obciążenia 5 A przy napięciu 230 V AC.

Schemat ideowy modułu przekaźników pokazano na rysunku 1, natomiast montażowy na rysunku 2. Jego konstrukcja umożliwia sterowanie przekaźników napięciem dodatnim lub ujemnym podawanym na złącze INPUT.

Rysunek 1. Schemat ideowy modułu przekaźników

Wyboru sposobu sterowania dokonujemy za pomocą zwory J1. Zwora umieszczona w pozycji „+” powoduje dołaczenie do przekaźników szyny dodatniej napięcia zasilania i sterowania ich napieciem ujemnym (INPUT).

Rysunek 2. Schemat montażowy modułu przekaźników

Zworka umieszczona w pozycji „–” oznacza dołączenie do przekaźników szyny ujemnej zasilania i konieczność ich sterowania napięciem dodatnim. Układ jest domyślnie sterowany napięciem ujemnym (zworka J1 w pozycji „+”). W wypadku zmiany sposobu sterowania należy odwrócić diody LED1...LED8 oraz diody D1...D8. Decyzję taką najlepiej podjać przed rozpoczęciem montażu modułu, co zaoszczędzi późniejszego kłopotliwego demontażu i montażu wymienionych elementów.

EB

Wykaz elementów:
Rezystory:
  • R1...R8: 1 kΩ (0805)
Kondensatory:
Półprzewodniki:
  • D1...D8: 1N4148
  • LED1...LED8: dioda LED
Pozostałe:
  • PK1...PK8: JZC49F/12 V
  • ZAS, OUT1...OUT8: ARK2/500
  • INPUT: gniazdo goldpin 1×8
  • J1: goldpin 1×3+zwora
Artykuł ukazał się w
Elektronika Praktyczna
styczeń 2012
DO POBRANIA
Pobierz PDF Download icon
Materiały dodatkowe
Elektronika Praktyczna Plus lipiec - grudzień 2012

Elektronika Praktyczna Plus

Monograficzne wydania specjalne

Elektronik listopad 2025

Elektronik

Magazyn elektroniki profesjonalnej

Raspberry Pi 2015

Raspberry Pi

Wykorzystaj wszystkie możliwości wyjątkowego minikomputera

Świat Radio listopad - grudzień 2025

Świat Radio

Magazyn krótkofalowców i amatorów CB

Automatyka, Podzespoły, Aplikacje listopad - grudzień 2025

Automatyka, Podzespoły, Aplikacje

Technika i rynek systemów automatyki

Elektronika Praktyczna listopad 2025

Elektronika Praktyczna

Międzynarodowy magazyn elektroników konstruktorów

Elektronika dla Wszystkich grudzień 2025

Elektronika dla Wszystkich

Interesująca elektronika dla pasjonatów