Uniwersalny moduł wykonawczy

Uniwersalny moduł wykonawczy
Pobierz PDF Download icon

Układ nieskomplikowanego modułu wykonawczego, który umożliwia przełączanie na przykład napięcia sieci energetycznej sygnałem z większości układów elektronicznych.

Schemat ideowy modułu pokazano na rysunku 1, natomiast montażowy na rysunku 2.

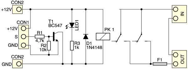
Rysunek 1. Schemat elektryczny modułu wykonawczego

Elementem wykonawczym układu jest przekaźnik sterowany tranzystorem T1. Dioda LED1 informuje o fakcie załączenia przekaźnika, natomiast o jego załączeniu decyduje dodatni sygnał pojawiający się na wejściu S złącza CON1. Przekaźnik może również być wysterowany bezpośrednio ze złącza CON2.

Rysunek 2. Schemat montażowy modułu wykonawczego

W egzemplarzu modelowym zastosowano przekaźnik z cewką na 12 VDC, o dopuszczalnym prądzie obciążenia styków 16 A przy napięciu 230 VAC.

EB

Wykaz elementów:
Rezystory:
  • R1: 4,7 kΩ
  • R2: 10 kΩ
  • R3: 1 kΩ
Kondensatory:
Półprzewodniki:
  • LED: dioda LED
  • D1: 1N4148
  • T1: BC547
Inne:
  • PK1: RM83P12(5), RM96P12(5) lub podobny
  • F1: bezpiecznik
Artykuł ukazał się w
Grudzień 2011
DO POBRANIA
Pobierz PDF Download icon
Materiały dodatkowe
Elektronika Praktyczna Plus lipiec - grudzień 2012

Elektronika Praktyczna Plus

Monograficzne wydania specjalne

Elektronik listopad 2025

Elektronik

Magazyn elektroniki profesjonalnej

Raspberry Pi 2015

Raspberry Pi

Wykorzystaj wszystkie możliwości wyjątkowego minikomputera

Świat Radio listopad - grudzień 2025

Świat Radio

Magazyn krótkofalowców i amatorów CB

Automatyka, Podzespoły, Aplikacje listopad - grudzień 2025

Automatyka, Podzespoły, Aplikacje

Technika i rynek systemów automatyki

Elektronika Praktyczna listopad 2025

Elektronika Praktyczna

Międzynarodowy magazyn elektroników konstruktorów

Elektronika dla Wszystkich grudzień 2025

Elektronika dla Wszystkich

Interesująca elektronika dla pasjonatów