AVTduino BT - moduł Bluetooth kompatybilny z Arduino

AVTduino BT - moduł Bluetooth kompatybilny z Arduino
Pobierz PDF Download icon

Prezentowany moduł umożliwia płytce AVTduino komunikowanie się za pomocą Bluetooth. Może przydać się do budowy układu zdalnego sterowania lub akwizycji danych drogą bezprzewodową.

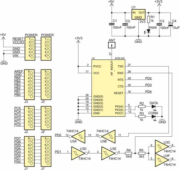
Schemat ideowy modułu AVTduino BT pokazano na rysunku 1, natomiast montażowy na rysunku 2. Wyposażono go w moduł BTM-222 rozszerzający możliwości płytki AVTduino o komunikację Bluetooth. Płytka modułu zawiera zarówno złącza szpilkowe umożliwiające jej montaż w płytce AVTduino, jak i gniazda pozwalające na dołączenie kolejnych modułów.

Rysunek 1.

Napięcie wejściowe jest podawane na stabilizator U1 (LM1117) dostarczający napięcie 3,3 V zasilające. Dioda LED PWR sygnalizuje załączenie napięcia zasilania, natomiast kondensatory C1, C2, C3 i C4 pełnią rolę filtra zasilania. Konwersję sygnałów 3,3 V/5 V pomiędzy modułem a płytką bazową zapewnia układ U3 (74HC14). Diody LED DATA i CONN sygnalizują, odpowiednio, nawiązanie połączenia i transmisję danych. Linie TXD, RXD, RTC, CTS i RESET modułu BTM-222 doprowadzono do portu D. Sygnały RTS i CTS będą używane jedynie w wypadku transmisji ze sprzętowym potwierdzeniem odbioru (którą można załączyć za pomocą komendy AT modułu BT-222).

Rysunek 2.

Domyślnie transmisja szeregowa jest przeprowadzana z prędkością 19200 bps. Ramka ma długość 8 bitów, bez bitu parzystości i z 1 bitem stopu. Poniżej wyszczególniono kilka najważniejszych komend AT, pełna lista komend znajduje się w dokumentacji modułu BTM-222.

  • ATB? – Zapytanie o adres interfejsu.
  • ATN – Zmianę nazwy modułu widocznej w sieci Bluetooth.
  • ATP – Zmianę hasła klucza interfejsu (wartość domyślna to „1234”).
  • ATZ0 – Zerowanie modułu i nadanie parametrów domyślnych.
  • ATF? – Wypisanie wszystkich urządzeń Bluetooth będących w zasięgu interfejsu.
  • ATC – Włączenie lub wyłączenie sprzętowej kontroli przepływu dla łącza szeregowego (linie CTS/RTS).
  • ATQ – Włączenie lub wyłączenie informacji zwrotnych z interfejsu (OK/ERROR oraz CONNECT/DISCONNECT).

EB

Wykaz elementów:
Rezystory:
  • R1...R3: 1 kΩ (SMD 0805)
  • R4: 6,8 kΩ (SMD 0805)
  • R5: 3,3 k Ω (SMD 0805)
Kondensatory:
  • C1...C3: 100 nF (SMD 0805)
  • C4: 10 μF/16 V
Półprzewodniki:
  • DATA, CONN, PWR: dioda LED (SMD 1206)
  • U1: LM1117 3V3 (TO252)
  • U2: BTM-222
  • U3: 74HC14 (SO14)
Pozostałe:
  • J1...J3, POWER: listwa goldpin
Artykuł ukazał się w
Październik 2011
DO POBRANIA
Pobierz PDF Download icon
Materiały dodatkowe
Elektronika Praktyczna Plus lipiec - grudzień 2012

Elektronika Praktyczna Plus

Monograficzne wydania specjalne

Elektronik listopad 2025

Elektronik

Magazyn elektroniki profesjonalnej

Raspberry Pi 2015

Raspberry Pi

Wykorzystaj wszystkie możliwości wyjątkowego minikomputera

Świat Radio listopad - grudzień 2025

Świat Radio

Magazyn krótkofalowców i amatorów CB

Automatyka, Podzespoły, Aplikacje listopad - grudzień 2025

Automatyka, Podzespoły, Aplikacje

Technika i rynek systemów automatyki

Elektronika Praktyczna listopad 2025

Elektronika Praktyczna

Międzynarodowy magazyn elektroników konstruktorów

Elektronika dla Wszystkich grudzień 2025

Elektronika dla Wszystkich

Interesująca elektronika dla pasjonatów