Wzmacniacz 2×5 W (TDA7496)

Wzmacniacz 2×5 W (TDA7496)
Pobierz PDF Download icon

Układ scalony TDA7496 jest to stereofoniczny wzmacniacz pracujący w klasie AB o mocy 5 W w każdym kanale przy obciążeniu 8 Ω. Wzmacniacz doskonale nadaje się jako przystawka do przenośnych odtwarzaczy muzyki. Niewielka moc jaką można uzyskać z tej końcówki na pewno znajdzie zastosowanie jako rozbudowa istniejących już systemów nagłośnienia.

Podstawowe parametry:
  • moc wyjściowa 2×5 W, Rl=8 Ω, THD=10%, Vcc=22 V
  • funkcja Standby i MUTE
  • pojedyncze maksymalne napięcie zasilania 32 V
  • miękki start
  • wyjścia kontrolujące przesterowanie obu kanałów
  • zabezpieczenie termiczne
  • maksymalna moc wyjściowa (80˚C) 15 W
  • temperatura pracy 0...70˚C

Dużą zaletą układu jest szeroki zakres napięcia zasilania od 10 V do 32 V oraz to, że jest to napięcie pojedyncze. Jego zintegrowana budowa pozwala na zminimalizowanie liczby zewnętrznych elementów. Maksymalne napięcie wejściowe nie może przekroczyć 8 V. Układ może obsłużyć głośniki o impedancji 4 lub 8 Ω. Zniekształcenia, dla mocy 1 W przy częstotliwości 1 kHz, to tylko 0,4%, co zadowoli nawet początkujących audiofili.

Rysunek  1.

Sygnał wejściowy podany jest poprzez kondensatory sprzęgające na wyprowadzenia 1 i 5 układu TDA7496. Ze względu na pojedyncze zasilanie układu, głośniki muszą być podłączone przez kondensatory C6 i C8, likwidujące składową stałą.

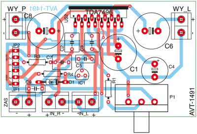
Rysunek  2.

Schemat montażowy przedstawiono na rys. 2. Układ montujemy wg dobrze znanych zasad. Płytkę zaprojektowano na laminacie dwustronnym, dlatego szczególną uwagę trzeba zwrócić na bezbłędne wmontowanie elementów. Ewentualne błędy mogą być przyczyną uszkodzenia płytki podczas wylutowywania elementów. Ostatnią czynnością jest uzbrojenie układu TDA7496 w niewielki radiator. Wzmacniacz nie wymaga żadnej regulacji. Przy pierwszym podłączeniu do zasilania warto zastosować zasilacz z ograniczeniem prądowym, powinno to uchronić nasz układ przed ewentualnymi pomyłkami powstałymi podczas montażu. Uwaga: elementy C2 i C1 montujemy na płytce po przykręceniu radiatora do końcówki mocy. Do funkcji Mute oraz Standby, można użyć zwykłe przełączniki monostabilne.

Piotr Witczak

Wykaz elementów:
Rezystory:
  • R1: 300 kΩ
  • R2: 10 kΩ
  • Pot1: 50 kΩ/log
Kondensatory:
  • C1: 1000 µF/35 V
  • C2, C3: 470 nF MKT
  • C4: 470 µF/35 V
  • C5, C9: 100 nF
  • C6, C8: 1000 µF/35 V
  • C7: 1 µF MKT
Półprzewodniki:
  • U1: TDA7496
  • D1: dioda Zenera 12 V
  • U2: 78L05
Pozostałe:
  • ARK2 5 mm 8 szt.
Artykuł ukazał się w
Wrzesień 2008
DO POBRANIA
Pobierz PDF Download icon
Materiały dodatkowe
Elektronika Praktyczna Plus lipiec - grudzień 2012

Elektronika Praktyczna Plus

Monograficzne wydania specjalne

Elektronik listopad 2025

Elektronik

Magazyn elektroniki profesjonalnej

Raspberry Pi 2015

Raspberry Pi

Wykorzystaj wszystkie możliwości wyjątkowego minikomputera

Świat Radio listopad - grudzień 2025

Świat Radio

Magazyn krótkofalowców i amatorów CB

Automatyka, Podzespoły, Aplikacje listopad - grudzień 2025

Automatyka, Podzespoły, Aplikacje

Technika i rynek systemów automatyki

Elektronika Praktyczna listopad 2025

Elektronika Praktyczna

Międzynarodowy magazyn elektroników konstruktorów

Elektronika dla Wszystkich grudzień 2025

Elektronika dla Wszystkich

Interesująca elektronika dla pasjonatów