Sterownik czterech wentylatorów

Sterownik czterech wentylatorów
Pobierz PDF Download icon

Wentylatory komputerowe nadają się do chłodzenia nie tylko PC, ale też do dowolnego urządzenia elektronicznego. Zestaw czterech takich wentylatorów z odpowiednim sterownikiem może być przydatny w pracowni elektronika-konstruktora.

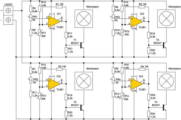
Układ przeznaczony do sterowania czterema wentylatorami komputerowymi, zbudowany jest z czterech identycznych bloków (rys. 1). Zasada działania zostanie omówiona na przykładzie tylko pierwszego bloku. W układzie zastosowano wzmacniacz operacyjny pracujący jako komparator napięcia. Porównuje on napięcie z dzielnika, którego elementem jest termistor RT1, z napięciem regulowanym za pomocą potencjometru montażowego PR1. Jeżeli oporność termistora RT1 zmniejszy się, powodując powstanie na wejściu 2 napięcia mniejszego od ustawionego na wejściu 3, to na wyjściu wzmacniacza pojawi się „stan wysoki”. Tranzystor T1 zacznie przewodzić, włączając wentylator. Rezystor R1 wprowadza do układu niewielką histerezę, zabezpieczając go przed ewentualnym wzbudzeniem. Układ pracuje na zasadzie włącz/wyłącz, czyli włącza się w momencie, gdy element chłodzony uzyska temperaturę powodująca załączenie wentylatora. Po ochłodzeniu wentylator się wyłącza.

Rys. 1. Schemat sterownika czterech wentylatorów

Na rys. 2 przedstawiono rozmieszczenie elementów na jednostronnej płytce drukowanej. Montaż układu zaczynamy od najmniejszych elementów, a kończymy na najwyższych.

Rys. 2. Schemat montażowy

Po zmontowaniu układu należy ustawić za pomocą potencjometrów montażowych temperaturę załączenia wentylatorów. Najlepiej to zrobić przez podgrzanie w pierwszym etapie regulacji termistora do danej temperatury, następnie za pomocą potencjometru szukamy punktu załączenia wentylatora. Zaleca się przykleić termistor do badanego układu za pomocą pasty termoprzewodzącej. Chcąc zastosować mocniejszy wentylator, trzeba użyć tranzystorów sterujących o większej mocy, np. BD139. W zastosowanym w układzie tranzystory mają prąd maksymalny 100 mA. Zasilanie układu to 12 V.

Piotr Witczak

Wykaz elementów:
Rezystory:
  • R1...R4: 1 MΩ
  • R5...R8: 6,8 kΩ
  • R9...R12: 1,2 kΩ
  • R13...R16: 5,6 kΩ
  • R17...R20: 3,3 kΩ
  • R21...R24: 1,2 kΩ
  • PR1...PR4: 5 kΩ
  • RT1...RT4: termistor 20 kΩ/25°C
Kondensatory:
Półprzewodniki:
  • IC1...IC4: TL081
  • T1...T4: BC548
Pozostałe:
  • ARK2 5 mm – 9 szt.
Artykuł ukazał się w
Sierpień 2008
DO POBRANIA
Pobierz PDF Download icon
Materiały dodatkowe
Elektronika Praktyczna Plus lipiec - grudzień 2012

Elektronika Praktyczna Plus

Monograficzne wydania specjalne

Elektronik listopad 2025

Elektronik

Magazyn elektroniki profesjonalnej

Raspberry Pi 2015

Raspberry Pi

Wykorzystaj wszystkie możliwości wyjątkowego minikomputera

Świat Radio listopad - grudzień 2025

Świat Radio

Magazyn krótkofalowców i amatorów CB

Automatyka, Podzespoły, Aplikacje listopad - grudzień 2025

Automatyka, Podzespoły, Aplikacje

Technika i rynek systemów automatyki

Elektronika Praktyczna listopad 2025

Elektronika Praktyczna

Międzynarodowy magazyn elektroników konstruktorów

Elektronika dla Wszystkich grudzień 2025

Elektronika dla Wszystkich

Interesująca elektronika dla pasjonatów