Generator fali prostokątnej o regulowanym współczynniku wypełnienia

Generator fali prostokątnej o regulowanym współczynniku wypełnienia
Pobierz PDF Download icon

Układ bardzo przydatny w pracowni każdego elektronika. Ze względu na prostotę konstrukcji polecamy go zwłaszcza początkującym hobbystom.

Układ generuje falę prostokątną, której częstotliwość jest ustalana w ośmiu podzakresach. Sercem układu jest scalony multiwibrator NE555, zastosowany w swojej podstawowej aplikacji.

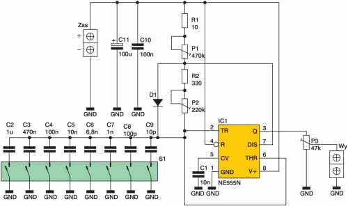
Rys. 1. Schemat generatora

Schemat generatora przedstawiono na rys. 1. Częstotliwość sygnału wyjściowego zależy od elementów R1, R2, P1, P2 oraz sumarycznej pojemności kondensatorów C2...C9. Ponadto można regulować współczynnik wypełnienia sygnału w zakresie od 0 do 100%, ale tylko wtedy, gdy zastąpimy rezystory R1 i R2 zworami. Stosując pewną wartość rezystorów R1 i R2 ustalamy minimalny i maksymalny procent wypełnienia przebiegu.

Rys. 2. Schemat montażowy

Montaż układu najlepiej rozpocząć od wlutowania zworki, następnie lutujemy elementy bierne, na końcu wystarczy włożyć układ scalony w podstawkę i generator jest gotowy do pracy.

Układ można zasilić napięciem stałym 5...15 V. Wartości kondensatorów i rezystorów określających częstotliwość można zmieniać według własnych potrzeb. Zasada doboru jest prosta: im większa pojemność kondensatorów C2...C9, tym częstotliwość mniejsza. To samo dotyczy rezystorów: im większa wartości rezystancji, tym częstotliwość mniejsza. Dla proponowanych wartości elementów, największa częstotliwość generowanego przebiegu o współczynniku wypełnienia 0,5 przy zasilaniu 12 V, wynosi około 200 kHz, a najmniejsza 1 Hz.

Piotr Witczak

Wykaz elementów:
Rezystory:
  • R1: 10 Ω
  • R2: 330 Ω
  • P1: 470 kΩ liniowy
  • P2: 220 kΩ liniowy
  • P3: 47 kΩ liniowy
Kondensatory:
  • C1: 10 nF MKT
  • C2: 1 μF MKT
  • C3: 470 nF MKT
  • C4: 100 nF MKT
  • C5: 10 nF MKT
  • C6: 6,8 nF MKT
  • C7: 1 nF MKT
  • C8: 100 pF
  • C9: 10 pF
  • C10: 100 nF MKT
  • C11: 100 μF/16
Półprzewodniki:
  • IC1: NE555
  • D1: 1N414
Inne:
  • ARK2 5 mm – 2 szt.
  • Przełącznik 8-pozycyjny (DIPswitch)
  • Podstawka DIL8
 
Artykuł ukazał się w
Sierpień 2008
DO POBRANIA
Pobierz PDF Download icon
Materiały dodatkowe
Elektronika Praktyczna Plus lipiec - grudzień 2012

Elektronika Praktyczna Plus

Monograficzne wydania specjalne

Elektronik listopad 2025

Elektronik

Magazyn elektroniki profesjonalnej

Raspberry Pi 2015

Raspberry Pi

Wykorzystaj wszystkie możliwości wyjątkowego minikomputera

Świat Radio listopad - grudzień 2025

Świat Radio

Magazyn krótkofalowców i amatorów CB

Automatyka, Podzespoły, Aplikacje listopad - grudzień 2025

Automatyka, Podzespoły, Aplikacje

Technika i rynek systemów automatyki

Elektronika Praktyczna listopad 2025

Elektronika Praktyczna

Międzynarodowy magazyn elektroników konstruktorów

Elektronika dla Wszystkich grudzień 2025

Elektronika dla Wszystkich

Interesująca elektronika dla pasjonatów