Samochodowy wskaźnik temperatury silnika

Samochodowy wskaźnik temperatury silnika
Pobierz PDF Download icon

Dzisiejsze samochody w większości posiadają wskaźnik temperatury silnika, jednak samodzielnie wykonany przyrząd sprawi wiele satysfakcji fanom „czterech kółek”. Mogą też pojawić się inne zastosowania.

Większość współcześnie produkowanych samochodów jest już wyposażona we wskaźnik temperatury silnika, jednak po naszych drogach jeździ jeszcze sporo starszych samochodów pozbawionych tego bardzo przydatnego przyrządu.

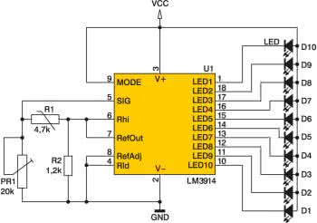
Rys. 1. Schemat układu wskaźnika temperatury

Prezentowany wskaźnik temperatury może znaleźć zastosowanie również jako dodatkowy, niepowtarzalny gadżet w samochodach, które mają fabryczne termometry. W mierniku zastosowano układ scalony woltomierza liniowego, służący do wysterowania słupkowego lub punktowego wyświetlacza składającego się z dziesięciu diod LED. Napięcie sterujące tym układem (SIG) podawane na wyprowadzenie 5 U1 jest pobierane z dzielnika zbudowanego z termistora R1 i potencjometru montażowego PR1. Miernik należy wyskalować w następujący sposób: posługując się naczyniem z gorącą wodą należy tak wyregulować potencjometr PR1, aby przy temperaturze 80°C świeciła pierwsza zielona doda LED. Kolor diod LED zależy oczywiście od indywidualnego gustu. W układzie modelowym zastosowano dwie zielone diody LED na zakres „zimny”, cztery żółte na zakres normalny i cztery czerwone na zakres gorący. Zostały one zastosowane jako wyświetlacz słupkowy przez dołączenie wyprowadzenia 9 do plusa zasilania. Bez tego połączenia wyświetlacz pracowałby w trybie punktowym.

Rys. 2. Schemat montażowy

Należy pamiętać, że na skutek zakrzywienia charakterystyki termistora R1, diody nie wyświetlają temperatury w sposób liniowy.

GB

Wykaz elementów:
Rezystory:
  • R1: termistor NTC 4,7 kΩ
  • R2: 1,2 kΩ
  • PR1: 20 kΩ
Kondensatory:
Półprzewodniki:
  • U1: LM3914
  • D1...D4: dioda czerwona LED Ø 5 mm
  • D5...D8: dioda żółta LED Ø 5 mm
  • D9...D10: dioda zielona LED Ø 5 mm
Pozostałe:
  • Złącze ARK2/500
Artykuł ukazał się w
Sierpień 2008
DO POBRANIA
Pobierz PDF Download icon
Materiały dodatkowe
Elektronika Praktyczna Plus lipiec - grudzień 2012

Elektronika Praktyczna Plus

Monograficzne wydania specjalne

Elektronik listopad 2025

Elektronik

Magazyn elektroniki profesjonalnej

Raspberry Pi 2015

Raspberry Pi

Wykorzystaj wszystkie możliwości wyjątkowego minikomputera

Świat Radio listopad - grudzień 2025

Świat Radio

Magazyn krótkofalowców i amatorów CB

Automatyka, Podzespoły, Aplikacje listopad - grudzień 2025

Automatyka, Podzespoły, Aplikacje

Technika i rynek systemów automatyki

Elektronika Praktyczna listopad 2025

Elektronika Praktyczna

Międzynarodowy magazyn elektroników konstruktorów

Elektronika dla Wszystkich grudzień 2025

Elektronika dla Wszystkich

Interesująca elektronika dla pasjonatów