Przystawka do analizatora stanów logicznych AVT-389

Przystawka do analizatora stanów logicznych AVT-389
Pobierz PDF Download icon

Analizator stanów logicznych jest niezastąpionym narzędziem do uruchamiania i badania układów cyfrowych i wcale nie musi to być fabryczny „kombajn”. Zestaw AVT-389, mimo iż jest to prosty analizator, doskonale sprawdza się nie tylko przy prostych problemach, a poniższy układ umożliwia rozszerzenie jego funkcjonalności i zwiększenie komfortu obsługi.

Opis układu

Zestaw AVT-389 jest analizatorem stanów logicznych w formie przystawki do komputera. Ma to wiele zalet, jak prosta konstrukcja samej przystawki czy przejrzyste wyświetlanie przebiegów na ekranie komputera z możliwością powiększania, przesuwania itd. Takie rozwiązanie wymusiło jednak sekwencyjną pracę układu. Zwykły analizator po rozpoczęciu operacji odczytu zbiera odpowiednią liczbę próbek, po czym wysyła je do komputera. Niestety nie mamy w związku z tym możliwości podglądania bieżącego stanu wejść. Prezentowana przystawka umożliwia taki podgląd przy pomocy ośmiu diod LED niezależnie od tego, czy operacja odczytu zastała zainicjowana.

Zasada działania

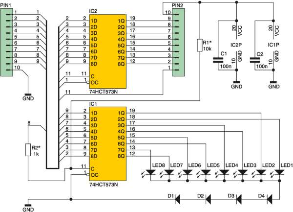
Schemat przystawki przedstawiono na rys. 1. Układ IC2 to U6 (74HCT573) wyjęty z analizatora AVT-389 i umieszczony w płytce przystawki. Jego funkcja jest niezmieniona, stanowi bufor i zatrzask stanów wejściowych.

Rys. 1. Schemat układu przystawki

Układ IC1 pełni funkcję bufora prądowego. Jest to również 74HCT573, którego wejścia są połączone z wejściami analizatora, a do wyjść dołączone są diody. Nóżka 11 tego układu to wejście zatrzasku, połączone przez R1 do plusa zasilania, zatem stan wyjść zawsze odpowiada stanowi wejść. Opcjonalnie nóżka 11 może też być podłączona przez R2 do siódmego wejścia analizatora, wtedy stan wyjść, czyli świecenie diod jest synchronizowane przebiegiem na tym wejściu. Takie rozwiązanie może okazać się pomocne w niektórych przypadkach. Dołączenie R2 spowoduje podciągnięcie wejścia analizatora do +5 V przez rezystancję 11 kΩ, o czym należy pamiętać. Diody D1...D4 zapewniają odpowiednie zasilanie diod LED.

Montaż układu

Montaż rozpoczynamy od wlutowania dwóch szeregów goldpinów po stronie lutowania (rys. 2). 

Rys. 2. Schemat montażowy – strona dolna

Następnie lutujemy pozostałe elementy po stronie elementów (rys. 3).

Rys. 3. Schemat montażowy – strona górna

Diody LED montujemy na wysokości około 5 mm od powierzchni płytki i zaginamy do poziomu tak, by wystawały poza krawędź płytki. Otwory na diody wiercimy w panelu obudowy analizatora. Zmontowaną przystawkę wpinamy w podstawkę po układzie U6 na płytce analizatora.

Damian Sosnowski

Wykaz elementów:
Rezystory:
  • R1: 10 kΩ
  • R2: 1 kΩ
Kondensatory:
  • C1, C2: 100 nF
Półprzewodniki:
  • D1...D4: 1N4148
  • LED1...DED8: dioda żółta LED Ø 5 mm
  • IC1: 74HCT573
  • IC2: 74HCT573* (nie wchodzi w skład zestawu)
Pozostałe:
  • PIN1, PIN2: listwa goldpin 1×10 szpilek
  • Podstawka DIL20 – 2 szt.
Artykuł ukazał się w
Sierpień 2008
DO POBRANIA
Pobierz PDF Download icon
Materiały dodatkowe
Elektronika Praktyczna Plus lipiec - grudzień 2012

Elektronika Praktyczna Plus

Monograficzne wydania specjalne

Elektronik listopad 2025

Elektronik

Magazyn elektroniki profesjonalnej

Raspberry Pi 2015

Raspberry Pi

Wykorzystaj wszystkie możliwości wyjątkowego minikomputera

Świat Radio listopad - grudzień 2025

Świat Radio

Magazyn krótkofalowców i amatorów CB

Automatyka, Podzespoły, Aplikacje listopad - grudzień 2025

Automatyka, Podzespoły, Aplikacje

Technika i rynek systemów automatyki

Elektronika Praktyczna listopad 2025

Elektronika Praktyczna

Międzynarodowy magazyn elektroników konstruktorów

Elektronika dla Wszystkich grudzień 2025

Elektronika dla Wszystkich

Interesująca elektronika dla pasjonatów