Słuchawkowy wzmacniacz wysokiej jakości

Słuchawkowy wzmacniacz wysokiej jakości
Pobierz PDF Download icon

Słuchanie muzyki przez słuchawki może być źródłem wielu wspaniałych doznań estetycznych, jednak pod warunkiem, że wzmacniacz jest wystarczająco dobrej jakości. Proponujemy zatem wykonanie wzmacniacza słuchawkowego charakteryzującego się bardzo dobrymi parametrami pomimo nieskomplikowanej konstrukcji.

Podstawowe parametry:
  • klasa pracy końcówki mocy: AB;
  • moc wyjściowa (R1=32 Ω, Ucc=12 V): 800 mW;
  • poziom zniekształceń nieliniowych (Pwy=200 mW): poniżej 0,1%;
  • pasmo przenoszenia (–3 dB): 30 Hz…17 kHz;
  • impedancja wejściowa (dla fwe=2 kHz): 90 kΩ;
  • wzmocnienie napięciowe układu (pętla zamknięta): ok. 40 dB;
  • maksymalna moc wyjściowa (R1=8 Ω, Ucc=12 V): 1,6 W;
  • dopuszczalny zakres napięć zasilania: 1,8…15 V;
  • pobór prądu w stanie spoczynku (na kanał): ok. 6 mA;
  • prąd sterujący wejścia MUT: max. 0,6 mA;
  • napięcie progowe wejścia MUT: 0,6 V.

Na płytce drukowanej, obok wzmacniacza, znajduje się także prosty zasilacz z mostkiem Graetza, dzięki czemu jest dopuszczalne zasilanie układu zarówno napięciem stałym, jak i zmiennym (w podanych granicach).

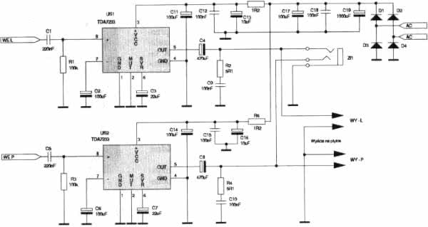
Rysunek 1.

Na rysunku 1 pokazano schemat elektryczny wzmacniacza. Obydwa kanały są identyczne - końcówka mocy opiera się na nowoczesnym wzmacniaczu TDA7233 produkcji SGS-Thomson. Do poprawnej pracy wymagana jest minimalna liczba elementów. Kondensatory C3 i C7 poprawiają współczynnik tłumienia przydźwięku pochodzącego od linii zasilającej, kondensatory C2 i C6 zamykają pętlę ujemnego sprzężenia zwrotnego dla prądów zmiennych. Włączenie w szereg z tymi elementami dodatkowych rezystorów o wartości 10…510 Ω powoduje zmianę (obniżenie) wzmocnienia napięciowego stopnia mocy, co umożliwia zmniejszanie poziomu zniekształceń nieliniowych i zawartości harmonicznych w sygnale wyjściowym. Sygnał wyjściowy jest podawany poprzez kondensatory separujące C4 i C8 na złącze wyjściowe mini-jack stereo, do którego bezpośrednio dołączamy słuchawki. Mogą to być dowolne słuchawki magnetodynamiczne o impedancji większej niż 2 Ω. Najlepsze wyniki osiąga się ze słuchawkami o impedancji 32 Ω/kanał. Układ TDA7233 ma dość interesującą właściwość - dzięki wbudowaniu w jego strukturę bloku wyciszania (sterowanego za pomocą k.2) możliwe jest, np. proste dobudowanie układu zabezpieczającego stopień wyjściowy przed. zwarciem obciążenia. Można to wejście wykorzystać także do dowolnego innego celu, przy czym należy pamiętać, że poziom niski napięcia na tym wejściu włącza stopień. wyjściowy, a jeżeli wejście MUT pozostanie niepodłączone, to wzmacniacz przełącza się do trybu wyciszenia. W modelu wejście MUT jest podłączono na stałe do masy zasilania.

Rysunek 2.

Mozaikę ścieżek płytki drukowanej wzmacniacza przedstawiono na wkładce, rozmieszczenie elementów przedstawia rysunek 2.

Montaż układu nie wymaga szczególnego omówienia. Poprawny montaż przy stosowaniu się do ogólnie przyjętych zasad zapewni natychmiastowe i bezproblemowe uruchomienie wzmacniacza.

PZ

Uwaga: kity są dostępne w ofercie AVT pod symbolem AVT-1024.

 

Wykaz elementów:
Rezystory:
  • R1, R3: 100 kΩ
  • R2, R4: 5,1 Ω
  • R5, R6: 1,2 Ω
Kondensatory:
  • C1, C5: 220 nF
  • C2, C6, C11, C14, C17: 100 µF/25 V
  • C3, C7: 22 µF/25 V
  • C4, C8: 100…470 µF/16 V
  • C9, C10, C12, C15, C18:· 100 nF
  • C13, C16: 10 µF/25 V
  • C19: 1000 µF/25 V
Półprzewodniki:
  • D1…D4: 1N4001
  • US1, US2: TDA7233
Inne:
  • Zl1: złącze jack stereo do druku
  • ARK: ARK2
Artykuł ukazał się w
Październik 1994
DO POBRANIA
Pobierz PDF Download icon
Elektronika Praktyczna Plus lipiec - grudzień 2012

Elektronika Praktyczna Plus

Monograficzne wydania specjalne

Elektronik listopad 2025

Elektronik

Magazyn elektroniki profesjonalnej

Raspberry Pi 2015

Raspberry Pi

Wykorzystaj wszystkie możliwości wyjątkowego minikomputera

Świat Radio listopad - grudzień 2025

Świat Radio

Magazyn krótkofalowców i amatorów CB

Automatyka, Podzespoły, Aplikacje listopad - grudzień 2025

Automatyka, Podzespoły, Aplikacje

Technika i rynek systemów automatyki

Elektronika Praktyczna listopad 2025

Elektronika Praktyczna

Międzynarodowy magazyn elektroników konstruktorów

Elektronika dla Wszystkich grudzień 2025

Elektronika dla Wszystkich

Interesująca elektronika dla pasjonatów