Izolator interfejsu USB 2.0 z układem ADuM316x

Izolator interfejsu USB 2.0 z układem ADuM316x

Prezentowany moduł bazuje na układach ADuM3165 lub ADuM3166 i stanowi kompletne rozwiązanie problemu izolacji portu USB 2.0 (do 480 MBps), która bywa niezbędna podczas uruchamiania lub serwisu urządzeń korzystających z komunikacji USB. W przeciwieństwie do mikromodułu LTM2884Y, układy ADuM316x nie mają wbudowanej przetwornicy zasilającej, dzięki czemu ich cena jest znacznie niższa – kosztem zaledwie kilku dodatkowych elementów zewnętrznych. 

Podstawowe parametry:
  • moduł izolacji funkcjonalnej do systemów o różnicy potencjałów mas <= 250 V,
  • wbudowana przetwornica DC/DC 5 V/5 V o mocy 1 W,
  • układ przystosowany do współpracy z izolatorami typu ADuM3165 oraz ADuM3166,
  • wbudowany sygnalizator poprawności napięć zasilających (dioda LED).
UWAGA: układ izolatora zapewnia izolację funkcjonalną portu USB, nie należy go wykorzystywać do izolacji urządzeń, w przypadku których różnica potencjałów mas jest wyższa od 250 V!

Strukturę wewnętrzną wspomnianych na początku układów pokazano na rysunkach 1a i 1b. Oba typy są zgodne pod względem wyprowadzeń, za wyjątkiem obwodu oscylatora, który w ADuM3165 znajduje się po stronie portu Upstream, a w ADuM3166 po stronie Downstream. Modelowa płytka jest zatem zgodna z obydwoma modelami tychże izolatorów scalonych.

Rysunek 1. Budowa wewnętrzna układów ADuM3165 (a) i ADuM3166 (b). Za notą katalogową Analog Devices

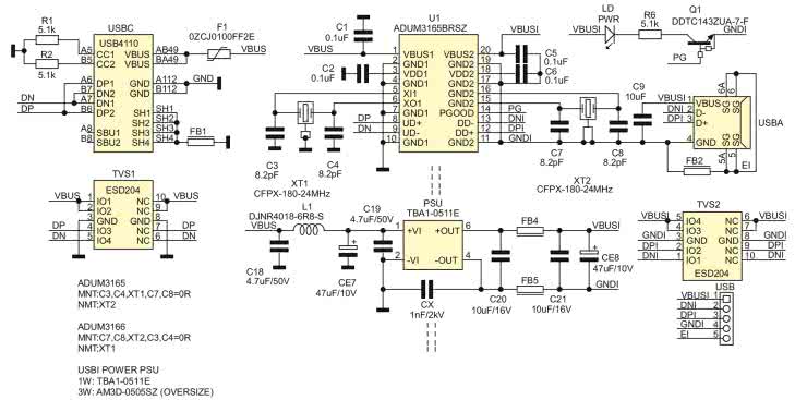
Schemat ideowy modułu można zobaczyć na rysunku 2. Zasilanie 5 V, niezbędne do działania układu, pobierane jest bezpośrednio z portu Upstream poprzez złącze USB-C, skąd przez bezpiecznik polimerowy F1 dostarczane jest do układu U1 oraz do przetwornicy PSU. Moc wyjściowa przetwornicy typu TBA1-0511E przy zasilaniu 5 V wynosi 1 W, co zapewnia prawidłową współpracę z większością interfejsów komunikacyjnych, np. konwerterów USB/Serial FTDI. Dławik L1 oraz kondensatory C18, CE7 stanowią filtr wejściowy przetwornicy, a dławiki FB4,5, kondensatory C20,21 oraz CE8 – filtr wyjściowy. Magistrala USBC ze złącza doprowadzona jest przez drabinkę zabezpieczającą TVS1 bezpośrednio do U1, którego obwód wejściowy integruje niezbędnie terminatory i rezystory podciągające magistrali, upraszczając układ aplikacyjny.

Rysunek 2. Schemat ideowy izolatora USB

Płytka zawiera dwa obwody oscylatorów 24 MHz niezbędnych do działania układu U1. W przypadku ADuM3165 należy zastosować kwarc XT1 (24 MHz) i kondensatory C3,4, a w przypadku ADuM3166 odpowiednio XT2 i C7,8. Port USB po izolacji, poprzez drabinkę zabezpieczającą TVS2, wyprowadzony jest na gniazdo USBA oraz na złącze szpilkowe USB. Moduł uzupełnia sygnalizator poprawności napięć zasilania na elementach Q1, R6, LD, sterowanych z wyprowadzenia PGOOD U1. Stan wysoki PG sygnalizuje poprawność napięć zasilania po obu stronach interfejsu.

Izolator zmontowany jest na miniaturowej, dwustronnej płytce drukowanej. Rozmieszczenie elementów pokazano na rysunku 3. Po wyborze typu układu U1 należy zamontować elementy oscylatora po wymaganej stronie interfejsu, zastępując kondensatory po przeciwnej stronie zworami 0 Ω. W przypadku ADuM3165 montujemy C3,4, XT1 oraz zwory w miejsce C7,8 i nie lutujemy kwarcu XT2, a stosując ADuM3166 montujemy C7,8, XT2 oraz zwory w miejsce C3,4 i nie lutujemy kwarcu XT1. Po lutowaniu należy płytkę wyczyścić z resztek topnika, szczególnie w miejscu separacji galwanicznej (obszar PCB pozbawiony soldermaski).

Rysunek 3. Rozmieszczenie elementów

Zmontowany moduł izolatora pokazano na fotografii tytułowej.

Układ nie wymaga uruchamiania. Po podłączeniu do portu USB powinna zaświecić się dioda LD (PG) sygnalizująca poprawność zasilania po obu stronach interfejsu. Po podłączeniu urządzenia do portu USBA powinno ono być widoczne w systemie operacyjnym. Układ izolatora nie wymaga instalacji driverów i jest przezroczysty dla transmisji. Jeżeli moduł montowany jest bezpośrednio w urządzeniu, można pominąć montaż elementów przetwornicy (pozostawiając tylko C18 i C21) oraz zasilić stronę wtórną izolatora bezpośrednio napięciem 5 V z urządzenia.

Adam Tatuś, EP

Wykaz elementów:
Rezystory:
  • R1, R2, R6: 5,1 kΩ
Kondensatory:
  • C1 ,C2, C5, C6: 100 nF (SMD 0402, X5R, 10 V)
  • C3, C4, C7, C8: 8,2 pF (SMD 0402, C0G, 25 V – patrz opis)
  • C9: 10 μF (SMD 0603, X7R, 10 V)
  • C18, C19: 4,7 μF (SMD 0805, X7R, 50 V)
  • C20, C21: 10 μF (SMD 0603, X7R, 16 V)
  • CE7, CE8: 47 μF/10 V (r=2,54 mm, D=5 mm, Low ESR)
  • CX: 1 nF/2 kV (SMD 1206, X5R)
Półprzewodniki:
  • LD: dioda LED (SMD 0603)
  • Q1: DDTC143ZUA-7-F (SOT-323)
  • TVS1, TVS2: ESD204 (USON10)
  • U1: ADuM3165BRSZ (SSOP20_230) – patrz opis
Pozostałe:
  • F1: bezpiecznik polimerowy, typ 0ZCJ0100FF2E (SMD 1206)
  • FB1, FB2: dławik ferrytowy, typ BLM15PX601SN1D (SMD 0402)
  • FB4, FB5: dławik ferrytowy, typ BLM18AG121SN1D (SMD 0603)
  • L1: dławik mocy DJNR4018-6R8-S
  • PSU: przetwornica DC/DC 1 W 5 V/5 V, typ TBA1-0511E
  • USB: złącze SIP5 (opcja)
  • USBA: gniazdo USB A (SMD)
  • USBC: gniazdo USB C (typ USB4110)
  • XT1, XT2: kwarc 24 MHz, typ CFPX-180 (SMD) – patrz opis
Elektronika Praktyczna Plus lipiec - grudzień 2012

Elektronika Praktyczna Plus

Monograficzne wydania specjalne

Elektronik luty 2026

Elektronik

Magazyn elektroniki profesjonalnej

Raspberry Pi 2015

Raspberry Pi

Wykorzystaj wszystkie możliwości wyjątkowego minikomputera

Świat Radio marzec - kwiecień 2026

Świat Radio

Magazyn krótkofalowców i amatorów CB

Automatyka, Podzespoły, Aplikacje styczeń - luty 2026

Automatyka, Podzespoły, Aplikacje

Technika i rynek systemów automatyki

Elektronika Praktyczna styczeń - luty 2026

Elektronika Praktyczna

Międzynarodowy magazyn elektroników konstruktorów

Elektronika dla Wszystkich marzec 2026

Elektronika dla Wszystkich

Interesująca elektronika dla pasjonatów