Cyfrowy termometr/termostat I²C zgodny z Grove

Cyfrowy termometr/termostat I²C zgodny z Grove

Prezentowany moduł oparty jest na cyfrowym termometrze I²C PCT2075D firmy NXP. Układ ten pracuje w zakresie temperatur od –25°C do 100°C, z dokładnością ±1°C przy 25°C i jest zgodny zarówno pod względem wyprowadzeń, jak i obsługi programowej, z serią przemysłowych termometrów LM75x. Cechą szczególną PCT2075D jest rozszerzona adresacja, umożliwiająca użycie nawet 27 układów na jednej magistrali I²C.

Podstawowe parametry:
  • moduł na bazie scalonego termometru PCT2075D,
  • zgodność układu wyprowadzeń i kompatybilność programowa z termometrami z serii LM75x,
  • dokładność: ±1°C przy 25°C,
  • rozszerzona adresacja (do 27 układów na wspólnej szynie I²C),
  • napięcie zasilania: 2,7...5,5 V,
  • pobór prądu: 0,5 mA,
  • wyjście termostatowe o obciążalności do 24 mA @ 5 V,
  • wybór adresu za pomocą zworek lutowniczych.

Budowa wewnętrzna PCT2075D została pokazana na rysunku 1, zaś schemat ideowy modułu – na rysunku 2.

Rysunek 1. Struktura wewnętrzna PCT2075D (za notą NXP)
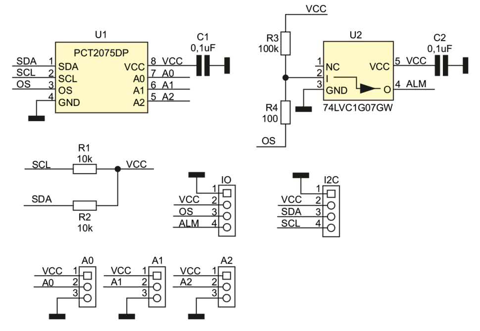
Rysunek 2. Schemat ideowy modułu

Płytka zasilana jest napięciem 2,7...5,5 V poprzez złącze I²C, do którego doprowadzone są również linie sygnałowe magistrali I²C. Układ U1 typu PCT2075D oprócz przetwarzania temperatury, oferuje funkcję termostatu z wyjściem OS, wyprowadzonym na złącze IO. Aby zapobiec podgrzewaniu struktury układu U1 prądem wyjściowym linii OS, co prowadziłoby do zmniejszenia dokładności pomiaru temperatury, płytkę wyposażono w dodatkowy bufor separujący U2, którego sygnał wyjściowy ALM również doprowadzono do złącza IO.

Wyjście OS U1 (typu otwarty dren) podciągnięte jest do dodatniej szyny zasilania poprzez rezystor R3 i może zostać użyte do monitorowania stanu termostatu, np. przez procesor. Wyjście ALM służy natomiast do sterowania obciążeniem przez transoptor lub przekaźnik SSR, a jego obciążalność to 24 mA przy napięciu 5 V (maksymalny szczytowy prąd 50 mA). Zwory A0, A1, A2 służą do adresacji U1 zgodnie z tabelą 1. Kompatybilność z termometrami z serii LM75x zapewnia pierwsze 8 adresów w zakresie: 0x48...0x4F.

 

Termometr zmontowany jest na niewielkiej, dwustronnej płytce drukowanej, zgodnej formatem z Grove. Rozmieszczenie elementów pokazano na rysunku 3, a zmontowany moduł – na fotografii tytułowej. Montaż jest oczywisty i nie wymaga opisu.

Rysunek 3. Rozmieszczenie elementów

Sprawdzenie działania modułu najprościej wykonać jest przy użyciu Arduino lub Raspberry Pi i dowolnej biblioteki obsługującej termometr LM75x. Moduł wymaga zasilania w zakresie 2,7...5,5 V, pobór prądu podczas pracy jest mniejszy niż 0,5 mA. Po konfiguracji adresacji zworami A2...A0 moduł jest gotowy do pracy.

Ze względu na zgodność z rodziną LM75x, płytka umożliwia montaż każdego kompatybilnego termometru w obudowie TSSOP8, np. LM75B, SE95DP, TCN75A czy TMP1075D.

Adam Tatuś, EP

Wykaz elementów:
Rezystory: (SMD 0603, 5%)
  • R1, R2: 10 kΩ
  • R3: 100 kΩ
  • R4: 100 Ω
Kondensatory:
  • C1, C2: 100 nF (SMD 0603, X7R, 10 V)
Półprzewodniki:
  • U1: PCT2075DP (TSSOP8_065)
  • U2: 74LVC1G07GW (TSSOP5)
Pozostałe:
  • IO, I2C: złącze Grove (4 pin, proste)
Artykuł ukazał się w
Elektronika Praktyczna
sierpień 2025
DO POBRANIA
Materiały dodatkowe
Elektronika Praktyczna Plus lipiec - grudzień 2012

Elektronika Praktyczna Plus

Monograficzne wydania specjalne

Elektronik listopad 2025

Elektronik

Magazyn elektroniki profesjonalnej

Raspberry Pi 2015

Raspberry Pi

Wykorzystaj wszystkie możliwości wyjątkowego minikomputera

Świat Radio listopad - grudzień 2025

Świat Radio

Magazyn krótkofalowców i amatorów CB

Automatyka, Podzespoły, Aplikacje listopad - grudzień 2025

Automatyka, Podzespoły, Aplikacje

Technika i rynek systemów automatyki

Elektronika Praktyczna listopad 2025

Elektronika Praktyczna

Międzynarodowy magazyn elektroników konstruktorów

Elektronika dla Wszystkich grudzień 2025

Elektronika dla Wszystkich

Interesująca elektronika dla pasjonatów