Przedwzmacniacz gramofonowy MM z pasywną korekcją

Przedwzmacniacz gramofonowy MM z pasywną korekcją

Winylomania ma się dobrze, historia zatoczyła koło i coraz częściej w domowych systemach audio gramofon zastępuje odtwarzacz CD. Niestety współczesne wzmacniacze sporadycznie wyposażone są w wysokiej jakości wejście współpracujące z wkładką gramofonową. Prezentowany układ pełni funkcję przedwzmacniacza do wkładki z ruchomym magnesem (MM) i współpracuje z wejściem liniowym każdego wzmacniacza audio. Możliwość wyboru pojemności wejściowej oraz wzmocnienia zapewnia optymalną współpracę z wkładkami gramofonowymi MM różnych producentów.

Podstawowe parametry:
  • niskoszumowy, dwustopniowy przedwzmacniacz stereo,
  • charakterystyka RIAA,
  • pojemność wejściowa ustawiana w zakresie 47...200 pF,
  • rezystancja wejściowa ustawiana przełącznikiem (47 kΩ lub 100 kΩ),
  • regulacja wzmocnienia: 24/27/30 dB,
  • zasilanie: ±15 V (DC)/200 mA (patrz opis).

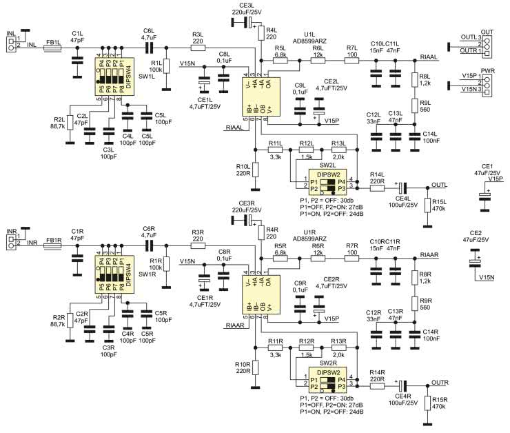
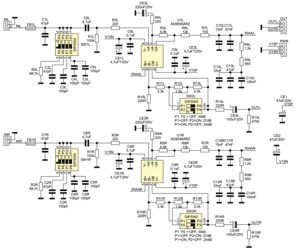
Schemat przedwzmacniacza pokazano na rysunku 1. Układ oparty jest o wysokiej jakości wzmacniacza operacyjnego typu AD8599 firmy Analog Devices, zoptymalizowanym pod kątem niskich zniekształceń oraz znikomego poziomu szumów.

Rysunek 1. Schemat ideowy układu

Schematy kanałów lewego i prawego są identyczne, elementy kanału lewego oznaczone są sufiksem *L, zaś prawego: *R. Opis działania dotyczy kanału lewego. Sygnał wejściowy z wkładki MM doprowadzony jest do złącza INL, a koralik ferrytowy FB1L filtruje zakłócenia w.cz. Wstępne obciążenie pojemnościowe 47 pF, wymagane do poprawnej pracy wkładki, zapewnia kondensator C1L. Pojemność może zostać zwiększona zgodnie z wymaganiami zawartymi w dokumentacji używanego przetwornika, za pomocą sekcji 1,2,3 przełącznika DIP oznaczonego SW1L, poprzez równoległe podłączenie z C1L dodatkowych pojemności C2L…C5R. Sumaryczna pojemność obciążająca może być regulowana od 47 pF do ok. 400 pF, z krokiem 47 pF. Podczas dopasowywania pojemności wejściowej każdorazowo należy pamiętać o uwzględnieniu pojemności przewodu połączeniowego, która może wynosić od kilkunastu do kilkuset pF. Obciążenie rezystancyjne wkładki zapewnia rezystor R1L oraz – odłączany sekcją 4 przełącznika SW1L – opcjonalny rezystor R2L. Umożliwia to zapewnienie typowej impedancji obciążenia 47 kΩ (SW1L-4 zwarte, położenie domyślne) oraz 100 kΩ.

Z wyjścia sekcji dopasowania obciążenia i separacji składowej stałej przez C6L, sygnał doprowadzony jest do pierwszego stopnia wzmacniacza o ustalonym przez rezystory R4L, R5L wzmocnieniu ok. 30 dB. Wartości rezystorów dobrane są jako kompromis pomiędzy obciążeniem wyjścia wzmacniacza operacyjnego U1L a możliwie minimalnym poziomem szumów. Kondensator CE3L redukuje wzmocnienie stałoprądowe oraz zapewnia wstępne odcięcie sygnałów o bardzo niskich częstotliwościach, pełniąc funkcję podstawowego filtru subsonicznego/antywibracyjnego. W opisanym przedwzmacniaczu zastosowano korekcję pasywną – elementy kształtujące charakterystykę przenoszenia nie są umieszczone tradycyjnie w pętli sprzężenia zwrotnego, ale pomiędzy stopniami wzmacniacza. Każde z wymienionych rozwiązań ma pewne wady i zalety oraz – jak to zwykle bywa – ma swoich zagorzałych zwolenników i przeciwników. Z inżynierskiego punktu widzenia największą wadą układu pasywnego jest zwiększona komplikacja układu, gdyż musi on być zrealizowany na drodze dwóch stopni wzmocnienia, co wiąże się też z większymi zniekształceniami i poziomem szumów, zaletą zaś jest teoretyczny brak zniekształceń związanych z pracą korekcji w obwodzie sprzężenia zwrotnego. W modelu za korekcję RIAA odpowiadają elementy R6L…R9L oraz C10L…C13L.

Równoległe i szeregowe połączenia elementów w obwodzie korekcji zastosowano dla ułatwienia doboru elementów z typowego szeregu E12, co jest szczególnie istotne w przypadku kondensatorów.

Po pasywnej korekcji charakterystyki sygnał, ze względu na obniżenie poziomu, doprowadzony jest do drugiego stopnia U1LB o skokowo regulowanym wzmocnieniu, pozwalającym dostosować całkowite wzmocnienie toru do wkładek o różnych poziomach wyjściowych. Wzmocnienie regulowane jest poprzez wybór odpowiednich wartości rezystorów R11L…R13L w torze sprzężenia zwrotnego za pomocą przełącznika SW2L. Dostępne wartości wzmocnienia to ok. 24/27/30 dB. Sygnał z drugiego stopnia – po separacji składowej stałej (CE4L) – doprowadzony jest do złącza wyjściowego OUT. Układ może być zasilany symetrycznym napięciem ±15 V doprowadzonym do złącza PWR.

Przedwzmacniacz zmontowano na dwustronnej płytce drukowanej, rozmieszczenie elementów pokazuje rysunek 2.

Rysunek 2. Rozmieszczenie elementów na PCB

Sposób montażu jest klasyczny i nie wymaga opisu. Należy zadbać tylko o zastosowanie niskoszumowych rezystorów metalizowanych o tolerancji 1% oraz dokładny dobór kondensatorów foliowych odpowiadających za kształtowanie charakterystyki. Poprawnie zmontowany przedwzmacniacz nie wymaga specjalnego uruchamiania.

Ze względu na niski poziom sygnałów w torze należy zastosować ekranowane przewody połączeniowe, a płytkę umieścić w ekranowanej obudowie. W celu osiągnięcia opytmalnych parametrów układ powinien być zasilany za pomocą niskoszumowego zasilacza liniowego ±15 V o wydajności 200 mA.

Zmontowaną płytkę przedwzmacniacza można zobaczyć na fotografii tytułowej.

Przedwzmacniacz MM, uzupełniony o opisaną na łamach EP8/19 płytkę przedwzmacniacza gramofonowego dostosowanego do wkładek MC, niskoszumowego zasilacza audio (EP 10/2018) oraz filtru subsonicznego (EP 11/2024) może być podstawą do budowy uniwersalnego przedwzmacniacza gramofonowego DIY wysokiej jakości.

Miłego odsłuchu!

Adam Tatuś, EP

Wykaz elementów:
Rezystory: (SMD MELF, 1%, metalizowane)
  • R3L, R3R, R4L, R4R, R10L, R10R, R14L, R14R: 220 Ω
  • R11L, R11R: 3,3 kΩ
  • R12L, R12R: 1,5 kΩ
  • R13L, R13R: 2,0 kΩ
  • R15L, R15R: 470 kΩ
  • R1L, R1R: 100 kΩ
  • R2L, R2R: 88,7 kΩ
  • R5L, R5R: 6,8 kΩ
  • R6L, R6R: 12 kΩ
  • R7L, R7R: 100 Ω
  • R8L, R8R: 1,2 kΩ
  • R9L, R9R: 560 Ω
Kondensatory:
  • C1L, C1R, C2L, C2R: 47 pF (foliowy, R=5 mm, 5% *)
  • CE1, CE2: 47 μF/25 V (elektrolityczny, low ESR, fi=5 mm, R=2 mm)
  • CE1L, CE1R, CE2L, CE2R: 4,7 μF/25 V (SMD 3216, tantalowy)
  • CE3L, CE3R: 220 μF/25 V (elektrolityczny, low ESR, fi=8 mm, R=3,5 mm)
  • C3L, C3R, C4L, C4R, C5L, C5R: 100 pF (foliowy, R=5 mm, 5% *)
  • CE4L, CE4R: 100 μF/25 V (elektrolityczny, low ESR, fi=6,3 mm, R=2,5 mm)
  • C6L, C6R: 4,7 μF (foliowy, R=5 mm, 5% *)
  • C8L, C8R, C9L, C9R: 0,1 μF (foliowy, R=5 mm, 5% *)
  • C10L, C10R: 15 nF (foliowy, R=5 mm, 5% *)
  • C11L, C11R, C13L, C13R: 47 nF (foliowy, R=5 mm, 5% *)
  • C12L, C12R: 33 nF (foliowy, R=5 mm, 5% *)
  • C14L, C14R: 100 nF (SMD 0805, 25 V, X7R)
  • * dobrać – patrz opis
Półprzewodniki:
  • U1L, U1R: AD8599ARZ (SO8)
Pozostałe:
  • FB1L, FB1R: dławik ferrytowy BLM21AH601SN1D (SMD 0805)
  • INL, INR: złącze DG 3,5 mm 2 pin (DG381-3.5-2)
  • OUT, PWR: złącze DG 3,5 mm 3 pin (DG381-3.5-3)
  • SW1L, SW1R: przełącznik DIP (4 sekcje)
  • SW2L, SW2R: przełącznik DIP (2 sekcje)
Artykuł ukazał się w
Elektronika Praktyczna
styczeń 2025
DO POBRANIA
Materiały dodatkowe
Elektronika Praktyczna Plus lipiec - grudzień 2012

Elektronika Praktyczna Plus

Monograficzne wydania specjalne

Elektronik listopad 2025

Elektronik

Magazyn elektroniki profesjonalnej

Raspberry Pi 2015

Raspberry Pi

Wykorzystaj wszystkie możliwości wyjątkowego minikomputera

Świat Radio listopad - grudzień 2025

Świat Radio

Magazyn krótkofalowców i amatorów CB

Automatyka, Podzespoły, Aplikacje listopad - grudzień 2025

Automatyka, Podzespoły, Aplikacje

Technika i rynek systemów automatyki

Elektronika Praktyczna listopad 2025

Elektronika Praktyczna

Międzynarodowy magazyn elektroników konstruktorów

Elektronika dla Wszystkich grudzień 2025

Elektronika dla Wszystkich

Interesująca elektronika dla pasjonatów