Moduł klucza High Side dużej mocy 5...30 V DC/10 A

Moduł klucza High Side dużej mocy 5...30 V DC/10 A

Prezentowany projekt to minimoduł klucza High-Side dużej mocy 5...30 V DC/10 A – zgodnego ze standardem Grove i umożliwiającego sterowanie obciążeniami prądu stałego z poziomu AVTDuino, Raspberry Pi itp.

Podstawowe parametry:
  • napięcie zasilania: 5...30 V (DC),
  • maksymalne obciążenie: 10 A,
  • rezystancja w stanie otwarcia: 20 mΩ,
  • poziom napięcia logiki sterującej: 3,3...5 V,
  • tryby sterowania: manualny oraz AUTO (sterowanie sygnałem z wejścia binarnego).

Moduł znajdzie zastosowanie w bardziej wymagających aplikacjach, w których może zastąpić przekaźnik elektromagnetyczny, eliminując część jego wad. Zbudowany został w oparciu na driverze High-Side typu BTS441TG o niskich stratach mocy podczas przełączania (Rdson=20 mΩ), zawierającym wbudowane układy zabezpieczeń termicznych, przepięciowych i zwarciowych oraz umożliwiający sterowanie obciążeń także o charakterze indukcyjnym. W celu zwiększenia funkcjonalności oraz zachowania zgodności z modułem przekaźnika dużej mocy (opublikowanym w EP02/24) układ wyposażono w możliwość sterowania ręcznego w trybie Auto/Off/On oraz sygnalizację przełączenia sterowania na tryb ręczny.

Rysunek 1. Schemat wewnętrzny układu BTS441TG (za notą Infineon)

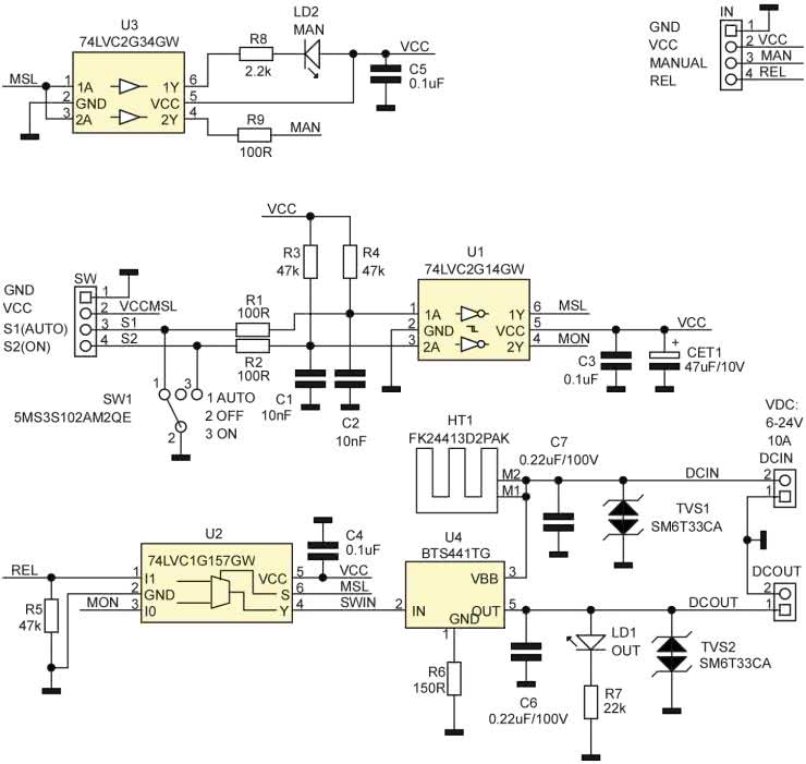
Schemat wewnętrzny układu BTS441TG pokazano na rysunku 1, zaś schemat ideowy modułu widnieje na rysunku 2. Klucz U4 BTS441TG sterowany jest sygnałem REL ze złącza IN, doprowadzonym do multipleksera U2 typu LVC1G157. Zadanie multipleksera polega na wyborze pomiędzy trybami pracy przekaźnika: AUTO (gdy sterowany jest poziomem logicznym sygnału REL) – lub pracą ze sterowaniem ręcznym ON/OFF (gdy sterowany jest za pomocą przełącznika SW1). Wybór trybu określa sygnał MSL: jeżeli przełącznik SW1 znajduje się w położeniu AUTO, stan sygnału MSL jest wysoki, co wybiera wejście I1 i sterowanie sygnałem REL. W przypadku gdy przełącznik SW1 znajduje się w położeniu ON lub OFF, sygnał MSL jest w stanie niskim, wybrane jest wejście I0 multipleksera U2 i przekaźnikiem steruje sygnał MON zależny od pozycji ON/OFF przełącznika SW1.

Rysunek 2. Schemat ideowy modułu

Przełącznik SW1 umieszczony został na płytce drukowanej – jeżeli zależy nam na wyprowadzeniu sterowania np. na obudowę, można użyć złącza SW i do niego doprowadzić styki trójpozycyjnego przełącznika AUTO/ON/OFF. Zewnętrzny przełącznik należy okablować tak, aby sygnał w położeniu AUTO zwierał sygnały GND i S1(AUTO), w położeniu ON zwierał sygnały GND i S2(ON), a w położeniu OFF – oba sygnały AUTO/OFF były rozwarte. Wymóg spełnia każdy przełącznik trójpołożeniowy z „martwą” pozycją środkową. W przypadku zastosowania zewnętrznego przełącznika trybu możliwe jest pominięcie montażu SW1 na płytce; można też pozostawić wlutowany SW1, który należy ustawić w pozycji OFF i sterować pracą przekaźnika przełącznikiem zewnętrznym. Układ inwerterów Schmitta U1 – oprócz negacji sygnałów potrzebnych do sterowania multiplekserem – wraz z filtrami R3/4, C1/2 eliminuje skutki drgań styków przełączników. Klucz U4 sterowany jest bezpośrednio z wyjścia multipleksera U2. Dioda LD1 sygnalizuje obecność napięcia na obciążeniu (czyli podanie napięcia zasilania ze złącza DCIN na wyjście DCOUT), natomiast dioda MAN wskazuje na aktywne sterowanie ręczne klucza U4. Dodatkowo na wyjście MAN złącza IN doprowadzono sygnał sygnalizujący tryb ręcznego sterowania wyjściem, aktywowany stanem niskim.

Układ zmontowany został na dwustronnej płytce drukowanej. Rozmieszczenie elementów pokazano na rysunku 3. Sposób montażu ma charakter klasyczny i nie wymaga opisu, należy zwrócić tylko uwagę na prawidłowe przylutowanie pada termicznego U4 oraz zastosowanie radiatora HT1, gdy klucz będzie pracował w wysokiej temperaturze otoczenia lub z maksymalnym prądem obciążenia. Klucz zabezpieczony jest przed skutkami odwrócenia polaryzacji zasilania rezystorem R6. Napięcie zasilania oraz obciążenie zabezpieczono dodatkowo przed skutkami przepięć transilami TVS1,2. Moduł działa poprawnie w zakresie napięć zasilających logikę 3,3...5 V i przy napięciu zasilania klucza 5...30 V. Zmontowany moduł zaprezentowano na fotografii tytułowej.

Rysunek 3. Rozmieszczenie elementów

Po podłączeniu obciążenia i zasilania, przełącznikiem SW1 sprawdzamy poprawność sterowania oraz sygnalizacji. Jeżeli wszystko działa poprawnie, układ można zastosować we własnej aplikacji, pamiętając o dobraniu odpowiednich przekrojów przewodów połączeniowych zasilania i obciążenia.

Adam Tatuś, EP

Wykaz elementów:
Rezystory:
  • R1, R2, R9: 100 Ω (SMD 0603, 1%)
  • R3, R4, R5: 47 kΩ (SMD 0603, 1%)
  • R6: 150 Ω (SMD 1206, 1%)
  • R7: 22 kΩ (SMD 0603, 1%)
  • R8: 2,2 kΩ (SMD 0603, 1%)
Kondensatory:
  • C1, C2: 10 nF (SMD 0603, X7R, 50 V)
  • C3, C4, C5: 100 nF (SMD 0603, X7R, 50 V)
  • C6, C7: 0,22 μF/100 V (SMD 1206, X7R, 100 V)
  • CET1: 47 μF/10 V (SMD 3528, tantal)
Półprzewodniki:
  • U1: 74LVC2G14GW.125 (SC88)
  • U2: 74LVC157GW (SC88)
  • U3: 74LVC2G34GW.125 (SC88)
  • U4: BTS441TG (TO-263-5)
Pozostałe:
  • DCIN, DCOUT: złącze śrubowe 5 mm 2 pin (typ DG126-5.0-2)
  • HT1: FK24413D2PAK (radiator TO263)
  • IN, SW: złącze Grove proste
  • LD1, LD1: dioda LED (SMD 0603)
  • SW1: przełącznik trójpozycyjny (typ 5MS3S102AM2QE)
  • TVS1, TVS2: transil SM6T33CA (SMB)
Artykuł ukazał się w
Elektronika Praktyczna
listopad 2024
DO POBRANIA
Materiały dodatkowe
Elektronika Praktyczna Plus lipiec - grudzień 2012

Elektronika Praktyczna Plus

Monograficzne wydania specjalne

Elektronik listopad 2025

Elektronik

Magazyn elektroniki profesjonalnej

Raspberry Pi 2015

Raspberry Pi

Wykorzystaj wszystkie możliwości wyjątkowego minikomputera

Świat Radio listopad - grudzień 2025

Świat Radio

Magazyn krótkofalowców i amatorów CB

Automatyka, Podzespoły, Aplikacje listopad - grudzień 2025

Automatyka, Podzespoły, Aplikacje

Technika i rynek systemów automatyki

Elektronika Praktyczna listopad 2025

Elektronika Praktyczna

Międzynarodowy magazyn elektroników konstruktorów

Elektronika dla Wszystkich grudzień 2025

Elektronika dla Wszystkich

Interesująca elektronika dla pasjonatów