Mini zasilacz buforowy 5V

Mini zasilacz buforowy 5V

W artykule zaprezentowany zostanie zasilacz buforowy 5 V/500 mA, współpracujący z typowym akumulatorem litowym. Zapewnia on podtrzymanie zasilania Arduino, Raspberry Pi Pico/Zero lub dowolnego innego układu zasilanego napięciem 5 V i o maksymalnym poborze prądu poniżej 500 mA. Czas podtrzymania zależny jest od pojemności zastosowanego akumulatora i natężenia pobieranego przez układ prądu – może wynosić od kilku minut do kilku godzin. Wyprowadzone sygnały monitorujące napięcia wejściowe i wyjściowe oraz stan ładowarki ułatwiają integrację z zasilanym układem.

Podstawowe parametry:
  • napięcie wejściowe: 4,5...5,5 V,
  • napięcie wyjściowe: 5 V,
  • wydajność prądowa: 500 mA (maks.),
  • obsługiwane akumulatory: Li-Ion 1S (4,2 V) z wbudowanym PCM,
  • prąd ładowania akumulatora: 150 mA,
  • sprawność przetwornicy: >80%.

Schemat zasilacza buforowego pokazano na rysunku 1.

Rysunek 1. Schemat ideowy zasilacza buforowego

Moduł składa się z trzech bloków funkcjonalnych:

  • przełącznika źródeł zasilania opartego na układzie U1 typu LM66200,
  • przetwornicy obniżająco-podwyższającej o ustalonym napięciu wyjściowym 5 V – U2 typu TPS63061,
  • ładowarki akumulatora litowego – U3 typu MCP73832.

Napięcie wejściowe 5 V z gniazda VIN – po wstępnej filtracji przez pojemności CE1 i C1 – doprowadzone zostaje do układu przełącznika źródeł zasilania U1. Budowę wewnętrzną układu LM66200 zaprezentowano na rysunku 2.

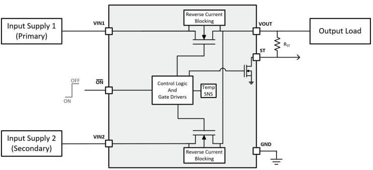
Rysunek 2. Struktura wewnętrzna LM66200 (za notą TI)

Układ składa się z dwóch kontrolerów diody idealnej z ustalonym priorytetem działania. Na wyjście Vout przekazywane jest wyższe z napięć Vin1/2. W przypadku obecności napięcia zasilania na wejściu VIN1 (w przypadku opisywanego układu jest ono tożsame z potencjałem V50I) o prawidłowej wartości jest ono przekazywane na wyjście VOUT (V50U). Jeżeli wartość V50I będzie mniejsza od napięcia na wejściu VIN2 (czyli od napięcia akumulatora VBAT), wejście VIN1 zostanie odłączone, a na wyjście VOUT przekazane zostanie napięcie akumulatora z VIN2 (VBAT). Dzięki kluczowaniu napięć przy użyciu tranzystorów MOSFET spadek napięcia w kierunku przewodzenia jest nieporównywalnie niższy niż przy zastosowaniu typowych diod, co minimalizuje straty. Dodatkowo źródła zasilania zabezpieczone są przed przepływem wstecznym.

Układ U1 jest wyposażony w wejście sterujące ON, które w układzie pozostaje połączone bezpośrednio z masą, co na stałe aktywuje U1. Wyjście ST (PWR) typu otwarty dren sygnalizuje natomiast aktywne źródło zasilania: stan niski wskazuje na zasilanie z akumulatora, stan wysoki – zasilanie z wejścia VIN. Napięcie wyjściowe z LM66200 doprowadzone zostało do przetwornicy obniżająco-podwyższającej typu TPS63061 o ustalonym na 5 V napięciu wyjściowym, którego obecność wskazywana jest przez diodę LD1. Napięcie z wyjścia przetwornicy U2 podłączono do złącza VOUT. Stan niski sygnału PG5 (wyjście typu OD) informuje o problemach z utrzymaniem znamionowej wartości napięcia wyjściowego przetwornicy. Do obsługi akumulatora litowego zastosowano popularną ładowarkę MCP73832 o prądzie ładowania ustalanym przez R8 zgodnie z zależnością Ichg= 1000/R8. W modelu jest to ok. 150 mA. Akumulator należy podłączyć do złącza VBAT. Status ładowarki (CHG) dostępny jest na wyjściu STAT typu OD – stan niski sygnalizuje aktywne ładowanie. Model współpracuje z akumulatorem 18650 z wbudowanym PCM o pojemności ok. 1,8 Ah.

UWAGA: układ bezwzględnie wymaga stosowania akumulatora litowego z napięciem końcowym 4,2 V oraz wbudowanym układem zabezpieczenia PCM/BMS. Zabronione jest używanie akumulatorów/cel bez układu zabezpieczającego. Podczas pracy należy stosować ogólne zasady bezpieczeństwa zalecane dla ogniw litowych.

Na złącze UPS wyprowadzone są napięcia zasilania (wejściowe i wyjściowe) oraz sygnały monitorowania. W zależności od potrzeb można używać tylko złącza UPS (jeśli układ zasilany będzie miał możliwość korzystania z sygnałów PWR, PG5, CHG). Jeżeli nie używamy sygnałów kontrolnych, wygodniej jest skorzystać ze złączy śrubowych VIN/VOUT. Zmierzona sprawność układu w normalnych warunkach (Iobc=50...500 mA) przekracza 80%.

Układ zmontowany jest na dwustronnej płytce drukowanej, rozmieszczenie elementów pokazano na rysunku 3.

Rysunek 3. Rozmieszczenie elementów

Montaż układu nie wymaga dokładnego opisu, należy zadbać jednak o poprawne przylutowanie padów termicznych i o dokładne umycie płytki po lutowaniu. Prawidłowo zmontowany moduł zaprezentowano na fotografii tytułowej.

Pierwsze uruchomienie warto przeprowadzić z użyciem regulowanego zasilacza laboratoryjnego z ograniczeniem prądowym 0...6 V/1,5 A. Do wyjścia VOUT należy podłączyć sztuczne obciążenie z ustawionym poborem na 500 mA. Przy wyłączonym obciążeniu i po podaniu napięcia zasilania należy sprawdzić napięcie ładowania akumulatora 4,2 V na złączu BAT oraz napięcie wyjściowe 5 V na wyjściu VOUT. Przy zmianie napięcia zasilania w zakresie 4,5...5,5 V oba napięcia powinny być stabilne, zarówno bez obciążenia podłączonego do wyjścia VOUT, jak i pod obciążeniem. Następnie do złącza VBAT podłączamy (poprzez amperomierz) akumulator i sprawdzamy prąd ładowania, który powinien wynosić ok. 150 mA. Po naładowaniu akumulatora odłączamy napięcie zasilania oraz sprawdzamy poprawność utrzymywania napięcia wyjściowego przy zasilaniu z akumulatora – w warunkach bez obciążenia i pod obciążeniem.

Podczas kolejnych etapów warto kontrolować stany sygnałów monitorujących, pamiętając o podciągnięciu wyjść typu OD. Jeżeli wszystko działa poprawnie, układ można zastosować we własnej aplikacji.

Należy pamiętać, że układ przeznaczony jest do pracy ciągłej, w związku z czym nie ma wyłącznika zasilania i akumulatora. Przy podłączonym akumulatorze oraz braku napięcia zasilającego automatycznie uruchomiana jest przetwornica podwyższająca. Po powrocie zasilania konieczne będzie odczekanie czasu niezbędnego do pełnego naładowania akumulatora. W przypadku planowanych przerw w eksploatacji należy trwale odłączyć akumulator.

Adam Tatuś, EP

Wykaz elementów:
Rezystory: (SMD 0603, 1%)
  • R1: 6,8 kΩ (dobór prądu ładowania – patrz tekst)
  • R2: 10 kΩ
Kondensatory:
  • C1, C7, C8: 4,7 μF (SMD 0603, X5R, 10 V)
  • C2, C4...C6: 22 μF (SMD 0805, X5R, 10 V)
  • C3: 100 nF (SMD 0603, X5R, 50 V)
  • CE1, CE2: 47 μF (elektrolityczny fi=5 mm)
Półprzewodniki:
  • LD1: dioda LED (SMD 0603)
  • U1: LM66200DRL (SOT-5X3)
  • U2: TPS63061DSC (WSON10)
  • U3: MCP73832T-2ACI (SOT-23-5)
Pozostałe:
  • L1: dławik SMD (typ DJNR4018-1R0)
  • UPS: złącze PH2 SMD 7 pin
  • VBAT: złącze PH2 SMD 2 pin
  • VIN, VOUT: złącze śrubowe DG 3,5 mm (DG381-3.5-2)
Artykuł ukazał się w
Elektronika Praktyczna
wrzesień 2024
DO POBRANIA
Materiały dodatkowe
Elektronika Praktyczna Plus lipiec - grudzień 2012

Elektronika Praktyczna Plus

Monograficzne wydania specjalne

Elektronik listopad 2025

Elektronik

Magazyn elektroniki profesjonalnej

Raspberry Pi 2015

Raspberry Pi

Wykorzystaj wszystkie możliwości wyjątkowego minikomputera

Świat Radio listopad - grudzień 2025

Świat Radio

Magazyn krótkofalowców i amatorów CB

Automatyka, Podzespoły, Aplikacje listopad - grudzień 2025

Automatyka, Podzespoły, Aplikacje

Technika i rynek systemów automatyki

Elektronika Praktyczna listopad 2025

Elektronika Praktyczna

Międzynarodowy magazyn elektroników konstruktorów

Elektronika dla Wszystkich grudzień 2025

Elektronika dla Wszystkich

Interesująca elektronika dla pasjonatów