Zasilacz PoE 5/12 V 30 W

Zasilacz PoE 5/12 V 30 W

Zasilacz umożliwia zastosowanie standardu 802.3at (PoE+) w celu uzupełnienia lub rozbudowy urządzeń korzystających z interfejsu Ethernet, a niewyposażonych w funkcję zasilania. Dostarcza napięcia 5 V/2,5 A i 12 V/2 A o sumarycznej mocy 24 W (szczytowo 30 W), co poszerza zakres zastosowań i ułatwia dostarczanie energii do urządzeń zawierających logikę 5-woltową oraz obwody sterowane, np. jak przekaźniki zasilane z 12 V lub dyski HDD. Zasilacz wyposażony został w gniazda obejściowe do transmisji Ethernet100M, co rozwiązuje jednocześnie dwa problemy: z zasilaniem i i transmisją danych do urządzenia.

Podstawowe parametry:
  • Dwa wyjścia stałonapięciowe: 12 V/2 A oraz 5 V/2,5 A
  • Łączna moc wyjściowa: 24 W (ciągła)/30 W (szczytowa)
  • Sprawność głównej przetwornicy 12 V: 89%
  • Możliwa regulacja napięcia pierwszego stopnia układu w zakresie 10,8 V...12,8 V
  • Konstrukcja oparta na module Ag5712
  • Zdublowane gniazda RJ45, zapewniające łatwą rozbudowę sieci przy jednoczesnym korzystaniu z funkcjonalności PoE i transmisji LAN
  • Wbudowane wskaźniki obecności napięcia na obu wyjściach (2×LED SMD)

Układ bazuje na module Ag5712 Silvertel, którego budowę wewnętrzną przedstawiono na rysunku 1.

Rysunek 1. Schemat blokowy Ag5712 (za notą Silvertel)

Ag5712 pozwala spełnić wymogi IEEE802.3 PoE, przy utrzymaniu pełnej kompatybilności z IEEE802.3bt, IEEE802.3at i IEEE802.3af. Ag5712 jest wstępnie skonfigurowany jako urządzenie typu 2 klasy 4, umożliwia pobieranie do 30 W mocy z PSE, przy nominalnym napięciu wyjściowym 12 V i sprawności do 89%. Wbudowana przetwornica zabezpieczona została przed przeciążeniem oraz zwarciem wyjścia, a także przegrzaniem.

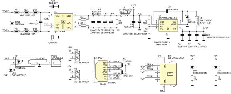
Schemat zasilacza przedstawiono na rysunku 2. Zasilanie z routera, switcha lub inżektora PoE+ wraz z sygnałami transmisji doprowadzone jest typowym okablowaniem Cat5 do gniazda ETHPoE. Same przebiegi cyfrowe nie podlegają żadnym modyfikacjom i są bezpośrednio wyprowadzone na gniazdo ETH, które należy połączyć z interfejsem sieciowym urządzenia (lub pozostawić niepodłączone, jeżeli używamy tylko trybu zasilania). Modułowe gniazdo ETHPoE typu WE 7498210002 wyposażone jest w transformatory separacyjne dla kanałów transmisji RX/TX oraz dwa mostki prostownicze umożliwiające zastosowanie obu schematów transmisji zasilania, zarówno przez pary sygnałowe, jak i przez pary niewykorzystane w interfejsie 100M. Zasilanie z PoE+ – po zabezpieczeniu przez transil TVS1 i dodatkowej filtracji zakłóceń poprzez FB1...FB6 – doprowadzone zostaje do modułu PS. Wyjście T2D służy do sygnalizacji typu współpracującego PSE. Jeżeli moduł podłączony został do PSE zgodnego z PoE+, T2D ustawiane jest w stan niski (co sygnalizuje tym samym dostępność pełnej mocy modułu). Transoptor IS1 separuje sygnał od potencjału pierwotnej strony przetwornicy, zaś dioda LD3 sygnalizuje zgodność z PoE+. Jeżeli PSE jest niezgodne z PoE+, wówczas wyjście T2D ustawiane zostaje w stan wysoki, jednocześnie informując współpracujący układ o ograniczeniu dostępnej mocy do 12 W. Sygnał POEG dostępny jest na złączu PoEG. Rezystory RN, RP służą do korekcji napięcia wyjściowego przetwornicy, zgodnie z notą aplikacyjną.

Rysunek 2. Schemat ideowy zasilacza

Wlutowując rezystor RN=68 kΩ, obniżamy napięcie przetwornicy do 10,8 V, natomiast wlutowując zworę w miejsce RP – podnosimy napięcie wyjściowe do 12,8 V.

Napięcie wyjściowe 12 V – po dodatkowej filtracji za pomocą elementów CE1...3, L1, C4 – doprowadzone jest do złącza V12, a dioda LD1 sygnalizuje jego obecność na zaciskach wspomnianego gniazda śrubowego. W celu uzyskania napięcia 5 V zastosowana została przetwornica obniżająca U1 typu ADP2303-5, której napięcie wyjściowe dostępne jest na złączu V5, a jego obecność sygnalizuje dioda LD2.

Zasilacz zmontowano na dwustronnej płytce drukowanej, a rozmieszczenie elementów przedstawiono na rysunku 3. Montaż nie wymaga opisu, kondensatory C9, C10 nie są lutowane.

Rysunek 3. Rozmieszczenie elementów modułu

Zmontowany moduł prezentuje fotografia 1.

Fotografia 1. Zmontowany moduł
UWAGA: w module przetwornicy występują napięcia do 60 V, należy zachować szczególną ostrożność podczas uruchamiania układu. W celu zwiększenia bezpieczeństwa polecamy dodatkowo zabezpieczyć moduł przekładką lub taśmą izolacyjną.

Moduł nie wymaga uruchamiania – po podłączeniu do PSE PoE+ należy jedynie sprawdzić obecność napięć 5 V i 12 V sygnalizowanych przez LD1/2, podczas gdy LD3 sygnalizuje zasilanie z PoE+. Należy pamiętać o sumarycznej obciążalności maksymalnej zasilacza wynoszącej 24 W (szczytowo 30 W). W każdym przypadku trzeba zapewnić odpowiednie chłodzenie modułu oraz – przy pracy z obciążeniem zbliżonym do granicznego – zapewnić cyrkulację powietrza. Każdorazowo zalecane jest wykorzystanie sygnału PoEG do ograniczania poboru mocy urządzeniu docelowym, aby zapewnić niezawodną współpracę także z PSE o mniejszej mocy (standard PoE af).

Jeżeli wszystko pracuje poprawnie, moduł można wykorzystać we własnej aplikacji.

Adam Tatuś, EP

Wykaz elementów:
Rezystory: (1%)
  • R1, Rx: 680 Ω (SMD 1206)
  • R2: 680 kΩ (SMD 0603)
  • R3: 100 kΩ (SMD 0603)
  • R4: 22 kΩ (SMD 0603)
  • R5: 10 kΩ (SMD 0603)
  • RN, RP: opis w tekście (SMD 0603)
Kondensatory:
  • C1: 10 nF/100 V (SMD 0805, X7R)
  • C2...C4: 10 μF/25 V (SMD 0805, X7R)
  • C5, C8...C10: 100 nF/50 V (SMD 0603, X7R)
  • C6, C7: 22 μF/10 V (SMD 0805, X7R)
  • CE1...CE3: 220 μF/25 V elektrolityczny (typ EEUFM1E221, low ESR, D=8 mm, P= 3,5 mm)
  • CE4: 100 μF/25 V elektrolityczny (typ EEUFM1E101, low ESR D=6,3 mm, P= 2,5 mm)
  • Cx: 2,2 nF/1 kV (SMD 1206, X7R)
  • Cx1: 10 nF/2 kV (SMD 1812, X7R)
  • Cx2: 4,7 nF/2 kV (SMD 1812, X7R)
Półprzewodniki:
  • D1: dioda Schottky’ego 40 V/3 A SSB43L (SMB)
  • LD1...LD3: dioda LED OSG50603C1E (SMD 0603)
  • TVS1: transil 600 W SM6T56A (SMB)
  • IS1: transoptor TCMT1100 (SSOP4)
  • U1: ADP2303ARDZ-5.0 (SO-8)
Pozostałe:
  • FB1...FB6: dławik ferrytowy 1000 Ω @ 100 MHz 0,3 Ω 0,5 A, typ MMZ2012S102A (SMD 0805)
  • L1: dławik ferrytowy 3,3 μH/32 mΩ 4,1 A, typ 74437336033
  • L2: dławik ferrytowy 4,7 μH/19,7 mΩ 7,2 A, typ 74437358047
  • ETH: złącze RJ45 8P8C, typ MTJ-88GX1-FSD
  • ETHPoE: złącze RJ45 PoE + WE-RJ45 LAN PoE + transformator, typ 7498210002
  • PoEG: złącze JST THT PH 2,00 mm 2-pin, typ S2B-PH-K-S
  • PS: przetwornica PoE+ Silvertel 12 V/24 W(30 W), typ Ag5712LPB
  • V5, V12: złącze 5,00 mm 2-pin, typ Degson DG126-5.0-02P
Artykuł ukazał się w
Elektronika Praktyczna
marzec 2024
Elektronika Praktyczna Plus lipiec - grudzień 2012

Elektronika Praktyczna Plus

Monograficzne wydania specjalne

Elektronik listopad 2025

Elektronik

Magazyn elektroniki profesjonalnej

Raspberry Pi 2015

Raspberry Pi

Wykorzystaj wszystkie możliwości wyjątkowego minikomputera

Świat Radio listopad - grudzień 2025

Świat Radio

Magazyn krótkofalowców i amatorów CB

Automatyka, Podzespoły, Aplikacje listopad - grudzień 2025

Automatyka, Podzespoły, Aplikacje

Technika i rynek systemów automatyki

Elektronika Praktyczna listopad 2025

Elektronika Praktyczna

Międzynarodowy magazyn elektroników konstruktorów

Elektronika dla Wszystkich grudzień 2025

Elektronika dla Wszystkich

Interesująca elektronika dla pasjonatów