Sygnalizator napełnienia wanny

Sygnalizator napełnienia wanny

Kąpiel w wannie to wspaniała forma relaksu! Wystarczy zatkać odpływ i odkręcić kran. Ale kiedy zakręcić kran tak, żeby niepotrzebnie nie wylewać wody przez przelew zainstalowany w wannie? Przychodzić co chwilę? Przecież mamy XXI wiek, zostawmy to elektronice!

Podstawowe parametry:
  • sygnalizacja osiągnięcia ustalonego poziomu wody,
  • specjalizowany czujnik bezdotykowy, montowany po zewnętrznej stronie wanny,
  • sygnalizacja świetlna, dźwiękowa lub obie jednocześnie,
  • regulacja czułości sensora jednym przyciskiem,
  • maksymalna odległość między czujnikiem a cieczą: 13 mm,
  • rozpoczęcie czuwania po naciśnięciu przycisku stykowego, membranowego lub aktywowaniu czujnika zbliżeniowego,
  • wyjścia przeznaczone do sterowania taśmą diod LED oraz przetwornikiem piezoelektrycznym (bez generatora),
  • zasilanie napięciem stałym z przedziału 9…24 V, typowo 12 V.

Zaprezentowany układ działa jak stróż siedzący przy napełniającej się wannie - po rozpoczęciu czuwania zasygnalizuje nam osiągnięcie zadanego poziomu wody. Kiedy przyjdziemy do łazienki, trzeba go odwołać i na tym jego rola się kończy. Rozwiązanie proste, a jakże wygodne! W ten sposób wody nie będzie ani za dużo, ani też zbyt mało, tylko zgodnie z naszymi upodobaniami.

Gdzie jeszcze może się takie urządzenie przydać? Wszędzie tam, gdzie woda jest nalewana do naczynia wykonanego z tworzywa sztucznego lub innego, które nie przewodzi prądu elektrycznego. Może to być sygnalizator napełnienia plastikowej beczki albo dziecięcego basenu - możliwości jest wiele!

Dużą zaletą tego układu jest zastosowanie gotowego modułu do bezkontaktowej detekcji poziomu cieczy. Nie trzeba wiercić w wannie jakichkolwiek otworów, nie będą nam przeszkadzały pływaki, nie trzeba też martwić się o korozję metalowych płytek zanurzanych w wodzie. Plastikową puszeczkę, szczelnie zamkniętą przez jej producenta, przykleja się od zewnętrznej strony wanny (pod jej obudową) i gotowe! Jest jeden warunek - wanna nie może być metalowa. Ceramika, akryl, szkło, tworzywa sztuczne i inne nieprzewodzące materiały są jak najbardziej dopuszczalne.

Budowa i działanie

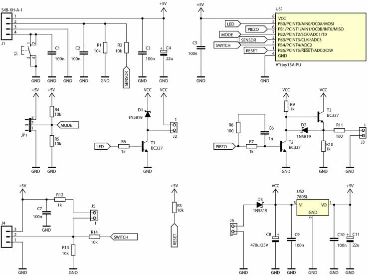
Schemat ideowy omawianego regulatora znajduje się na rysunku 1. Główną rolę odgrywa w nim mikrokontroler ATtiny13, którego parametry są wystarczające do pracy w tym urządzeniu.

Rysunek 1. Schemat ideowy sygnalizatora napełnienia wanny

Jednak mikrokontroler nie potrafi rozpoznawać poziomu wody w wannie, dlatego na fotografii 1 można zobaczyć czujnik typu XKC-Y25-T12V, który został zastosowany w tym projekcie. To mały, plastikowy walec o średnicy 28 mm w najszerszym miejscu i wysokości 17 mm, który zawiera w środku czujnik poziomu cieczy z wyjściem bistabilnym. Działa na zasadzie wykrywania pojemności elektrycznej wody - im bliżej jest lustro wody, tym wyższa jest ta pojemność.

Fotografia 1. Czujnik XKC-Y25-T12V użyty w projekcie

Dioda LED znajdująca się na obudowie tego czujnika służy do sygnalizacji poziomu czułości - można wybrać jeden z czterech, oraz informuje o detekcji cieczy. Co istotne, producent deklaruje szczelność tego podzespołu na poziomie IP67, więc jest wręcz stworzony do pracy blisko wody i innych substancji ciekłych.

Komunikacja z tym czujnikiem odbywa się poprzez złącze J1. Przycisk S1 służy do ustawiania czułości, kondensator C1 eliminuje wpływ drgania jego styków. Wyjście czujnika jest obciążone rezystorem R1 oraz kondensatorem C2, co zmniejsza możliwość wywołania fałszywego alarmu przez zakłócenia elektromagnetyczne. Gdyby jednak napięcie na tej linii wzrosło powyżej napięcia zasilającego (5 V), to rezystor R2 ograniczy prąd płynący przez wejście mikrokontrolera. Kondensatory C3 i C4 filtrują napięcie zasilające czujnik.

Jak wykazały testy, napięcie na rezystorze R2 w momencie wykrycia wody wynosi około 1,7 V. To za mało, by mikrokontroler z serii ATtiny uznał to za logiczną wartość "1", gdyż wymaga wtedy od 70% napięcia zasilającego, czyli w tym wypadku 3,5 V. Dlatego do wykrywania sygnału z czujnika został użyty przetwornik analogowo-cyfrowy, który cyklicznie mierzy to napięcie i porównuje z zadanym progiem, który z kolei został programowo ustalony na 0,5 V.

Przetwornik ADC jest potrzebny również do odczytu stanu zworki JP1, służącej do wyboru rodzaju sygnalizacji zakończenia napełniania. Zwarte wyprowadzenia 1 i 2 dają stan niski (okolice 0 V), zwarcie 2 i 3 to stan wysoki (5 V), zaś brak zworki to potencjał około 2,5 V, co wymuszają rezystory R4 i R5.

Taśmę LED bądź inny przyrząd świecący można podłączyć do zacisków złącza J2. Nasycenie tranzystora T1 powoduje załączenie tego odbiornika. Dioda D1 nie jest formalnie potrzebna, lecz chroni tranzystor T1 przed zniszczeniem, w razie gdyby wyłączane obciążenie miało charakter indukcyjny - powstający wtedy impuls wysokiego napięcia może zniszczyć ten element aktywny. Może się tak zdarzyć w sytuacji podłączenia cewki przekaźnika elektromagnetycznego lub użycia bardzo długich przewodów połączeniowych.

Sygnalizację dźwiękową realizuje przetwornik piezoelektryczny bez generatora, ponieważ można go lepiej odizolować od wpływu wody, jak również jego dźwięk może się w ten sposób odróżniać od innych sygnalizatorów w domu. Aby go dobrze wysterować, trzeba przyłożyć do jego elektrod napięcie zmienne o możliwie wysokiej amplitudzie. Sygnał PWM z wyjścia mikrokontrolera ma wartość międzyszczytową równą 5 V, jego wydajność prądowa jest niezbyt wysoka, więc również wymaga wzmocnienia. Do zwiększenia amplitudy służy układ tranzystorowego klucza nasyconego z tranzystorem T2, którego prąd bazy jest ograniczany nie tylko przez rezystor R7, lecz w chwili przełączenia dokłada się do niego równolegle rezystor R8. To za sprawą C6, który nie nadąża się przeładowywać w chwili wystąpienia zbocza (narastającego lub opadającego). Obciążeniem kolektora T2 jest rezystor R9.

Mamy już sygnał o wyższej wartości międzyszczytowej. Warto zmniejszyć rezystancję wyjściową takiego wyjścia, aby sprawniej przeładowywać relatywnie wysoką pojemność przetwornika piezoelektrycznego. Wtórnik napięciowy na tranzystorze T3 przyspiesza ładowanie pojemności przetwornika, natomiast tranzystor T2 (za pośrednictwem diody D2) ją rozładowuje. Gdyby nie D2, mogłoby dochodzić do wstecznego przebicia złącza baza-emiter w tranzystorze T2, co samo w sobie nie jest groźnym zjawiskiem, lecz odbywa się przy zdecydowanie wyższym napięciu zaporowym (około 5 V), niż wynosi napięcie przewodzenia D2 (około 0,3 V). Rezystor R10 jest obciążeniem emitera tranzystora T3, natomiast R11 ogranicza natężenie prądu płynącego przez przetwornik.

Rozpoczęcie i zakończenie nadzorowania poziomu wody w wannie odbywa się po naciśnięciu przycisku (stykowego lub innego, na przykład membranowego) podłączonego do zacisków złącza J5. Włączony szeregowo z nim rezystor R12 ogranicza prąd do około 5 mA, przez co nie dojdzie do zniszczenia układu, gdyby przewody prowadzące do złącza J5 uległy zwarciu z masą zasilania.

Można jednak użyć gotowego modułu sensora zbliżeniowego, który daje na swoim wyjściu stan wysoki po wykryciu obecności palca w jego pobliżu. Dla takiego urządzenia zostało przewidziane złącze J4, na którym dostępne jest zasilanie 5 V. C7 wstępnie filtruje zasilanie dla tego modułu, R13 obciąża jego wyjście i ustala potencjał na 0 V. R14 służy do ochrony delikatnego wejścia mikrokontrolera w razie zaindukowania się w przewodach wysokiego napięcia, na przykład od zakłóceń elektromagnetycznych.

Napięcie zasilające układ należy podłączyć do zacisków złącza J6. Gdyby nastąpiła pomyłka w polaryzacji, dioda D3 odetnie przepływ prądu przez wszystkie obwody układu. Stabilizator liniowy typu 78L05 dostarcza stabilizowanego napięcia o wartości 5 V do zasilania mikrokontrolera i czujników.

Montaż i uruchomienie

Układ został zmontowany na jednostronnej płytce drukowanej o wymiarach 70×40 mm. Jej schemat pokazano na rysunku 2. W odległości 3 mm od krawędzi płytki znalazły się otwory montażowe, każdy o średnicy 3,2 mm.

Rysunek 2. Schemat płytki PCB

Montaż proponuję rozpocząć od elementów o najmniejszej wysokości obudowy, czyli diod i rezystorów. Pod mikrokontroler US1 warto zastosować ośmiopinową podstawkę, aby łatwiej było go programować oraz wymienić w razie ewentualnego uszkodzenia. Jako złącze J1 w spisie części widnieje S4B-XH-A-1 - jest to złącze przeznaczone do czujnika XKC-Y25-T12V, lecz w razie jego braku można użyć zwykłego złącza goldpin 4 pin kątowego męskiego w rastrze 2,54 mm. Zmontowana płytka jest widoczna na fotografii tytułowej.

W ramach czynności uruchomieniowych należy ustawić bity zabezpieczające mikrokontrolera ATtiny13:

Low Fuse = 0x7A
High Fuse = 0xF9

Spowoduje to wyłączenie wbudowanego dzielnika częstotliwości sygnału zegarowego przez 8 oraz uruchomienie obwodu Brown-Out Detector, który będzie monitorował napięcie zasilające mikrokontroler i wyłączy go, jeżeli napięcie zasilania spadnie poniżej 4,3 V. Szczegóły znajdują się na rysunku 3. Trzeba również zaprogramować pamięć Flash dostarczonym wsadem w postaci pliku Intel HEX.

Rysunek 3. Okna konfiguracji bitów zabezpieczających programu BitBurner

Zasilanie układu powinno odbywać się napięciem stałym o wartości około 12 V, a dokładniej z przedziału 9…24 V. Obie te granice wynikają z konieczności zapewnienia prawidłowych warunków pracy dla stabilizatora napięcia US2 oraz kondensatora C8. Ponieważ tym samym napięciem będzie zasilana taśma LED, używana przez układ do sygnalizacji, proponuję użycie napięcia 12 V - typowego dla gotowych taśm. Pobór prądu przez układ wynosi około 10 mA i wzrasta do około 25 mA przy sygnalizacji samym dźwiękiem. Dobierając zasilacz do tego układu, należy również mieć na uwadze prąd pobierany przez taśmę (o dowolnej barwie świecenia), którego natężenie nie może przekroczyć około 300 mA - ten z kolei limit wynika z faktu utrzymania tranzystora T1 w stanie nasycenia przy prądzie bazy około 4 mA. Taśmę podłącza się do zacisków złącza J2.

Podczas montażu układu należy przewidzieć miejsce zarówno na samą płytkę drukowaną, jak i na czujnik XKC-Y25-T12V. Należy go przykleić od zewnętrznej strony wanny wykonanej z akrylu lub innego nieprzewodzącego materiału tak, jak pokazano na rysunku 4. Klej powinien zapewniać dobre przyleganie czujnika, a jego warstwa winna być możliwie cienka. Czujnik należy umieścić na żądanej wysokości lustra wody w wannie lub nieco wyżej - opis dalej.

Rysunek 4. Sposób montażu czujnika

W układzie prototypowym zastosowano przetwornik piezoelektryczny typu KPR 2310-3, który można znaleźć w ofercie sklepu AVT. Jest obudowany osłoną z tworzywa sztucznego, która ułatwia jego przykręcenie w dyskretnym miejscu, ale to nie jedyna jego zaleta. Producent deklaruje częstotliwość rezonansową tego przetwornika na poziomie 4,8 kHz, a to dokładnie pokrywa się z częstotliwością sygnału generowanego przez mikrokontroler do sterowania tymże przetwornikiem. Praca w rezonansie (bądź jego pobliżu) zapewnia najwyższą głośność, dlatego ten typ przetwornika został wybrany do tego układu, choć nic nie stoi na przeszkodzie, by zastosować inny, godząc się na ewentualne zmniejszenie poziomu głośności. Do podłączenia przetwornika przewidziano na płytce złącze J3.

Na etapie montażu sygnalizatora napełnienia wanny należy uwzględnić również przycisk rozpoczynający i kończący jego pracę. Może to być zwykły przełącznik monostabilny chwilowy, na przykład W12F11/S ze sklepu AVT lub przycisk membranowy, znacznie bardziej dyskretny. Te przyciski podłącza się do zacisków złącza J5. Jeżeli jednak ktoś chciałby ukryć przycisk całkowicie pod obudową wanny, warto skorzystać z modułu czujnika dotykowego, na przykład ARD-7659 (również ze sklepu AVT) i podłączyć go do złącza J4.

Po włączeniu zasilania należy ustawić czułość sensora poziomu wody XKC-Y25-T12V. W tym celu należy napełnić wannę do żądanej objętości i, używając przycisku S1, dokonać regulacji. Każdorazowe naciśnięcie tego przycisku jest potwierdzane przez miganie diody na obudowie sensora: jedno mignięcie oznacza najniższą czułość, cztery mignięcia - najwyższą. Parametr ten jest zapamiętywany po wyłączeniu zasilania. Wykrycie wody jest sygnalizowane ciągłym świeceniem diody, więc należy ustawić taką czułość i taką wysokość czujnika, aby woda w wannie była przezeń rejestrowana. Należy jeszcze zworką JP1 ustawić żądany rodzaj sygnalizacji napełnienia:

  • zwarte wyprowadzenia 1-2: tylko świetlna;
  • zwarte wyprowadzenia 2-3: tylko dźwiękowa;
  • brak zworki na JP1: świetlna i dźwiękowa jednocześnie.

Dalsze czynności regulacyjne nie są potrzebne, układ może przystąpić do pracy. Rozpoczęcie czuwania jest możliwe po jednokrotnym wciśnięciu zewnętrznego przycisku (zwiernego lub zbliżeniowego, dołączonego do złącza odpowiednio J4 lub J5), co układ oznajmia krótkim piśnięciem oraz mignięciem listwą LED jednocześnie, niezależnie od ustawienia zworki JP1. Poziom wody w wannie musi być na tyle niski, aby sensor nie był aktywny (nie świeci się dioda na jego obudowie).

Układ czeka tak długo, aż nie zgłosi się sensor poziomu wody, nie ma tutaj limitu czasowego. Kiedy zasygnalizuje on obecność wody, rozpoczyna się sygnalizacja dźwiękiem i/lub światłem, zależy, co użytkownik wybrał zworką JP1. Listwa LED świeci się wówczas jednostajnie, a przetwornik piezoelektryczny wydaje z siebie przerywany, ostry dźwięk. Człowiek musi wtedy dwa razy, w odstępie nie dłuższym niż 2 s, wcisnąć zewnętrzny przycisk. Wtedy sygnalizacja wyłącza się i układ wraca do stanu czuwania. Będzie w nim tak długo, aż zostanie opróżniona wanna i ponownie wciśnięty zewnętrzny przycisk.

Michał Kurzela, EP

Wykaz elementów:
Rezystory: (wszystkie o mocy 0,25 W)
  • R1…R5, R13, R14: 10 kΩ
  • R6, R7, R9, R10, R12: 1 kΩ
  • R8, R11: 100 Ω
Kondensatory:
  • C1…C3, C5, C7, C9, C10: 100 nF raster 5 mm MKT
  • C4, C11: 22 μF 25 V raster 2,5 mm
  • C6: 1 μF raster 5 mm MKT
  • C8: 470 μF 25 V raster 3,5 mm
Półprzewodniki:
  • D1…D3: 1N5819
  • T1…T3: BC337
  • US1: ATtiny13-PU (DIP8)
  • US2: 78L05 (TO92)
Pozostałe:
  • J1: S4B-XH-A-1 (opis w tekście)
  • J2, J3, J5, J6: ARK2/500
  • J4: goldpin 3 pin męski 2,54 mm kątowy THT
  • JP1: goldpin 3 pin męski 2,54 mm THT + zworka
  • S1: microswitch 6×6 6 mm
  • Jedna podstawka DIP8
  • Czujnik XKC-Y25-T12V (opis w tekście)
  • Przetwornik piezoelektryczny bez generatora KPR 2310-3 (opis w tekście)
  • Taśma LED 12 V (opis w tekście)
  • Przełącznik monostabilny NO: stykowy, monostabilny lub dotykowy (opis w tekście)
Artykuł ukazał się w
Elektronika Praktyczna
grudzień 2023
DO POBRANIA
Materiały dodatkowe
Elektronika Praktyczna Plus lipiec - grudzień 2012

Elektronika Praktyczna Plus

Monograficzne wydania specjalne

Elektronik listopad 2025

Elektronik

Magazyn elektroniki profesjonalnej

Raspberry Pi 2015

Raspberry Pi

Wykorzystaj wszystkie możliwości wyjątkowego minikomputera

Świat Radio listopad - grudzień 2025

Świat Radio

Magazyn krótkofalowców i amatorów CB

Automatyka, Podzespoły, Aplikacje listopad - grudzień 2025

Automatyka, Podzespoły, Aplikacje

Technika i rynek systemów automatyki

Elektronika Praktyczna listopad 2025

Elektronika Praktyczna

Międzynarodowy magazyn elektroników konstruktorów

Elektronika dla Wszystkich grudzień 2025

Elektronika dla Wszystkich

Interesująca elektronika dla pasjonatów