Mikrowzmacniacz mocy 20 W na układzie PAM8320

Mikrowzmacniacz mocy 20 W na układzie PAM8320

Zaprezentowany minimoduł jest kompletnym wzmacniaczem średniej mocy audio pracującym w klasie D. Wzmacniacz może posłużyć do realizacji mobilnych systemów nagłośnieniowych, może pracować samodzielnie np. jako wzmacniacz do systemu PC-audio lub jako zamiennik uszkodzonych i niedostępnych wzmacniaczy niewielkiej mocy w serwisowanych sprzętach RTV.

Podstawowe parametry:
  • bazuje na układzie PAM8320,
  • jest wyposażony w typowe zabezpieczenia chroniące przed uszkodzeniem,
  • dysponuje mocą do 20 W/4 Ω przy typowym zasilaniu 12 V,
  • zasilanie z zakresu 4,5...15 V,
  • w standardowych zastosowaniach nie wymaga użycia radiatora.

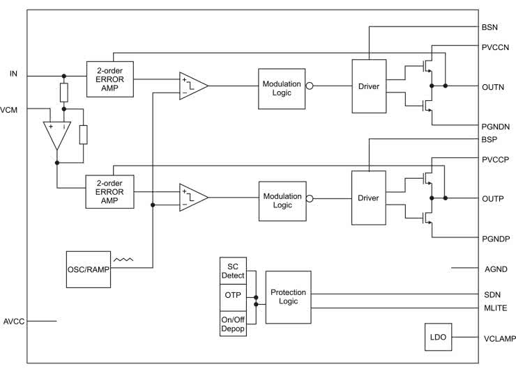
Układ PAM8320 jest monofoniczną końcówką mocy pracującą w konfiguracji mostkowej, wyposażoną w zabezpieczenia chroniące przed uszkodzeniem. PAM8320 pracuje poprawnie w szerokim zakresie napięć zasilania 4,5...15 V, współpracując z obciążeniem 4 Ω. W zależności od obciążenia i zasilania dysponuje mocą do 20 W/4 Ω przy typowym zasilaniu 12 V. W przypadku wzmacniania sygnałów muzycznych, ze względu na wysoką sprawność, układ nie wymaga stosowania radiatora, do odprowadzania ciepła - wystarczy miedź płytki drukowanej. Budowę wewnętrzną układu pokazano na rysunku 1.

Rysunek 1. Budowa wewnętrzna PAM8320

Budowa i działanie

Schemat układu wzmacniacza pokazano na rysunku 2. Aplikacja nie odbiega od noty katalogowej Diodes Inc. Sygnał wejściowy doprowadzony jest do złącza IN, rezystor R4 umożliwia korekcję wzmocnienia układu (w modelu wynosi 15 dB), kondensator C13 separuje składową stałą i określa dolne pasmo przenoszenia.

Rysunek 2. Schemat ideowy wzmacniacza

Wyjścia mostka doprowadzone są poprzez filtr FB1, FB2/C9, 10 do zacisków wyjściowych OUT. PAM8320 ma wyprowadzenie sterujące trybem obniżonego poboru mocy SDN, aktywowane stanem niskim oraz wyprowadzenie wyciszania MUTE, aktywowane stanem wysokim. Oba sygnały sterują układem bez dodatkowych zakłóceń podczas wyciszania lub zmiany trybu obniżonego poboru mocy. Sygnały SND/MUTE wraz z zasilaniem AVCC doprowadzone są do złącza CTRL i umożliwiają sterowanie trybem pracy końcówki mocy.

Zasilanie układu PVCC z zakresu 4,5...15 V (typowo 12 V) doprowadzone jest przez złącze PWR i filtrowane poprzez CE1/2, C1...4.

Montaż i uruchomienie

Wzmacniacz zmontowany jest na miniaturowej dwustronnej płytce drukowanej, której schemat został pokazany na rysunku 3.

Rysunek 3. Schemat płytki PCB

Układ zmontowany ze sprawdzonych elementów działa po włączeniu zasilania i podaniu stanu wysokiego na wyprowadzenie SHDN złącza CTRL oraz stanu niskiego na wyprowadzenie MUTE (np. po zwarciu zworą AVCC z SHDN i MUTE z GND). Przyjemnego odsłuchu…

Adam Tatuś, EP

Wykaz elementów:
Rezystory:
  • R1: 10 Ω 0,25 W (SMD1206)
  • R2, R3, R4: 10 kΩ 1% (SMD0603)
Kondensatory:
  • C1, C5, C6: 10 μF/25 V ceramiczny (SMD1206)
  • CE1, CE2: 470 μF elektrolityczny Low ESR (CED10.0P5.0)
  • C2, C3, C4: 0,1 μF/25 V ceramiczny (SMD0603)
  • C7, C8, C11, C12, C13: 1 μF/25 V, ceramiczny (SMD0603)
  • C9, C10: 10 nF/25 V ceramiczny (SMD0603)
Półprzewodniki:
  • U1: PAM8320RDR (SO-16EP)
Pozostałe:
  • CTRL: złącze SIP4
  • FB1, FB2: dławik ferrytowy BLM31KN471S1L (SMD1206)
  • IN: CONN złącze śrubowe DG 2 piny, 3,5 mm (DG381-3.5-2)
  • OUT, PWR: złącze śrubowe DG 2 piny, 5,0 mm (DG126-5.0-2)
Artykuł ukazał się w
Elektronika Praktyczna
listopad 2023
DO POBRANIA
Materiały dodatkowe
Elektronika Praktyczna Plus lipiec - grudzień 2012

Elektronika Praktyczna Plus

Monograficzne wydania specjalne

Elektronik listopad 2025

Elektronik

Magazyn elektroniki profesjonalnej

Raspberry Pi 2015

Raspberry Pi

Wykorzystaj wszystkie możliwości wyjątkowego minikomputera

Świat Radio listopad - grudzień 2025

Świat Radio

Magazyn krótkofalowców i amatorów CB

Automatyka, Podzespoły, Aplikacje listopad - grudzień 2025

Automatyka, Podzespoły, Aplikacje

Technika i rynek systemów automatyki

Elektronika Praktyczna listopad 2025

Elektronika Praktyczna

Międzynarodowy magazyn elektroników konstruktorów

Elektronika dla Wszystkich grudzień 2025

Elektronika dla Wszystkich

Interesująca elektronika dla pasjonatów