Izolator sygnału analogowego 0...100 VDC

Izolator sygnału analogowego 0...100 VDC

Izolacja przetwornika pomiarowego ADC od obwodu mierzonego będzie przydatna w układach pomiaru napięcia baterii/akumulatora lub w obwodach, gdzie mogą pojawić się problemy z pętlą masy zakłócającą pomiar. Zaprezentowany moduł będzie prostym i skutecznym rozwiązaniem, zwłaszcza że zakres napięcia wejściowego 0...100 V może zostać zmieniony za pomocą doboru elementów dzielnika napięciowego, a duża rezystancja wejściowa układu pozwala zminimalizować wpływ na mierzony układ.

Podstawowe parametry:
  • zapewnia izolację galwaniczną sygnału analogowego 0...100 VDC,
  • zakres napięcia wejściowego może zostać zmieniony za pomocą doboru elementów dzielnika napięciowego,
  • szerokie pasmo przenoszenia, które w modelu sięga ok. 50 kHz,
  • duża rezystancja wejściowa układu pozwala zminimalizować wpływ na mierzony układ.

Projekt bazuje na dwóch najnowszych, specjalizowanych układach firmy Analog Devices – izolowanym wzmacniaczu ADuM4195 oraz przetwornicy napięcia ADuM6028. Izolowany wzmacniacz, którego budowa wewnętrzna została pokazana na rysunku 1, składa się z bufora wejściowego sterującego linowym modulatorem PWM.

Rysunek 1. Schemat ideowy układu ADuM4195 (za notą AD)

Zmodulowany sygnał przekazywany jest na stronę separowaną z użyciem technologii iCoupler poprzez transformator bezrdzeniowy, co pozwala uniknąć wad układów z izolacją optyczną. Po stronie izolowanej sygnał poddawany jest demodulacji, filtrowaniu i buforowaniu. Wzmocnienie układu ustalone jest na 1 V/V, katalogowe pasmo przenoszenia sięga 200 kHz. Układ wymaga zasilania dwoma izolowanymi napięciami 5 V. Maksymalny zakres sygnału wejściowego jest niższy o 0,7 V od napięcia zasilania VDD2 i w praktyce wynosi 0...4 V. Dzięki dużej rezystancji wejściowej dzielnikiem rezystorowym można dopasować go do własnej aplikacji.

Aby zapewnić zasilanie ADuM4195, opracowano scaloną przetwornicę DC/DC o niskim poziomie zakłóceń typu ADuM6028, której budowa wewnętrzna została pokazana na rysunku 2.

Rysunek 2. Schemat ideowy układu ADuM6028 (za notą AD)

Przetwornica dostępna jest w wersjach ADuM6028-3 lub ADuM6028-5 zasilanych odpowiednio z 3,3 V lub 5 V. Przetwornica może dostarczyć do 0,5 W. Napięcie wyjściowe 3,3 V/5 V w przypadku ADuM6028-5 może być wybrane poziomem logicznym wyprowadzenia SEL, przetwornica ADuM6028-3 przystosowana jest do konwersji z 3,3 V na 3,3 V.

Układ nie jest przystosowany do pomiarów napięcia sieci zasilającej 230 VAC! Różnica potencjałów części izolowanych nie powinna przekraczać 250 V!

Budowa i działanie

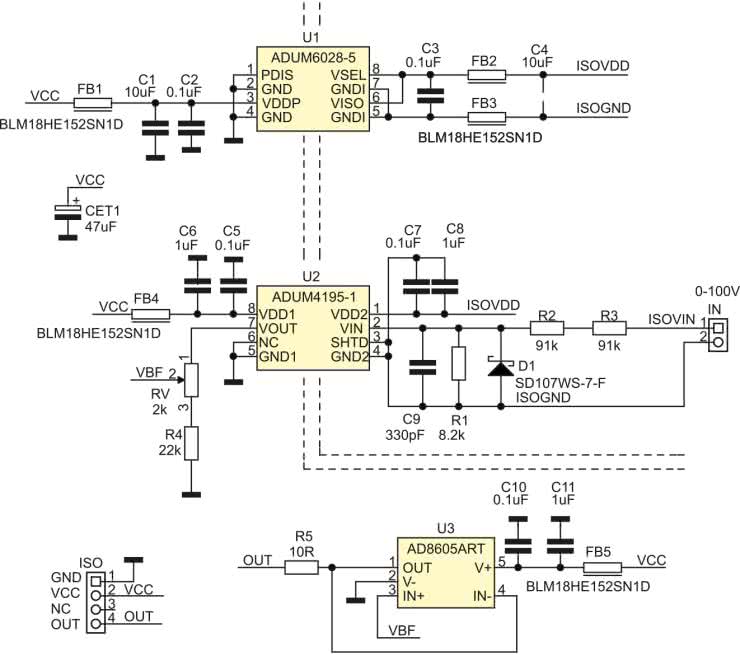
Schemat układu izolatora został pokazany na rysunku 3. Układ nie odbiega od karty katalogowej. Napięcie wejściowe doprowadzone jest do gniazda IN, w modelu zakres ustalony jest dzielnikiem R1, R, R3 na 0...100 V i może być dopasowany do wymogów aplikacji zgodnie z notą katalogową ADuM4195.

Rysunek 3. Schemat ideowy układu izolatora

Kondensator C9 kompensuje dzielnik dla wyższych częstotliwości, dioda D1 zabezpiecza przed uszkodzeniem U2 w przypadku błędnej polaryzacji napięcia wejściowego.

Sygnał wyjściowy po izolacji w U2 doprowadzony jest do dzielnika RV/R4 umożliwiającego kalibrację napięcia wyjściowego izolatora, a stąd do bufora wyjściowego U3 typu AD8605. Izolowane napięcie 5 V do zasilania U2, U3 zapewnia przetwornica U1, elementy C3, C4 i FB2, FB3 filtrują napięcie wyjściowe przetwornicy.

Montaż i uruchomienie

Moduł zmontowany jest na dwustronnej płytce drukowanej mechanicznie zgodnej ze standardem Grove. Schemat płytki został pokazany na rysunku 4. Montaż jest typowy i nie wymaga opisu, należy tylko usunąć pozostałości topnika i zadbać o czystość płytki.

Rysunek 4. Schemat płytki PCB

Układ nie wymaga uruchamiania, należy jedynie skalibrować potencjometrem RV współczynnik przetwarzania. Po podłączeniu zasilania 5 V (min. 50 mA), doprowadzeniu do wejścia napięcia 100 V (dla modelu z dzielnikiem 0...100 V) ustawiamy napięcie wyjściowe na 4 V. Układ cechuje się dobrą liniowością w całym zakresie, co potwierdzają wyniki pomiarów zaprezentowane na rysunku 5.

Rysunek 5. Pomiary liniowości modelu

Dobierając dzielnik R1, R2, R3 oraz kondensator kompensacyjny C9, można dostosować (zmniejszyć) zakres napięcia pomiarowego do potrzeb, pamiętając, aby nie przekraczać napięcia wejściowego 0...100 V, do którego dostosowana jest płytka PCB.

Głównym przeznaczeniem izolatora jest pomiar napięcia stałego, ale układ ADuM4195 oprócz liniowości przetwarzania, cechuje także szerokie pasmo przenoszenia, które w modelu sięga ok. 50 kHz. Przykładowe oscylogramy dla częstotliwości 5 kHz zostały pokazane na rysunku 6. Wpływ na pasmo mają wartości dzielnika wejściowego i pojemności rozproszenia układu. W idealnych warunkach pasmo przenoszenia ADuM4195 wynosi 210 kHz.

Rysunek 6. Przenoszenie sygnału 5 kHz

W przypadku pomiarów przebiegów prostokątnych, sygnałów z zakłóceniami szpilkowymi lub przepięciami, należy pamiętać o ograniczeniu pasma doprowadzonego do izolatora. Zapobiega to wychodzeniu modulatora PWM poza zakres liniowej pracy. W przeciwnym wypadku w sygnale wyjściowym mogą pojawić się oscylacyjne zakłócenia o częstotliwości odpowiadającej częstotliwości zboczy sygnału wejściowego, co zostało pokazane na rysunku 7.

Rysunek 7. Zakłócenia sygnału wyjściowego

Zakłócenia te oczywiście można odfiltrować na wejściu przetwornika ADC, ale lepiej ograniczać je u źródła.

Adam Tatuś, EP

Wykaz elementów:
Rezystory:
  • R1: 8,2 kΩ 1% (SMD0603)
  • R2, R3: 91 kΩ 1% (SMD1206)
  • R4: 22 kΩ 1% (SMD0603)
  • R5: 10 Ω 1% (SMD0603)
Kondensatory:
  • C1, C4: 10 μF/16 V (SMD0603)
  • CET1: 47 μF tantalowy 3528
  • C2, C3, C5, C7, C10: 0,1 μF/50 V (SMD0603)
  • C6, C8, C11: 1 μF/16 V (SMD0603)
  • C9: 330 pF/50 V NP0 (SMD0603)
Półprzewodniki:
  • D1: SD107WS-7-F dioda Schottky’ego (SOD323F)
  • U1: ADUM6028-5BRIZ (SO8)
  • U2: ADUM4195-1BRIZ (SO8)
  • U3: AD8605ART (SOT-23-5)
Pozostałe:
  • FB1, FB2, FB3, FB4, FB5: dławik ferrytowy BLM18E152SN1D (SMD0603)
  • IN: złącze śrubowe 3,5 mm 2 piny DG381-3.5-2
  • ISO: złącze Grove kątowe 110990037
  • RV: potencjometr wieloobrotowy 2 kΩ (VR-64W)
Artykuł ukazał się w
Elektronika Praktyczna
sierpień 2023
DO POBRANIA
Materiały dodatkowe
Elektronika Praktyczna Plus lipiec - grudzień 2012

Elektronika Praktyczna Plus

Monograficzne wydania specjalne

Elektronik listopad 2025

Elektronik

Magazyn elektroniki profesjonalnej

Raspberry Pi 2015

Raspberry Pi

Wykorzystaj wszystkie możliwości wyjątkowego minikomputera

Świat Radio listopad - grudzień 2025

Świat Radio

Magazyn krótkofalowców i amatorów CB

Automatyka, Podzespoły, Aplikacje listopad - grudzień 2025

Automatyka, Podzespoły, Aplikacje

Technika i rynek systemów automatyki

Elektronika Praktyczna listopad 2025

Elektronika Praktyczna

Międzynarodowy magazyn elektroników konstruktorów

Elektronika dla Wszystkich grudzień 2025

Elektronika dla Wszystkich

Interesująca elektronika dla pasjonatów