Regulowany stabilizator napięcia ujemnego

Regulowany stabilizator napięcia ujemnego

Stabilizatorów napięcia dodatniego jest bardzo wiele o różnej wydajności prądowej, różnych zakresach napięcia wyjściowego i z różnymi zabezpieczeniami. Zaprezentowany układ to proste rozwiązanie umożliwiające regulację napięcia ujemnego.

Podstawowe parametry:
  • regulowanie stałego napięcia ujemnego,
  • regulacja realizowana potencjometrem wieloobrotowym,
  • napięcie wyjściowe regulowane w przedziale –1,25…26,25 V,
  • dopuszczalne napięcie wejściowe –4…40 V,
  • maksymalny prąd wyjściowy 1,5 A,
  • wbudowane zabezpieczenie przed przegrzaniem i przed zwarciem.

Moduły ze stabilizatorami liniowymi typu LM317 są tanie i bardzo łatwo dostępne. Umożliwiają dokładne ustalenie wartości dodatniego napięcia stałego. Tymczasem napięcie ujemne jest w tej kwestii traktowane nieco po macoszemu – a przecież nie może się bez niego obyć zarówno szeroka gama układów analogowych (filtry, generatory, integratory, wzmacniacze i nie tylko), jak i impulsowych, chociażby sterowniki bramek tranzystorów MOSFET i IGBT.

Zaprezentowany układ to bardzo mały i bardzo prosty w budowie moduł bazujący na popularnym układzie LM337, który umożliwia ustawienie napięcia wyjściowego w przedziale –1,25…26,25 V. Jest to zakres umożliwiający ustawienie najczęściej stosowanych wartości napięcia ujemnego. Regulacja odbywa się precyzyjnym w obsłudze potencjometrem wieloobrotowym.

Budowa i działanie

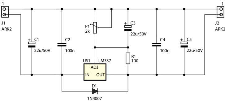
Schemat ideowy omawianego układu znajduje się na rysunku 1. Napięcie wejściowe, które ma być regulowane, podaje się na zaciski złącza J1. Powinno być wyprostowane, a najlepiej gdyby było dobrze filtrowane. Kondensatory C1 i C2 dbają głównie o stabilną pracę układu US1, ich pojemność jest zbyt niska do filtracji tętnień. Podobna jest rola kondensatorów C4 i C5, które zmniejszają również impedancję wyjściową tego stabilizatora w zakresie wyższych częstotliwości.

Rysunek 1. Schemat ideowy regulowanego stabilizatora napięcia ujemnego

Napięcie wyjściowe ustala dzielnik rezystancyjny, na który składają się dwa elementy: rezystor R1 i potencjometr P1. R1 wymusza prąd wyjściowy stabilizatora na poziomie 12,5 mA – to nieco więcej, niż nakazuje nota katalogowa (typowo 10 mA), lecz moje doświadczenia wskazują, że niektóre egzemplarze LM337 potrafią się wzbudzić po użyciu zalecanej rezystancji R1 (120 Ω) w tego typu układzie. Pobór prądu większy o 2,5 mA nie będzie w tym układzie stanowił istotnego problemu, w zamian za to mamy gwarancję stabilnej pracy. Kondensator C3 poprawia tłumienie tętnień. Rolą diody D1 jest zabezpieczenie układu US1 w sytuacji, kiedy napięcie wejściowe by nagle zanikło, a wyjściowe byłoby nadal utrzymywane, na przykład przez dodatkowy kondensator o wysokiej pojemności.

Montaż i uruchomienie

Układ został zmontowany na niewielkiej, jednostronnej płytce drukowanej o wymiarach 30×30 mm, której schemat został pokazany na rysunku 2. W odległości 3 mm od krawędzi płytki znalazły się cztery otwory montażowe, każdy o średnicy 3,2 mm.

Rysunek 2. Schemat płytki PCB

Montaż układu jest bardzo prosty i nie powinien sprawić problemu nawet początkującym operatorom lutownicy. Z uwagi na gęste upakowanie proponuję zacząć od rezystora R1 i diody D1. Stabilizator US1 można wlutować na dłuższych nóżkach, by łatwo dało się go przykręcić do radiatora. Zmontowany moduł można zobaczyć na fotografii tytułowej.

Zasilanie dla układu powinno się zawierać w przedziale –4…40 V. Górny próg jest ograniczony przez dropout układu LM337 (około 3 V), zaś dolny przez maksymalną różnicę potencjałów między wejściem i wyjściem US1. Pobór prądu przez układ bez obciążonego wyjścia wynosi około 12,7 mA. Jest to wartość stała, niezależna zarówno od napięcia wejściowego, jak i wyjściowego. Maksymalny prąd wyjściowy jest ograniczony przez zastosowany stabilizator liniowy i wynosi około 1,5 A. Skręcając potencjometr P1 w lewo, uzyskujemy napięcie coraz niższe (bardziej ujemne), zaś w prawo bliższe wartości 0 V.

Warto zadbać o dobre chłodzenie stabilizatora, przykręcając do niego odpowiedni radiator. Jeżeli wydzielana w nim moc nie przekracza 1 W, można spróbować obyć się bez tego podzespołu, jednak w większości wypadków ta wartość będzie wyższa.

Michał Kurzela, EP

Wykaz elementów:
Rezystory:
  • R1: 100 Ω/0,25 W (THT)
  • P2: 2 kΩ montażowy wieloobrotowy poziomy 3296X
Kondensatory:
  • C1, C3, C5: 22 μF 50 V raster 2,5 mm
  • C2, C4: 100 nF MKT raster 5 mm
Półprzewodniki:
  • D1…D4: 1N4007
  • US1: LM337 (TO220)
Pozostałe:
  • J1, J2: ARK2/500
  • Radiator (opis w tekście)
Artykuł ukazał się w
Elektronika Praktyczna
sierpień 2023
DO POBRANIA
Materiały dodatkowe
Elektronika Praktyczna Plus lipiec - grudzień 2012

Elektronika Praktyczna Plus

Monograficzne wydania specjalne

Elektronik listopad 2025

Elektronik

Magazyn elektroniki profesjonalnej

Raspberry Pi 2015

Raspberry Pi

Wykorzystaj wszystkie możliwości wyjątkowego minikomputera

Świat Radio listopad - grudzień 2025

Świat Radio

Magazyn krótkofalowców i amatorów CB

Automatyka, Podzespoły, Aplikacje listopad - grudzień 2025

Automatyka, Podzespoły, Aplikacje

Technika i rynek systemów automatyki

Elektronika Praktyczna listopad 2025

Elektronika Praktyczna

Międzynarodowy magazyn elektroników konstruktorów

Elektronika dla Wszystkich grudzień 2025

Elektronika dla Wszystkich

Interesująca elektronika dla pasjonatów