5-zakresowy autotransformator warsztatowy

5-zakresowy autotransformator warsztatowy

Dzisiejszy projekt jest nieco nietypowy, jest to autotransformator, który powstał z dwóch powodów – pierwszy, to potrzeba sprawdzenia pracy urządzeń zasilanych z napięcia 230 V AC w zakresie tolerancji ±10%; drugi to zasilanie urządzeń lampowych i nie tylko, w miejscach, gdzie napięcie sieciowe jest stale zbyt niskie lub częściej zbyt wysokie.

UWAGA! Pracując pod napięciem sieciowym należy zachować szczególną ostrożność i przestrzegać zasad BHP.
Podstawowe parametry:
  • przełączanie pomiędzy 5 zakresami odpowiadającymi wartościom 0%, ±5% i ±10% w odniesieniu do napięcia sieciowego,
  • moc maksymalna 150 VA,
  • zawiera klasyczny transformator 2×12 V, zamiast nietypowego autotransformatora.

Dzięki przyjęciu kilku uproszczeń, układ nie reguluje napięcia płynnie i nie zasila urządzeń z laboratoryjną dokładnością, ale za to nie wymaga nietypowego autotransformatora i może być zrealizowany z użyciem typowego niedrogiego elementu o napięciu 2×12 V.

Budowa i działanie

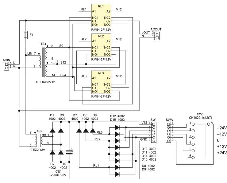
Schemat autotransformatora został pokazany na rysunku 1. Napięcie sieciowe doprowadzone jest do zacisków ACIN. Transformator TS1 z dwoma szeregowo połączonymi uzwojeniami 12 V typu TEZ16D2×12, zapewnia prąd obciążenia do 660 mA, co umożliwia obciążenie układu mocą maksymalną 150 VA.

Rysunek 1. Schemat układu przetwornika

Uzwojenie wtórne 2×12 V łączone jest w szereg z uzwojeniem pierwotnym TS1. Zespól trzech przekaźników RL1...RL3 odpowiada za zmianę odczepów 0-12-24 V oraz odwrócenie fazy napięcia uzwojenia wtórnego, co umożliwia odejmowanie i dodawanie napięcia wtórnego do napięcia sieci. Wybrane napięcia doprowadzone jest do zacisków ACOUT. Wybór transformatora z napięciem 2×12 V umożliwia realizację przybliżonej tolerancji +5/10% napięcia zasilania, co po odpowiednim przełączaniu pozwala otrzymać 0%, ±5% i ±10% napięcia sieciowego.

Przełączanie odczepów można zrealizować przy pomocy przełącznika pakietowego o odpowiednio wybranym układzie styków, ale to rozwiązanie wymaga drogiego i nietypowego przełącznika. Zamiast niego zastosowany został zespól przekaźników z współpracującą logiką diodową D8...D15, zmieniającą położenia styku 5-pozycyjnego przełącznika obrotowego na kombinację załączania cewek przekaźników. Logika ma pewien nadmiar umożliwiający zachowanie monotoniczności napięcia wyjściowego podczas stanów nieustalonych w trakcie przełączania styków przełącznika SW1.

Transformator TS2 zastosowany jest ze względów bezpieczeństwa i separuje obwody sterowania od napięcia sieciowego, zmniejszając wymagania, co do izolacyjności przełącznika SW1, umożliwiając bezpieczne zastosowanie typowego przełącznika obrotowego.

Montaż i uruchomienie

Układ wykonany jest dwustronnej płytce drukowanej, której schemat pokazano na rysunku 2.

Rysunek 2. Schemat płytki PCB

Montaż układu nie wymaga dokładnego opisu, a po poprawnym montażu nie wymaga uruchamiania. Sprawdzenia wymaga tylko poprawność przełączania napięć. W tym celu do wyjścia podłączamy woltomierz napięcia przemiennego, a do wejścia podłączamy zasilanie 230 V AC. Przełączając SW1 sprawdzamy otrzymywane napięcia wyjściowe. Dla zwiększenia wygody użytkowania do wyjścia można podłączyć na stałe elektroniczny panelowy woltomierz napięcia przemiennego.

Adam Tatuś, EP

Wykaz elementów:
Rezystory:
Kondensatory:
  • CE1: 220 μF/25 V elektrolityczny 8/3,5 mm
Półprzewodniki:
  • D1...D15: dioda prostownicza 4002 (SMB)
Pozostałe:
  • F1: bezpiecznik 125 mA do pcb + oprawka PTF
  • RL1, RL2, RL3: przekaźnik RM84-2P-12 V
  • ACIN, ACOUT: złącze ARK 10 mm
  • SW, SWA: złącze KK2 6-pinów
  • SW1: przełącznik obrotowy 1×5 pozycji (Lorlin CK1029 1×12 ze skróconym cyklem do 5 pozycji)
  • TS1: transformator do pcb TEZ16D/2×12
  • TS2: transformator do pcb TEZ2/12 V
Artykuł ukazał się w
Elektronika Praktyczna
lipiec 2023
DO POBRANIA
Materiały dodatkowe
Elektronika Praktyczna Plus lipiec - grudzień 2012

Elektronika Praktyczna Plus

Monograficzne wydania specjalne

Elektronik listopad 2025

Elektronik

Magazyn elektroniki profesjonalnej

Raspberry Pi 2015

Raspberry Pi

Wykorzystaj wszystkie możliwości wyjątkowego minikomputera

Świat Radio listopad - grudzień 2025

Świat Radio

Magazyn krótkofalowców i amatorów CB

Automatyka, Podzespoły, Aplikacje listopad - grudzień 2025

Automatyka, Podzespoły, Aplikacje

Technika i rynek systemów automatyki

Elektronika Praktyczna listopad 2025

Elektronika Praktyczna

Międzynarodowy magazyn elektroników konstruktorów

Elektronika dla Wszystkich grudzień 2025

Elektronika dla Wszystkich

Interesująca elektronika dla pasjonatów