Włącznik monostabilny wyzwalany światłem

Włącznik monostabilny wyzwalany światłem

W niektórych miejscach zachodzi potrzeba przedłużenia działania jakiegoś urządzenia, na przykład wentylatora, po wyłączeniu światła w pomieszczeniu. Albo zraszacze nawadniające trawniki - muszą działać przez cały dzień, od wschodu do zachodu słońca i dodatkowo jeszcze przez jakiś czas po zmroku. Co łączy te sytuacje? Konieczność przedłużenia działania urządzenia po zaniku oświetlenia.

Podstawowe parametry:
  • załączanie przekaźnika elektromagnetycznego po detekcji oświetlenia o dostatecznym natężeniu i przedłużenie tego załączenia po zaniku oświetlenia,
  • czas wydłużenia płynnie regulowany od około 7 s do około 12 min,
  • łatwa możliwość modyfikacji czasu załączenia,
  • zasilanie napięciem stałym 12 V (lub 24 V po modyfikacji),
  • pobór prądu 5…35 mA przy zasilaniu napięciem 12 V.

Typowe włączniki zmierzchowe działają w ten sposób, że sygnalizują odpowiednim stanem wyjściowym, gdy jest ciemno albo jasno, zależnie od konstrukcji. Jednak czasami taka prosta zależność nie jest wystarczająca i wymagana jest dodatkowa funkcja czasowa. Najprostszym przykładem będzie pomieszczenie - aby je w pełni wywietrzyć, układ powinien być złączony jeszcze przez jakiś czas po opuszczeniu pomieszczenia (zgaszeniu światła). Albo aby kierowca mógł bezpiecznie wrócić do domu po zaparkowaniu samochodu w garażu, bez konieczności przedzierania się przez ciemność.

Zaprezentowany układ potrafi rozwiązać takie problemy przy użyciu zaledwie garstki tanich i popularnych elementów. Zarówno czułość, czyli próg załączenia przekaźnika, jak i czas wydłużenia działania mogą być płynnie regulowane zwykłymi potencjometrami. Dodatkowo układ jest bardzo podatny na modyfikacje, na przykład w kwestii zmiany czasu działania przekaźnika czy napięcia zasilającego. Może również reagować na… temperaturę, o czym dalej.

Budowa i działanie

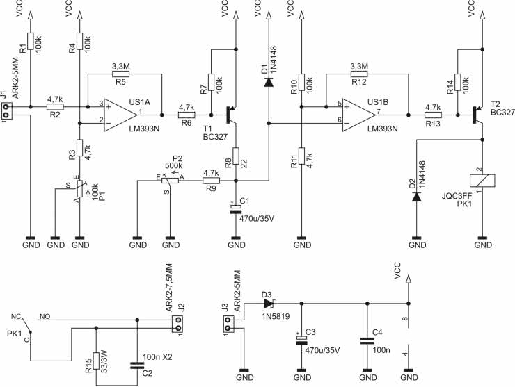
Schemat ideowy omawianego układu znajduje się na rysunku 1. Najistotniejszym elementem aktywnym jest bez wątpienia podwójny komparator typu LM393. US1A jest odpowiedzialny za detekcję wystarczająco wysokiego natężenia oświetlenia. Komparator ten porównuje dwa potencjały. Jednym z nich jest napięcie odkładające się na zaciskach fotorezystora podłączonego do złącza J1. Prąd płynący przez ten fotorezystor ogranicza rezystor R1, tworząc tym samym dzielnik napięcia zasilającego. Drugim potencjałem również jest wyjście dzielnika napięcia, tym razem składającego się z rezystorów R3 i R4 oraz rezystancji potencjometru P1. Komparator przełączy się, kiedy rezystancja fotorezystora będzie mniejsza lub większa od tej, którą daje wypadkowa rezystancja R3 i P1, ponieważ R1 i R4 mają tę samą rezystancję, a dokładniej: wyjście komparatora znajdzie się w niskim stanie logicznym, kiedy rezystancja fotorezystora zmaleje poniżej granicy wyznaczonej przez R3 i P1.

Rysunek 1. Schemat ideowy układu włącznika monostabilnego

Jednak samo przełączenie to nie wszystko, ponieważ rzeczywiste komparatory nie mają nieskończenie wysokiego wzmocnienia napięciowego. Do układu trzeba było wprowadzić histerezę, choćby nawet niewielką, która zapewni dwustanową pracę wyjścia tego podzespołu. W tym celu zostały dodane rezystory R2 i R5, które tworzą pętlę dodatniego sprzężenia zwrotnego. Uaktywnione wyjście komparatora, czyli znajdujące się w stanie niskim, lekko obniża potencjał na wejściu nieodwracającym, czyli tym, które jest ustalane przez czujnik natężenia światła. Działa to też odwrotnie: przyjęcie wysokiego stanu logicznego nieznacznie podnosi ten potencjał.

Wyjście komparatora US1A wprowadza tranzystor T1 w stan przewodzenia, gdyż prąd wypływający z jego bazy - ograniczany rezystorem R6 - może wynosić kilka miliamperów. Rezystor R7 utrzymuje T1 w stanie zatkania po tym, jak wyjście komparatora przyjmie wysoki stan logiczny, czyli wbudowany tranzystor wyjściowy ulegnie zatkaniu. R7 dostarcza wtedy prąd (o znikomo małym natężeniu) dla R5. Bez R7, tranzystor T1 nigdy nie uległby pełnemu zatkaniu, bo przez R5 byłby z jego bazy wyciągany prąd o niewielkim natężeniu.

Jakie jest zadanie T1? Doładowywanie kondensatora C1. W chwili, kiedy fotorezystor zostaje oświetlony dostatecznie mocno, C1 jest ładowany do napięcia niemal równego napięciu sieciowemu. Rezystor R8 ogranicza prąd tego ładowania do wartości bezpiecznej dla tranzystora T1. Natomiast rezystor R9 i potencjometr P2 rozładowują C1 po zatkaniu tranzystora T1. Kondensator C1 wprowadza inercję do tego układu: szybko się ładuje poprzez R8, zaś potem powoli rozładowuje dzięki wypadkowej rezystancji R9 i P2.

Dioda D1 jest w stanie szybko rozprowadzić zgromadzony w C1 ładunek. Ładunek ten pozostałby po wyłączeniu zasilania, a ma to na celu wyzerowanie poprzedniego ewentualnego załączenia. Po upływie kilkunastu sekund C1 rozładuje się na tyle, że następny stopień nie uaktywni się po ponownym włączeniu zasilania.

Kolejnym stopniem jest drugi komparator, który tym razem porównuje napięcie na zaciskach C1 z referencyjnym, wytwarzanym przez dzielnik napięcia złożony z rezystorów R10 i R11. Jeżeli napięcie na C1 jest dostatecznie wysokie, US1B wystawia na swoim wyjściu niski stan logiczny, czym załącza T2 - wręcz go nasyca - zaś tranzystor załącza przekaźnik. W sytuacji, kiedy C1 pozostaje rozładowany poniżej napięcia referencyjnego, stan wyjścia US1B jest wysoki i przekaźnik tkwi wyłączony. Rezystor R12 wraz z rezystancją wewnętrzną dzielnika R10+R11 (około 4,5 kΩ) zapewniają dodatnie sprzężenie zwrotne dla tego komparatora, aby ten sterował przekaźnikiem w sposób czysto dwustanowy.

Styki przekaźnika - wspólny COM i normalnie otwarty NO - zostały wyprowadzone na zaciski złącza J2, by można było przy ich użyciu sterować obciążeniem zasilanym, na przykład, z sieci 230 V. Między te styki został włączony prosty obwód RC, który ogranicza iskrzenie tychże styków podczas ich przełączania. To zmniejsza poziom emitowanych zakłóceń elektromagnetycznych oraz wydłuża żywotność przekaźnika.

Zasilanie dla układu powinno zostać podłączone do zacisków złącza J3. Aby nie doszło do uszkodzenia układu, wywołanego omyłkową zamianą polaryzacji przewodów zasilających, została dodana dioda D3, która zablokuje wtedy przepływ prądu. Kondensatory C3 i C4 filtrują to napięcie z tętnień i tłumią sprzężenia między poszczególnymi stopniami, co jest istotne zwłaszcza podczas przełączania się układu.

Montaż i uruchomienie

Układ został zmontowany na jednostronnej płytce drukowanej o wymiarach 85×40 mm, której schemat został pokazany na rysunku 2. W odległości 3 mm od krawędzi płytki znalazły się cztery otwory montażowe, każdy o średnicy 3,2 mm. Montaż proponuję rozpocząć od elementów o najmniejszej wysokości obudowy, czyli rezystorów małej mocy i diod półprzewodnikowych. Pod układ scalony US1 proponuję zastosować podstawkę, aby ułatwić jego wymianę w razie ewentualnego uszkodzenia. W pełni zmontowany układ można zobaczyć na fotografii 1. Fotorezystor należy podłączyć do zacisków złącza J1, co również jest widoczne.

Rysunek 2. Schemat montażowy i wzór ścieżek płytki

Poprawnie zmontowany układ jest gotowy do działania po ustawieniu prawidłowego położenia potencjometrów montażowych. Czułość układu ustawia się potencjometrem P1: skręcając jego ślizgacz w lewo, zwiększamy czułość (załączenie przekaźnika przy niższym natężeniu światła padającego na fotorezystor), a w prawo zmniejszamy, czyli układ zareaguje dopiero przy silnym oświetleniu fotorezystora. Z kolei P2 służy do ustawienia czasu wydłużenia załączenia przekaźnika po zaniku światła - skręcając w lewo, zmniejszamy ten czas, zaś w prawo zwiększamy. W układzie prototypowym stwierdzono, że przy zasilaniu napięciem 12 V można ten czas regulować w zakresie od 7 sekund do 12 minut. Zakres regulowanych czasów można zmienić poprzez wymianę potencjometru P2 i/lub kondensatora C1.

Fotografia 1. Wygląd zmontowanego układu

Do zasilania powinno służyć napięcie stałe o wartości około 12 V, a dokładniej z przedziału 10…16 V. Takie granice uwzględniają zakres prawidłowej pracy przekaźnika (z uwzględnieniem spadku napięcia na diodzie D3 i tranzystorze T2) w temperaturze 20°C. Warto, aby owo napięcie było dobrze filtrowane, a najlepiej stabilizowane. Pobór prądu przy 12 V wynosi około 5 mA przy wyłączonym przekaźniku oraz około 35 mA, kiedy cewka zostanie załączona.

Zaciski złącza J2 należy potraktować jak styki przełącznika mechanicznego, który odłącza zasilanie od sterowanego urządzenia. Z uwagi na szerokość ścieżek znajdujących się na powierzchni laminatu, płynący przez nie prąd nie powinien przekraczać natężenia 5 A. Jeżeli dochodziłoby do przełączania większych prądów, warto skorzystać z zewnętrznego stycznika, którego cewka będzie sterowana za pośrednictwem złącza J2, a dopiero ten stycznik załączy potężniejsze urządzenie.

Napięcie zasilające układ może zostać zwiększone do 24 V po dokonaniu tylko jednej modyfikacji na płytce: przekaźnik PK1 należy wymienić na egzemplarz z cewką przystosowaną do takiego napięcia (na przykład JQC3FF/241ZS). Zmniejszy się pobór prądu podczas załączenia przekaźnika, zaś pozostałe parametry nie ulegną istotniejszym zmianom.

Zamiast fotorezystora można do złącza J1 układu wpiąć termistor NTC o nominalnej rezystancji, na przykład, 47 kΩ. Wtedy układ stanie się sygnalizatorem uzyskania zadanej temperatury z opóźnionym czasem wyłączenia. Przykładowe zastosowanie? Proszę bardzo: kontroler wentylatora studzącego przegrzewający się radiator. Po jednorazowym załączeniu będzie działał nie krócej niż ustawiony czas, co pozwoli silniej ostudzić chłodzony detal.

Michał Kurzela, EP

Wykaz elementów:
Rezystory: (THT o mocy 0,25 W jeżeli nie napisano inaczej)
  • R1, R4, R7, R10, R14: 100 kΩ
  • R2, R3, R6, R9, R11, R13: 4,7 kΩ
  • R5, R12: 3,3 MΩ
  • R8: 22 Ω
  • R15: 33 Ω 3 W
  • P1: 100 kΩ montażowy leżący jednoobrotowy
  • P2: 500 kΩ montażowy leżący jednoobrotowy (opis w tekście)
Kondensatory:
  • C1: 470 μF 35 V raster 5 mm (opis w tekście)
  • C2: 100 nF MKP X2 305 V AC raster 15 mm
  • C3: 470 μF 35 V raster 5 mm
  • C4: 100 nF raster 5 mm MKT
Półprzewodniki:
  • D1, D2: 1N4148
  • D3: 1N5819
  • T1, T2: BC327
  • US1: LM393 DIP8
Pozostałe:
  • J1, J3: ARK2/500
  • J2: ARK2/750
  • PK1: JQC3FF/121ZS (opis w tekście)
  • Jedna podstawka DIP8
  • Fotorezystor GL5537 20-50 kΩ
Artykuł ukazał się w
Elektronika Praktyczna
maj 2023
DO POBRANIA
Materiały dodatkowe
Elektronika Praktyczna Plus lipiec - grudzień 2012

Elektronika Praktyczna Plus

Monograficzne wydania specjalne

Elektronik listopad 2025

Elektronik

Magazyn elektroniki profesjonalnej

Raspberry Pi 2015

Raspberry Pi

Wykorzystaj wszystkie możliwości wyjątkowego minikomputera

Świat Radio listopad - grudzień 2025

Świat Radio

Magazyn krótkofalowców i amatorów CB

Automatyka, Podzespoły, Aplikacje listopad - grudzień 2025

Automatyka, Podzespoły, Aplikacje

Technika i rynek systemów automatyki

Elektronika Praktyczna listopad 2025

Elektronika Praktyczna

Międzynarodowy magazyn elektroników konstruktorów

Elektronika dla Wszystkich grudzień 2025

Elektronika dla Wszystkich

Interesująca elektronika dla pasjonatów