Moduł redundancji zasilania urządzeń 12 V

Moduł redundancji zasilania urządzeń 12 V

Zaprezentowany moduł redundancji zasilania umożliwia zasilanie urządzeń 12 V, przy poborze prądu do 6 A, zapewniając bezprzerwowe przełączenie dwóch źródeł zasilania w przypadku awarii jednego z nich. Zastosowanie układu nowoczesnej diody idealnej zapewnia minimalną moc strat oraz prostotę układu. Moduł znajdzie zastosowanie m.in. w zasilaniu komputerów SBC o większym poborze mocy, w aplikacjach, w których zanik zasilania jest niedopuszczalny.

Podstawowe parametry:
  • umożliwia zasilanie urządzeń 12 V, przy poborze prądu do 6 A,
  • zapewnia bezprzerwowe przełączenie dwóch źródeł zasilania w przypadku awarii jednego z nich,
  • spadek napięcia poniżej 30 mV,
  • może pracować przy napięciach zasilania 2,75...18 V,
  • odznacza się minimalną mocą strat oraz prostotą rozwiązania.

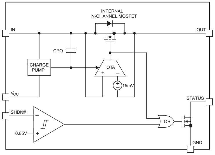
Zastosowany w modelu układ kontrolera diody idealnej typu LTC4450 (Analog Devices) gwarantuje spełnienie wszystkich wymagań stawianych opisanej aplikacji. Schemat wewnętrzny układu LTC4450 został pokazany na rysunku 1.

Rysunek 1. Struktura wewnętrzna LTC4450 (za notą Analog Devices)

Budowa i działanie

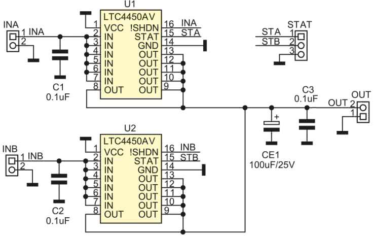
Moduł składa się z dwóch identycznych bloków kontrolera diody idealnej - U1, U2 (rysunek 2). LTC4450 odpowiada za detekcję obecności napięcia wejściowego oraz prawidłowe sterowanie wbudowanego klucza MOSFET. Pełna integracja elementów wykonawczych, upraszcza aplikację do kondensatorów odsprzęgających.

Rysunek 2. Schemat modułu

Napięcia wejściowe z zasilaczy doprowadzone są do złącz INA, INB, gdzie w zależności od ich obecności kluczowane są na wyjście OUT (aktywny jest zasilacz o wyższym napięciu). Zanik lub zwarcie jednego z napięć zasilania INA/INB powoduje bezprzerwowe przełączenia na sprawne źródło.

Kondensator CE1 jest magazynem energii niezbędnym do podtrzymania układu podczas przełączania źródeł. W module jego wartość jest minimalna dla poprawnej pracy układu. W praktyce może okazać się konieczne zwiększenie jego wartości, czy to w module, czy w samym zasilanym układzie, szczególnie przy obciążeniach impulsowych. Aby poprawnie pełnić funkcje magazynu CE1 musi mieć małą rezystancję ESR, dokładny dobór jego wartości opisany jest w karcie katalogowej. Płytka umożliwia wyprowadzenie sygnałów statusu STA/STB układów poprzez złącze STAT, ale w modelu nie jest to używane.

Montaż i uruchomienie

Układ zmontowany jest na niewielkiej płytce drukowanej, której schemat został pokazany na rysunku 3.

Rysunek 3. Rozmieszczenie elementów

Montaż nie wymaga opisu, należy tylko poprawnie przylutować pady termiczne. Moduł nie wymaga uruchamiania, warto jednak przy pomocy dwóch regulowanych zasilaczy i sztucznego obciążenia sprawdzić poprawność przełączania oraz spadek napięcia na kluczach w kierunku przewodzenia. W modelu spadek napięcia wynosił <30 mV przy napięciu zasilania 12 V i prądzie obciążenia 6 A.

Układ może bez zmian pracować poprawnie przy napięciach zasilania 2,75...18 V. W przypadku długich połączeń ze źródłami zasilania warto wejścia INA/INB dodatkowo zabezpieczyć transilami 18 V lub diodami Schotkiego.

Adam Tatuś, EP

Wykaz elementów:
Rezystory:
Kondensatory:
  • C1, C2, C3: 0,1 μF ceramiczny 50 V (SMD0805)
  • CE1: 100 μF/25 V elektrolityczny Low ESR
Półprzewodniki:
  • U1, U2: LTC4450AV (LQFN16)
Pozostałe:
  • INA, INB, OUT: złącze DG 2 piny 3,5 mm
Artykuł ukazał się w
Elektronika Praktyczna
luty 2023
DO POBRANIA
Materiały dodatkowe
Elektronika Praktyczna Plus lipiec - grudzień 2012

Elektronika Praktyczna Plus

Monograficzne wydania specjalne

Elektronik listopad 2025

Elektronik

Magazyn elektroniki profesjonalnej

Raspberry Pi 2015

Raspberry Pi

Wykorzystaj wszystkie możliwości wyjątkowego minikomputera

Świat Radio listopad - grudzień 2025

Świat Radio

Magazyn krótkofalowców i amatorów CB

Automatyka, Podzespoły, Aplikacje listopad - grudzień 2025

Automatyka, Podzespoły, Aplikacje

Technika i rynek systemów automatyki

Elektronika Praktyczna listopad 2025

Elektronika Praktyczna

Międzynarodowy magazyn elektroników konstruktorów

Elektronika dla Wszystkich grudzień 2025

Elektronika dla Wszystkich

Interesująca elektronika dla pasjonatów