Detektor napięcia sieciowego 230 V AC

Detektor napięcia sieciowego 230 V AC

Detekcja napięcia sieciowego oraz informacja o jego zaniku lub obniżeniu poza dolny próg tolerancji pozwala na reakcję zapobiegającą problemom z prawidłowym działaniem lub nawet awarią zasilanego urządzenia. Zaprezentowany niewielki moduł realizuje funkcję detektora podnapięciowego z progiem zadziałania ok. 185 V i zawiera specjalizowany układ monitora linii AC typu MID400.

Podstawowe parametry:
  • realizuje funkcję detektora podnapięciowego z progiem zadziałania ok. 185 V,
  • dostarcza cyfrowego sygnału o obecności napięcia,
  • dostarcza cyfrowego sygnału impulsowego przy przejściu napięcia przez 0 V,
  • wymaga zasilania napięciem z zakresu 2,7...5,5 V.
Uwaga! Pracując z napięciem sieciowym 230 V AC, należy zachować szczególną ostrożność i przestrzegać zasad bezpieczeństwa.

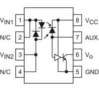
Układ MID 400 jest specjalizowanym transoptorem z wejściem AC i cyfrowym wyjściem logicznym. Jego strukturę wewnętrzną pokazuje rysunek 1.

Rysunek 1. Budowa wewnętrzna układu MID400 (za notą ON Semiconductor)

Układ zapewnia izolację galwaniczną i w zależności od prądu przepływającego przez wejściową diodę LED może pracować w trzech trybach: nasyconym, nienasyconym i wyłączonym. W trybie nasyconym, gdy prąd wejściowy przekracza 4 mA, stan wyjścia Vo jest niski, gdy na wejście podane jest napięcie sieciowe AC. W trybie nienasyconym prąd wejściowy jest mniejszy niż 4 mA, a na wyjściu Vo obecność napięcia AC sygnalizowana jest impulsami o częstotliwości 100 Hz (dla sieci 50 Hz). W trybie wyłączonym, gdy prąd LED jest mniejszy niż 0,15 mA, wyjście ustawiane jest w stan wysoki. Prąd wejściowy określany jest wartością rezystora włączonego szeregowo z LED, w zależności od napięcia AC.

Budowa i działanie

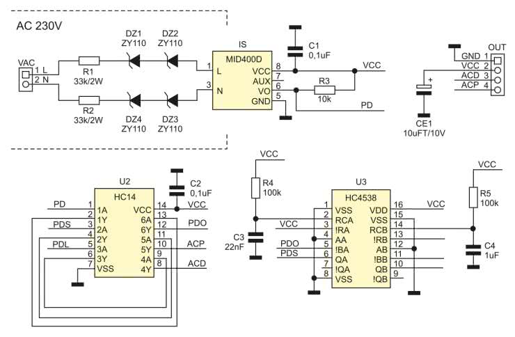
Schemat detektora pokazano na rysunku 2. Układ MID400 pracuje w modelu w dwóch trybach: wyłączonym i nienasyconym. Rezystory R1 i R2 oraz diody Zenera DZ1...DZ4 określają prąd LED i pozwalają na pracę z napięciem 0...300 V. Próg detektora podnapięciowego to ok. 185 V, poniżej którego MID400 pracuje w trybie wyłączonym ustalany jest diodami Zenera, powyżej tego progu na wyjściu Vo generowane są impulsy 100 Hz.

Rysunek 2. Schemat układu detektora

Sygnał wyjściowy PD z wyprowadzenia Vo MID400 doprowadzony jest do bramki buforowej układu HC14, a z niej na wejścia multiwibratorów monostabilnych układu HC4538 (sygnał PDO). Multiwibrator U3-A generuje impulsy dodatnie o czasie ok. 2,5 ms, po każdej detekcji zera napięcia sieciowego, gdy napięcie sieciowe przekracza próg ULVO (sygnał wyjściowy PDS/ACP). Drugi multiwibrator zmienia swój stan na wysoki, jeżeli napięcie wejściowe przekracza ULVO (sygnał wyjściowy PDL/ACD). Sygnały z multiwibratorów są buforowane i doprowadzone do złącza OUT.

Układ zasilany jest poprzez złącze OUT napięciem znamionowym 5 V, ale model pracuje poprawnie w zakresie 2,7...5,5 V.

Montaż i uruchomienie

Układ wykonany jest na dwustronnej płytce drukowanej, której schemat został pokazany na rysunku 3.

Rysunek 3. Schemat płytki PCB

Montaż układu nie wymaga opisu. Po poprawnym zmontowaniu detektor nie wymaga uruchamiania. Warto jednak sprawdzić działanie układu po podłączeniu zasilania 5 V oraz oscyloskopu do wyjść ACD, ACP. Do wejścia VAC należy doprowadzić napięcie sieciowe poprzez autotransformator. Zwiększając napięcie z autotransformatora, sprawdzamy, czy po przekroczeniu progu ULVO zmieni się stan na wyjściu ACD oraz obecne będą impulsy 100 Hz na wyjściu ACP. Zmieniając zasilanie z 5 V na 2,7 V, sprawdzamy poprawność działania układu.

Rysunek 4. Przebiegi wyjściowe ACD, ACP

Przebiegi na wyjściach ACP(CH1), ACD (CH2) układu podczas pracy pokazano na rysunku 4. Próg ULVO można dobrać, zmieniając napięcie diod DZ1...DZ4, tak aby zapewnić odpowiedni tryb pracy transoptora MID400, ILED<0,15 mA. Przebieg na wyjściu ACD filtruje zaniki krótsze niż 100 ms, związane np. z zakłóceniami EMC, na które urządzenie powinno być odporne, zasilanie w tym czasie podtrzymują pojemności w zasilaczu urządzenia.

Adam Tatuś, EP

Wykaz elementów:
Rezystory:
  • R1, R2: 33 kΩ/2 W metalizowany
  • R3: 10 kΩ 1% (SMD0603)
  • R4, R5: 100 kΩ 1% (SMD0603)
Kondensatory:
  • C1, C2: 0,1 μF ceramiczny 50 V (SMD0603)
  • CE1: 10 μFT/10 V tantalowy (SMD3216)
  • C3: 22 nF ceramiczny 50 V (SMD0603)
  • C4: 1 μF ceramiczny 10 V (SMD0603)
Półprzewodniki:
  • U2: HC14 (SO14)
  • U3: HC4538 (SO16)
Pozostałe:
  • DZ1, DZ2, DZ3, DZ4: dioda Zenera ZY110
  • IS: Transoptor MID400 (DIP8)
  • OUT: złącze grove proste
  • VAC: złącze DG 5 mm (DG126-5.0-2)
Artykuł ukazał się w
Elektronika Praktyczna
grudzień 2022
DO POBRANIA
Materiały dodatkowe
Elektronika Praktyczna Plus lipiec - grudzień 2012

Elektronika Praktyczna Plus

Monograficzne wydania specjalne

Elektronik listopad 2025

Elektronik

Magazyn elektroniki profesjonalnej

Raspberry Pi 2015

Raspberry Pi

Wykorzystaj wszystkie możliwości wyjątkowego minikomputera

Świat Radio listopad - grudzień 2025

Świat Radio

Magazyn krótkofalowców i amatorów CB

Automatyka, Podzespoły, Aplikacje listopad - grudzień 2025

Automatyka, Podzespoły, Aplikacje

Technika i rynek systemów automatyki

Elektronika Praktyczna listopad 2025

Elektronika Praktyczna

Międzynarodowy magazyn elektroników konstruktorów

Elektronika dla Wszystkich grudzień 2025

Elektronika dla Wszystkich

Interesująca elektronika dla pasjonatów