Prosty wzmacniacz do czujnika PT1000

Prosty wzmacniacz do czujnika PT1000

Platynowe czujniki temperatury, takie jak znany PT1000, umożliwiają dokładny pomiar w bardzo szerokim zakresie, nieosiągalnym dla typowych czujników termistorowych lub cyfrowych. Jednak kłopoty może sprawiać sprzęgnięcie takiego czujnika z nowoczesnym systemem mikroprocesorowym. Zaprezentowany układ w prosty i niedrogi sposób pomoże rozwiązać ten problem.

Podstawowe parametry:
  • konwersja rezystancji czujnika PT1000 na napięcie stałe, możliwe do pomiaru przetwornikiem analogowo-cyfrowym,
  • możliwość łatwej zmiany zakresu przetwarzania,
  • wbudowany potencjometr ułatwiający kalibrację układu,
  • pobór prądu około 10 mA przy 12 V,
  • zasilanie napięciem 9…24 V.

Czujniki analogowe, pomimo niskiej ceny i wszechstronności, często sprawiają problemy. Najpoważniejszym z nich jest obsługa wielkości wyjściowej, którą w przypadku czujników PT1000 jest rezystancja. Pomiar tej wielkości fizycznej nie nastręcza dużych problemów, lecz jeżeli chce się uzyskać wysoką dokładność w stosunkowo niewielkim zakresie zmian, zagadnienie staje się mocno problematyczne.

Typowy czujnik PT1000 zmienia swoją rezystancję w stosunkowo niewielkim zakresie, odnosząc to do zmienności temperatury. Dla temperatury –50°C jest to 803 Ω, zaś dla 300°C tylko 2120 Ω. Włączając czujnik do układu jako jedną z gałęzi dzielnika napięcia, uzyskamy nieliniową zmianę napięcia w niezbyt szerokim zakresie. Zaprezentowany układ pomoże w rozwiązaniu tego problemu.

Budowa i działanie

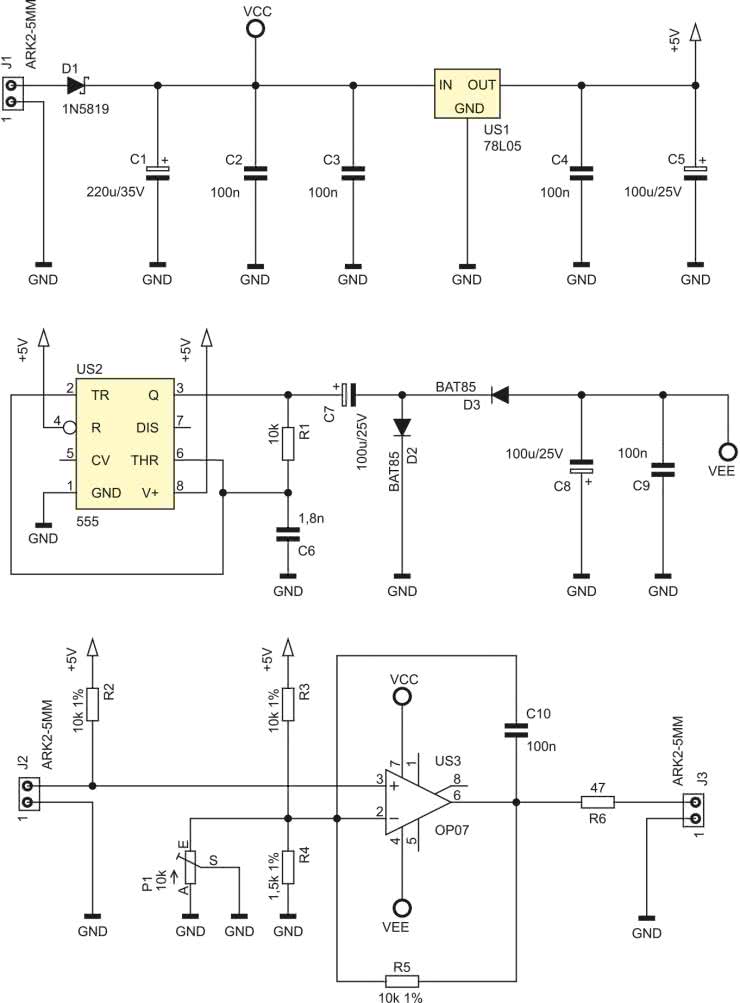
Schemat ideowy omawianego układu znajduje się na rysunku 1. Głównym elementem jest wzmacniacz operacyjny US3 (typu OP07), który cechuje się bardzo niskim wejściowym napięciem niezrównoważenia. To duża zaleta, bowiem offset napięciowy mógłby zaburzyć proces przetwarzania rezystancji na napięcie. Czujnik temperatury typu PT1000 należy podłączyć do zacisków złącza J2. Rezystor R2 polaryzuje go, tworząc prosty układ dzielnika napięciowego. Ale to nie wszystko, gdyż rezystor R3 z połączonymi równolegle rezystorem R4 i potencjometrem P1 tworzą dzielnik tego samego napięcia, którego wartość wynosi około 5 V. Wzmacniacz operacyjny przetwarza różnicę tych napięć, zatem obwód R3+R4+P1 (a dokładniej rezystancja wypadkowa równoległego połączenia R4 i P1) służy do eliminacji tej części rezystancji czujnika PT1000, która występuje zawsze i nie jest dla nas interesująca z punktu widzenia naszych pomiarów. Można to przyrównać do usunięcia offsetu rezystancyjnego samego czujnika, aby móc napięcie 0 V ustalić jako odpowiadające temperaturze, na przykład –10°C.

Rysunek 1. Schemat ideowy wzmacniacza do czujnika PT1000

Gdyby zostawić ten układ bez dodatkowych modyfikacji, olbrzymie wzmocnienie różnicowe wzmacniacza operacyjnego powodowałoby jego nagłą reakcję na napięcie różnicowe zbliżone do 0 V i szybkie nasycenie wyjścia potencjałem skrajnie dodatnim lub ujemnym.

Dlatego do układu dodano rezystor R5, którego zadaniem jest ograniczenie wzmocnienia i ustalenie jego wartości na znanym poziomie. Można tę część układu traktować jako wzmacniacz odwracający, którego rezystorem w pętli sprzężenia zwrotnego jest R5, zaś rezystancją wejściową jest wypadkowa rezystancja zastępcza od strony wejścia odwracającego. Z punktu widzenia twierdzenia Thévenina wartość ta będzie równa rezystancji równoległego połączenia R3, R4 i P1.

Zmiany temperatury zachodzą relatywnie wolno, więc szerokie pasmo przenoszenia układu jest niepotrzebne i może sprawiać jedynie problemy. Kondensator C10 ogranicza od góry pasmo przenoszenia do wartości około 160 Hz. Odpowiedź impulsowa tego układu będzie więc wystarczająco szybka, jak na potrzeby obsługi czujnika temperatury, a spora część szumów i zakłóceń zostanie wyeliminowana już w torze analogowym. Dodatkowa filtracja cyfrowa, polegająca chociażby na uśrednieniu wartości wielu próbek pobranych z przetwornika analogowo-cyfrowego, będzie dodatkowym zabiegiem poprawiającym dokładność pomiaru.

Rezystor R6 ustala rezystancję wyjściową układu na poziomie kilkudziesięciu omów. Jeżeli wyjście wzmacniacza operacyjnego byłoby bezpośrednio obciążone pojemnością o znacznej wartości (na przykład długimi przewodami połączeniowymi), mogłoby dojść do wzbudzenia się wzmacniacza. Taki rezystor nie ma praktycznie żadnego wpływu na wynik pomiaru, pozwala natomiast ustrzec się przed tym nieprzyjemnym i trudnym do opanowania zjawiskiem.

Kilka słów opisu należy poświęcić sekcji zasilającej. Otóż wzmacniacz operacyjny typu OP07 nie radzi sobie z obsługą potencjałów bliskich zarówno dodatniej, jak i ujemnej linii zasilania. Jego wejście ujemnej linii zasilającej (VEE) jest zatem polaryzowane napięciem o wartości około –3,5 V. Jego dokładna wartość nie ma tu znaczenia, ponieważ nie bierze ona udziału w ustalaniu napięcia wyjściowego, chodzi tylko o zapewnienie prawidłowych warunków pracy obwodom wewnętrznym wzmacniacza operacyjnego.

Ponieważ specjalizowane układy do wytwarzania napięcia ujemnego, jak ICL7660, są coraz droższe i trudniej dostępne, postawiono na proste rozwiązanie konwertera wykorzystujące znany układ typu 555 jako generator fali prostokątnej i układ diodowo-kondensatorowy, który zmienia znak polaryzacji napięcia. W tym układzie wypełnienie sygnału prostokątnego wynosi około 50%, zaś jego częstotliwość to około 40 kHz. Praca na częstotliwości ponadaktustycznej i leżącej daleko poza pasmem przenoszeniu układu gwarantują pracę bez powstawiania pisku i emitowania istotnego poziomu zakłóceń.

Układ czasowy typu 555 toleruje maksymalne napięcie zasilania wynoszące 18 V, więc mniej niż akceptuje wzmacniacz operacyjny. Z tego powodu dodano stabilizator napięcia US1, którego zadaniem jest dostarczenie napięcia 5 V do zasilania generatora napięcia ujemnego oraz obwodów wejściowych przetwornika rezystancja–napięcie. Jego dokładna wartość nie jest istotna, gdyż dla prawidłowej pracy 555 nie ma ona znaczenia, zaś obwody wejściowe są zasilane z tej samej gałęzi.

Montaż i uruchomienie

Układ został zmontowany na jednostronnej płytce drukowanej o wymiarach 64×30 mm. Jej wzór ścieżek oraz schemat montażowy został pokazany na rysunku 2. W odległości 3 mm od krawędzi płytki znalazły się cztery otwory montażowe, każdy o średnicy 3,2 mm. Montaż proponuję rozpocząć od elementów o najmniejszej wysokości obudowy, czyli rezystorów i diod. Pod układy US2 i US3 proponuję zastosować podstawki, aby ułatwić ich wymianę w razie uszkodzenia.

Rysunek 2. Schemat montażowy i wzór ścieżek płytki

Kilka słów trzeba poświęcić zakresowi przetwarzania układu, który należy dostosować do swoich wymagań oraz możliwości użytego przetwornika analogowo-cyfrowego. Jeżeli założymy, że wartości elementów idealnie odpowiadają wartościom ze schematu ideowego (zakładając ustawienie P1 na maksymalną rezystancję, czyli 10 kΩ), to napięcie wyjściowe 0 V uzyskamy dla rezystancji czujnika równej 1154 Ω, czyli dla temperatury około 40°C, zaś 5 V na wyjściu dla rezystancji 2615 Ω, co z kolei odpowiada temperaturze 440°C. Ale skręcając ślizgacz P1 do połowy nominalnej rezystancji ścieżki (czyli 5 kΩ), napięcie wyjściowe 0 V uzyskamy dla rezystancji czujnika równej 1035 Ω, czyli dla temperatury około 9°C, zaś 5 V na wyjściu dla rezystancji 2310 Ω, co z kolei odpowiada temperaturze 350°C.

Odpowiedni dobór wartości rezystora R5 (odpowiedzialnego za wzmocnienie) oraz położenia ślizgacza potencjometru P1 i/lub rezystancji rezystora R4 (odpowiedzialnych za ustalenie offsetu rezystancyjnego), umożliwią uzyskanie żądanego zakresu obsługiwanej temperatury i napięcia wyjściowego. Niestety, obie te regulacje wpływają na siebie, więc pomocna w ustaleniu docelowych wartości elementów może być prosta symulacja komputerowa.

Prawidłowo zmontowany układ jest od razu gotowy do pracy. Do złącza J1 należy doprowadzić napięcie stałe z zakresu 9…24 V. Pobór prądu wynosi około 10 mA przy zasilaniu napięciem 12 V. Złącze J2 jest przewidziane do podłączenia czujnika typu PT1000. Jeżeli połączenie z płytką odbywa się za pomocą przewodu ekranowanego, to ekran warto podłączyć do zacisku oznaczonego jako GND, zaś żyłę środkową do wejścia RTD. Na złączu J3 mamy dostępne napięcie stałe, odpowiadające temperaturze czujnika.

Michał Kurzela, EP

Wykaz elementów:
Rezystory: (THT o mocy 0,25 W)
  • R1: 10 kΩ
  • R2, R3: 10 kΩ 1%
  • R4: 1,5 kΩ 1% (opis w tekście)
  • R5: 10 kΩ 1% (opis w tekście)
  • R6: 47 Ω
  • P1: 10 kΩ montażowy pionowy 3296W
Kondensatory:
  • C1: 220 μF 35 V raster 3,5 mm
  • C2…C4, C9, C10: 100 nF raster 5 mm MKT
  • C5, C7, C8: 100 μF 25 V raster 2,5 mm
  • C6: 1,8 nF raster 5 mm MKT
Półprzewodniki:
  • D1: 1N5819
  • D2, D3: BAT85
  • US1: 78L05 (TO92)
  • US2: 555 (DIP8)
  • US3: OP07 (DIP8)
Pozostałe:
  • J1… J3: ARK2/500
  • Dwie podstawki DIP8
Artykuł ukazał się w
Elektronika Praktyczna
październik 2022
DO POBRANIA
Materiały dodatkowe
Elektronika Praktyczna Plus lipiec - grudzień 2012

Elektronika Praktyczna Plus

Monograficzne wydania specjalne

Elektronik listopad 2025

Elektronik

Magazyn elektroniki profesjonalnej

Raspberry Pi 2015

Raspberry Pi

Wykorzystaj wszystkie możliwości wyjątkowego minikomputera

Świat Radio listopad - grudzień 2025

Świat Radio

Magazyn krótkofalowców i amatorów CB

Automatyka, Podzespoły, Aplikacje listopad - grudzień 2025

Automatyka, Podzespoły, Aplikacje

Technika i rynek systemów automatyki

Elektronika Praktyczna listopad 2025

Elektronika Praktyczna

Międzynarodowy magazyn elektroników konstruktorów

Elektronika dla Wszystkich grudzień 2025

Elektronika dla Wszystkich

Interesująca elektronika dla pasjonatów