Szukacz włączonego przekaźnika

Szukacz włączonego przekaźnika

Przekaźniki elektromagnetyczne są mało wdzięcznymi elementami, jeżeli chodzi o ich diagnostykę. Zazwyczaj występują w dużych skupiskach i trzeba niemałego wysiłku, aby znaleźć ten, który aktualnie jest załączony i nie przewodzi prądu, chociaż powinien. Zaprezentowany układ pomoże wyśledzić taki element wśród wielu innych, identycznie wyglądających.

Podstawowe parametry:
  • wbudowany czujnik Halla do detekcji obecności pola magnetycznego,
  • sygnalizacja światłem diody LED i dźwiękiem buzzera piezo,
  • brak poboru prądu, gdy urządzenie nie jest używane,
  • zasilanie napięciem 6 V z dwóch baterii CR2032.

Nakreślę bardzo prosty przykład: samochodowa instalacja zawierająca mnóstwo przekaźników. Nie działają, na przykład, światła mijania, więc któryś z nich jest winowajcą. Ale nie ma żadnego schematu, opis jest bardzo lakoniczny lub w ogóle go nie ma, a wyciąganie wszystkich po kolei i testowanie mija się z celem. Zwłaszcza że wyeksploatowany przekaźnik potrafi prawidłowo przewodzić prąd o niewielkim natężeniu, jakie daje tester ciągłości w multimetrze, lecz kilkanaście amperów dla kompletu żarówek halogenowych przerasta jego możliwości.

Co wtedy można zrobić? Użyć opisanego niżej układu i znaleźć przekaźnik, który załącza się po włączeniu świateł mijania odpowiednim przełącznikiem. Ten, który reaguje na włączanie, jest potencjalnie uszkodzony. W ten sposób można znacznie przyspieszyć diagnostykę.

Budowa i działanie

Schemat ideowy omawianego układu znajduje się na rysunku 1. Jest niezwykle prosty, ponieważ cała logika odpowiedzialna za sterowanie znalazła się w niewielkiej obudowie czujnika typu SS445P.

Rysunek 1. Schemat ideowy szukacza włączonego przekaźnika

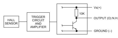
Zawiera on sensor wykorzystujący zjawisko Halla, układy wzmacniające i przełączające oraz wykonawczy tranzystor wyjściowy – rysunek 2. Dwustanowe wyjście tego układu potrafi przewodzić prąd, jak stwierdza nota katalogowa, o natężeniu nie większym niż 4 mA, zaś uszkodzenie tego elementu może nastąpić przy prądzie przekraczającym 8 mA.

Rysunek 2. Schemat blokowy układu SS445P

Zbliżenie czujnika do cewki włączonego przekaźnika powoduje jego aktywację, która przejawia się wprowadzeniem tranzystora wyjściowego w stan nasycenia. Wtedy też zostaje załączona dioda LED2 i zaczyna piszczeć sygnalizator BUZ1. Rezystor R3, który ogranicza natężenie prądu płynącego przez ten ostatni element, ma znaczną rezystancję, lecz pamiętajmy, że ten układ ma nam jedynie wskazać załączony przekaźnik, a nie głośno ostrzegać przed jakimś niebezpieczeństwem. Cicho brzmiący piszczyk nie będzie męczył słuchu.

Układ jest zasilany z dwóch połączonych szeregowo baterii typu CR2032. Napięcie zasilające jest dołączane za pośrednictwem monostabilnego przycisku S1, co sygnalizuje załączenie diody LED1. W ten sposób układ pobiera prąd z baterii tylko wtedy, kiedy jest używany – trzymając go w dłoni, trzymamy wciśnięty przycisk i „obwąchujemy” wystającym z płytki czujnikiem US1 wszystkie podejrzane przekaźniki.

Montaż i uruchomienie

Układ został zmontowany na jednostronnej płytce drukowanej o wymiarach 24×100 mm, której schemat został pokazany na rysunku 3. Nie zostały przewidziane otwory montażowe, ponieważ płytka będzie trzymana w dłoni.

Rysunek 3. Schemat płytki PCB

Montaż układu jest bardzo prosty i może się go podjąć nawet mało doświadczony użytkownik lutownicy. Proponuję zacząć od rezystorów, gdyż ich wysokość jest najmniejsza. Komentarza wymaga wlutowanie w płytkę czujnika US1 – jego obudowa powinna być ułożona ukośnie ściętymi krawędziami do góry, a nóżki zagięte pod kątem 90° tak, aby wystawał poza obrys płytki. Obrazuje to rysunek 4.

Rysunek 4. Sposób montażu czujnika

Zmontowany układ wygląda jak na fotografii tytułowej. Jest gotowy do działania pod warunkiem poprawnego montażu, nie wymaga jakichkolwiek czynności uruchomieniowych. Do zasilania wystarczą dwie baterie typu CR2032, które trzeba włożyć w odpowiednie gniazda. Pobór prądu wynosi do kilkunastu miliamperów (zależnie od tego, czy układ wykrył przekaźnik) i zanika do zera po zwolnieniu przycisku S1.

Uwaga eksploatacyjna: układ wykrywa pole magnetyczne, które indukuje się wokół cewki włączonego przekaźnika. Jednak jest ono dosyć słabe, ponieważ większość wytworzonej indukcji magnetycznej skupia się w rdzeniu. Czułość sensora typu SS445P wynosi od 5,5 mT do 28 mT, typowo 18 mT. Z tego powodu szukanie małych przekaźników sygnałowych może zakończyć się niepowodzeniem. Układ prototypowy radził sobie z takimi przekaźnikami jak HF115F po dotknięciu do ich obudowy w określonym miejscu, lecz to przekaźniki samochodowe były najłatwiejsze do wykrycia.

Michał Kurzela, EP

Wykaz elementów:
Rezystory: (THT o mocy 0,25 W)
  • R1: 10 kΩ
  • R2: 3,3 kΩ
  • R3: 1,5 kΩ
Kondensatory:
  • C1: 4,7 nF raster 5 mm MKT
Półprzewodniki:
  • LED1: zielona 5 mm
  • LED2: czerwona 5 mm
  • US1: SS445P
Pozostałe:
  • BAT1, BAT2: koszyk CR2032 THT leżący + bateria
  • BUZ1: PIEZO GEN3V
  • S1: microswitch 12×12 np. MIKROSW TS
Artykuł ukazał się w
Elektronika Praktyczna
październik 2022
DO POBRANIA
Materiały dodatkowe
Elektronika Praktyczna Plus lipiec - grudzień 2012

Elektronika Praktyczna Plus

Monograficzne wydania specjalne

Elektronik listopad 2025

Elektronik

Magazyn elektroniki profesjonalnej

Raspberry Pi 2015

Raspberry Pi

Wykorzystaj wszystkie możliwości wyjątkowego minikomputera

Świat Radio listopad - grudzień 2025

Świat Radio

Magazyn krótkofalowców i amatorów CB

Automatyka, Podzespoły, Aplikacje listopad - grudzień 2025

Automatyka, Podzespoły, Aplikacje

Technika i rynek systemów automatyki

Elektronika Praktyczna listopad 2025

Elektronika Praktyczna

Międzynarodowy magazyn elektroników konstruktorów

Elektronika dla Wszystkich grudzień 2025

Elektronika dla Wszystkich

Interesująca elektronika dla pasjonatów