Wielokrotny włącznik monostabilny

Wielokrotny włącznik monostabilny

Typowy włącznik monostabilny załącza swoje wyjście na zadany czas po podaniu na jego wejście odpowiedniego impulsu wyzwalającego. Ten układ umożliwia wielokrotne wydłużenie czasu załączenia, wystarczy kilka razy zewrzeć jego wejście.

Podstawowe parametry:
  • załączanie styków przekaźnika na zadany czas po zwarciu wejścia,
  • ustawianie czasu załączenia potencjometrem w trzech zakresach: do 20,4 s, do 204 s i do 2040 s (34 minuty),
  • możliwość zwielokrotnienia ustawionego czasu poprzez wielokrotne zwarcie wejścia,
  • maksymalne wydłużenie czasu załączenia: do 10 razy,
  • minimalny czas zwarcia styków: 200 ms,
  • pobór prądu około 6 mA w stanie spoczynku i 40 mA przy załączonym przekaźniku,
  • zasilanie napięciem 12 V.

Zastanówmy się nad następującym przykładem. Oświetlenie na klatce schodowej – kiedy używamy go na co dzień, pojedyncze wciśnięcie przełącznika w zupełności wystarcza, bowiem lampy świecą wtedy przez około dwie minuty. Można w tym czasie wejść na swoje piętro, znaleźć klucz, otworzyć drzwi i wejść do swojego mieszkania. Problem zaczyna się wtedy, kiedy mamy do wniesienia bardzo duży i nieporęczny przedmiot, na przykład kanapę. W ciągu dwóch minut nie da się wnieść czegoś takiego na docelowe piętro, trzeba robić przystanki po drodze albo kombinować z omijaniem stałych elementów infrastruktury bloku. Ostatnia rzecz, jaką byśmy chcieli przy tym, to uporczywie gasnące co chwilę światło. Nawet podłożenie zapałki pod klawisz przełącznika nic nie da, gdyż wiele sterowników monostabilnych ma zabezpieczenie przed takim działaniem.

W sytuacji, kiedy zdecydujemy się na użycie tego układu do sterowania oświetleniem, sytuacja staje się bardzo prosta. Wystarczy wejść na klatkę schodową, kilka razy wcisnąć przycisk i mamy oświetlenie działające już przez kilkanaście minut – pojedynczy cykl został zwielokrotniony. Nie trzeba przy tym kombinować z zapałkami ani pamiętać o zgaszeniu światła za sobą, gdyż ono to zrobi samoczynnie. Tyle że nieco później niż zazwyczaj.

Układ ma wbudowane małe zabezpieczenie przed wandalami. Mogłoby się tak zdarzyć, że ktoś złośliwie będzie stał i wciskał przycisk setki razy. Ten układ to zignoruje, gdyż maksymalnie jest w stanie zaliczyć 9 przedłużeń pojedynczego cyklu. Czyli z 2 minut można zrobić maksymalnie 20, ale już nie 2000. Po 20 minutach światło zgaśnie i układ będzie oczekiwał na kolejne wciśnięcie.

Budowa i działanie

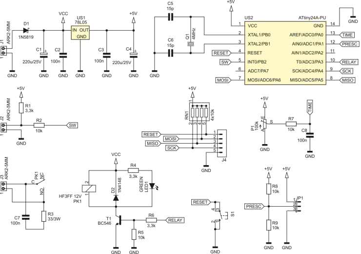
Schemat ideowy omawianego układu znajduje się na rysunku 1. Napięcie zasilające należy podłączyć do zacisków złącza J1. Na potrzeby zasilania części cyfrowej układu jest ono stabilizowane przez układ US1 – zwykły stabilizator liniowy, gdyż prąd przez niego płynący jest niewielki. Dioda D1 chroni układ przed zniszczeniem w razie omyłkowej zamiany biegunów zasilania.

Rysunek 1. Schemat ideowy wielokrotnego włącznika monostabilnego

Złącze J2 służy do podłączenia przełącznika zwiernego (monostabilnego). Rezystor R1 ustala napięcie między jego stykami po ich rozwarciu. Natomiast R2 chroni delikatne wejście mikrokontrolera przed przepływem przez nie prądu o nadmiernym natężeniu, który mógłby być spowodowany zaindukowaniem się zakłóceń w przewodach łączących przycisk z płytką.

Wyjściem układu są styki zwierne (NO i COM) przekaźnika, doprowadzone do zacisków złącza J3. Aby zmniejszyć ich iskrzenie w czasie przełączania i ograniczyć emisje zakłóceń elektromagnetycznych, między wspomniane styki został włączony prosty obwód gasikowy RC. Są to szeregowo połączony kondensator C7 z rezystorem R3. Taki obwód sprawdza się zarówno przy przełączaniu prądu przemiennego (AC), jak i stałego (DC). Świecenie diody LED1 sygnalizuje załączenie przekaźnika. Dioda D2 zabezpiecza tranzystor T1 w momencie jego zatykania.

Nad wszystkim czuwa mikrokontroler US2, którego częstotliwość sygnału zegarowego jest stabilizowana rezonatorem kwarcowym Q1. W ten sposób mamy do dyspozycji tani wzorzec czasu o wystarczająco dobrych parametrach, słabo wrażliwy na zmiany temperatury. Programowanie mikrokontrolera ATtiny24A, bo o nim mowa, może się odbywać po wyjęciu go z podstawki lub poprzez wyprowadzenia złącza J4, na które zostały wyprowadzone linie sygnałowe konieczne do zaprogramowania go w systemie (ISP).

Potencjometr P1 służy do ustawienia długości odmierzanego czasu. Jest to potencjometr wieloobrotowy, przez co można ustawić żądany interwał z dosyć dużą dokładnością. Informacja o położeniu ślizgacza jest pobierana przez wbudowany w mikrokontroler przetwornik analogowo-cyfrowy. Dzięki temu, że potencjometr jest włączony jako dzielnik napięcia zasilającego, a napięciem referencyjnym przetwornika również jest to samo napięcie, dokładna wartość napięcia zasilania nie ma znaczenia dla wartości wyjściowej przetwornika. Rezystancja wewnętrzna dzielnika rezystancyjnego (P1), rezystor R7 i kondensator C8 tworzą filtr dolnoprzepustowy, który zmniejsza amplitudę zakłóceń na wejściu przetwornika A/C.

Zworka JP1 służy do ustawienia preskalera czasu. Może być w trzech stanach: zdjęta, ze zwartymi polami 1 i 2 oraz ze zwartymi polami 2 i 3. W pierwszej sytuacji, na linii PRESC pojawi się napięcie bliskie połowie napięcia zasilającego (dzielnik złożony z R8 i R9), w drugiej napięcie bliskie napięciu zasilania, a w trzeciej 0 V. Przetwornik analogowo-cyfrowy odczytuje to napięcie, co zostaje przełożone na odpowiednią reakcję układu.

Montaż i uruchomienie

Układ został zmontowany na jednostronnej płytce drukowanej o wymiarach 65×50 mm. Jej schemat został pokazany na rysunku 2. W odległości 3 mm od krawędzi płytki znalazły się cztery otwory montażowe, każdy o średnicy 3,2 mm.

Rysunek 2. Schemat płytki PCB

Montaż proponuję rozpocząć od elementów o najmniejszej wysokości obudowy, czyli rezystorów i diod. Pod układ US2 proponuję zastosować podstawkę, aby ułatwić jego wymianę w razie uszkodzenia. Zmontowany układ można zobaczyć na fotografii 1.

Fotografia 1. Wygląd zmontowanego układu

Na etapie uruchamiania jest konieczne zaprogramowanie pamięci Flash mikrokontrolera dostarczonym wsadem oraz zmiana jego bitów zabezpieczających. Oto ich nowe wartości:

Low Fuse = 0xFD
High Fuse = 0xDC

Szczegóły są widoczne na rysunku 3, który zawiera widok okna konfiguracji tychże bitów z programu BitBurner. W ten sposób zostanie uruchomiony generator dla rezonatora kwarcowego (o częstotliwości z przedziału 3…8 MHz) oraz Brown-Out Detector, który wprowadzi mikrokontroler w stan zerowania, jeżeli jego napięcie zasilające spadnie poniżej 4,3 V. To znacznie zmniejsza ryzyko zawieszenia się układu podczas uruchamiania.

Rysunek 3. Szczegóły ustawienia bitów zabezpieczających

Poprawnie zaprogramowany układ jest gotowy do działania po podłączeniu zasilania do zacisków złącza J1. Powinno to być napięcie stałe, dobrze filtrowane, niekoniecznie stabilizowane – służy ono do zasilania przekaźnika i diody LED, które cechują się sporą tolerancją, zaś mikrokontroler ma własny stabilizator. Napięcie zasilające musi mieścić się w granicach akceptowanych przez przekaźnik JQC3FF, czyli w zakresie 10…16 V w temperaturze 25ºC. Pobór prądu wynosi około 40 mA po załączeniu cewki przekaźnika i spada do 6 mA w czasie oczekiwania – zmierzone przy napięciu 12 V.

Potencjometrem P1 ustawiamy żądany czas zadziałania. Obracając go zgodnie z ruchem wskazówek zegara, czas zwiększamy, a przeciwnie, zmniejszamy – jak w typowym pokrętle regulacji głośności. Przy zdjętej zworce JP1 czas można regulować w zakresie do 204 s z krokiem 200 ms, co daje wrażenie niemal płynnej regulacji.

To również determinuje minimalny przedział czasowy, jaki można ustawić, czyli owe 200 ms. Zworka JP1 służy do ustawienia preskalera:

  • zwarte wyprowadzenia 1 i 2: czas × 10
  • zwarte wyprowadzenia 2 i 3: czas / 10

Daje to maksymalny do ustawienia czas, odpowiednio 2040 s i 20,4 s. Jeżeli ustawiany przedział czasu jest dosyć długi, polecam wstępne ustawienia oraz testy przeprowadzić z preskalerem dzielącym przez 10 (zwarte wyprowadzenia 2 i 3), a dopiero potem ustawić zworkę we właściwy sposób. Odmierzany czas wzrośnie dziesięciokrotnie lub stukrotnie.

W czasie trwania jednego odmierzania czasu przez układ można w dowolnej chwili wydłużyć ten interwał poprzez dodanie wartości zadeklarowanej potencjometrem P1 i zworką JP1. Takich prolongat może być maksymalnie 9: pierwsze zwarcie styków uruchamia odliczanie, może być ono maksymalnie 9 razy przedłużone. Dalsze impulsy przedłużające nie będą przez układ honorowane, ulegnie to wznowieniu dopiero po rozłączeniu się styków przekaźnika. Pobieranie informacji o położeniu ślizgacza potencjometru P1 i stanie zworki JP1 odbywa się przy rozłączonych stykach przekaźnika. Wynika z tego, że każde przedłużenie w danym cyklu doliczy tyle samo czasu.

Jeżeli ktoś (omyłkowo lub złośliwie) „wyklikał” zbyt długi czas, można układ wyzerować poprzez krótkotrwałe wciśnięcie przycisku S1 lub zwarcie skrajnych wyprowadzeń złącza J4 – oznaczonych na płytce jako RESET. Układ natychmiast wróci do stanu spoczynkowego, przekaźnik się rozłączy.

Między kolejnymi wciśnięciami przycisku wyzwalającego (podłączonego do zacisków złącza J2) musi minąć co najmniej 750 ms, aby układ uznał je za poprawne. Ma to na celu pominięcie drgań styków, które potrafią naprawdę solidnie iskrzyć – zwłaszcza w starych, wyeksploatowanych instalacjach elektrycznych.

Michał Kurzela, EP

Wykaz elementów:
Rezystory: (THT o mocy 0,25 W, jeżeli nie napisano inaczej)
  • R1, R4, R6: 3,3 kΩ
  • R2, R5, R7…R9: 10 kΩ
  • R3: 33 Ω 3 W
  • RN1: 4×10 kΩ SIL5
  • P1: 100 kΩ montażowy pionowy 3296W
Kondensatory:
  • C1, C4: 220 μF 25 V raster 2,54 mm
  • C2, C3, C8: 100 nF raster 5 mm MKT
  • C5, C6: 15 pF raster 5 mm monolityczne
  • C7: 100 nF MKP X2 305 V AC raster 15 mm
Półprzewodniki:
  • D1: 1N5819
  • D2: 1N4148
  • LED1: 5 mm zielona
  • T1: BC546
  • US1: 78L05 TO92
  • US2: ATtiny24A-PU (DIP14)
Pozostałe:
  • J1…J3: ARK2/500
  • J4: goldpin 5 pin męski 2,54 mm THT
  • JP1: goldpin 3 pin męski 2,54 mm THT + zworka
  • PK1: JQC3FF 12 V
  • Q1: 4 MHz niski
  • S1: microswich 6×6 1,5 mm
  • jedna podstawka DIP14
Artykuł ukazał się w
Elektronika Praktyczna
sierpień 2022
DO POBRANIA
Materiały dodatkowe
Elektronika Praktyczna Plus lipiec - grudzień 2012

Elektronika Praktyczna Plus

Monograficzne wydania specjalne

Elektronik listopad 2025

Elektronik

Magazyn elektroniki profesjonalnej

Raspberry Pi 2015

Raspberry Pi

Wykorzystaj wszystkie możliwości wyjątkowego minikomputera

Świat Radio listopad - grudzień 2025

Świat Radio

Magazyn krótkofalowców i amatorów CB

Automatyka, Podzespoły, Aplikacje listopad - grudzień 2025

Automatyka, Podzespoły, Aplikacje

Technika i rynek systemów automatyki

Elektronika Praktyczna listopad 2025

Elektronika Praktyczna

Międzynarodowy magazyn elektroników konstruktorów

Elektronika dla Wszystkich grudzień 2025

Elektronika dla Wszystkich

Interesująca elektronika dla pasjonatów