Układ czasowy z niezależną regulacją ON i OFF

Układ czasowy z niezależną regulacją ON i OFF

Większość popularnych układów czasowych, które cyklicznie generują sygnał przerywany, ma wadę w postaci oddziaływania regulacji czasu załączenia wyjścia na czas jego wyłączenia i odwrotnie. Czasem nie można uzyskać wypełnienia mniejszego niż 50%. Zaprezentowany układ nie ma tych wad, ponieważ czas trwania stanu niskiego i wysokiego na wyjściach reguluje się całkowicie niezależnie. Dodatkowo został wyposażony w kilka innych użytecznych funkcji.

Podstawowe parametry:
  • generowanie sygnału prostokątnego (układ astabilny),
  • regulacja czasu trwania stanu niskiego i wysokiego dwoma potencjometrami,
  • dwa wyjścia zanegowane względem siebie,
  • bardzo szeroki zakres regulacji,
  • pierwszy impuls ma tę samą długość co pozostałe,
  • maksymalny prąd wyjściowy 200 mA,
  • zasilanie napięciem stałym 5…15 V.

Układ czasowy typu 555 jest dobrze znany na świecie już od kilku dekad. Liczba jego zastosowań zdaje się nie mieć ograniczeń, a o jego niesłabnącej popularności może świadczyć również fakt, że jego produkcja trwa nadal i nic nie zapowiada jej rychłego końca. Pomimo wielu zalet kostka ma też kilka wad i ograniczeń. Najpoważniejszą z nich jest jednoczesne oddziaływanie na siebie czasu trwania stanu niskiego i wysokiego w trybie astabilnym – ten pierwszy jest ustalany jednym rezystorem, a drugi sumą rezystancji dwóch rezystorów. To rodzi sporo problemów podczas regulacji oraz uniemożliwia uzyskanie wypełnienia mniejszego niż 50%. Ponadto pierwszy impuls ma długość większą od pozostałych z racji konieczności naładowania kondensatora od zera, nie zaś od 1/3 napięcia zasilającego.

Zaprezentowany układ zawiera dwie kości typu 555, które pracują w zupełnie inny sposób niż w typowym układzie bistabilnym. Jednak większa liczba elementów daje sporo wymiernych korzyści. Pierwszą jest to, że jeden potencjometr ustala czas trwania stanu wysokiego, zaś drugi czas trwania stanu niskiego. Nie ma przy tym istotnych ograniczeń co do czasu ich trwania, można bez problemu uzyskać impulsy o czasie trwania 200 ms powtarzane co kilka minut. I jeszcze jedno: wszystkie impulsy, łącznie z pierwszym, mają taki sam czas trwania.

Budowa i działanie

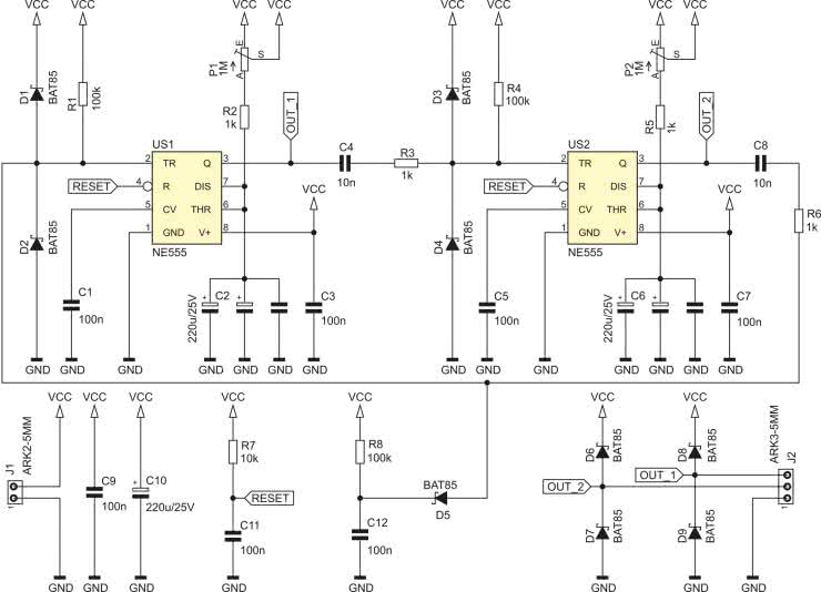
Schemat ideowy omawianego układu czasowego znajduje się na rysunku 1. Zawiera dwa układy typu 555 w konfiguracji monostabilnej, które zostały sprzęgnięte ze sobą. Wyjście układu US1 oddziałuje na wejście wyzwalające układu US2, a wyjście z US2 oddziałuje na wejście wyzwalające US1. Takie zapętlenie pozwala na nieprzerwaną, naprzemienną pracę obu generatorów monostabilnych.

Rysunek 1. Schemat ideowy układu czasowego

Wejście wyzwalające 555 jest aktywowane, kiedy jego potencjał spadnie poniżej 1/3 napięcia zasilającego. Dlatego z sygnałów wychodzących z układów US1 i US2 dokonywana jest selekcja zbocza opadającego, za co odpowiadają układy różniczkujące. Szybki spadek napięcia na wyjściu US1, co jest równoznaczne z zakończeniem odmierzania czasu, powoduje obniżenie potencjału wejścia TR układu US2. Za przeładowywanie pojemności C4 jest odpowiedzialny rezystor R4. W przypadku układu US2 sytuacja jest analogiczna – robią to C8 i R1.

Jednak przeładowywanie kondensatora w układzie różniczkującym grozi powstawaniem impulsów napięcia wykraczającego poza napięcie zasilające resztę elektroniki. Dlatego wejścia układów US1 i US2 zostały zabezpieczone diodami Schottky’ego, zaś ich prąd ograniczają rezystory o wartości 1 kΩ.

Aby oba układy były w stanie spoczynku (oczekujące na impuls wyzwalający) po załączeniu zasilania, ich wejścia zerujące są kontrolowane przez obwód składający się z kondensatora C11 i rezystora R7. Przez krótką chwilę po podaniu zasilania na złącze J1 rozładowany C11 wymusza na tych wejściach niski stan logiczny. Po krótkiej chwili ulega on naładowaniu, do czego przyczynia się R7. Układy mogą rozpocząć pracę.

Aby generowanie mogło się rozpocząć, trzeba podać pierwszy impuls wyzwalający. Bez niego oba generatory monostabilne będą tkwiły w stanie oczekiwania. Do tego z kolei służy układ z R8 i C12, który na moment polaryzuje wejście układu US1 niskim potencjałem. Jednak czas trwania tego impulsu jest około 5 razy dłuższy niż zerującego, bowiem kondensator C8 jest ładowany przez wypadkową rezystancję równoległego połączenia R1 i R8. Zadaniem diody D5 jest odcięcie tego fragmentu układu po wyzwoleniu, gdyż nigdy później nie dojdzie do jej otwarcia. Jej katoda będzie spolaryzowana potencjałem równym napięciu zasilania układu.

Diody D6…D9 zabezpieczają wyjścia układów scalonych przed uszkodzeniem, jakie mogłoby nastąpić przy bezpośrednim podłączeniu obciążenia o charakterze indukcyjnym (np. cewki przekaźnika) wprost do zacisków złącza J2.

Zmierzone w prototypie czasy trwania impulsów wyzwalających, które układy generują sobie wzajemnie, wynoszą około 500 μs. Dlatego żądane czasy trwania impulsów, zadawane potencjometrami P1 i P2, nie powinny być krótsze. Polecam też nie zmieniać rezystorów R2 i R5 na egzemplarze o niższej rezystancji, aby nie doszło do przeciążenia tranzystorów rozładowujących zawartych w strukturze 555.

​Montaż i uruchomienie

Układ został zmontowany na dwustronnej płytce drukowanej o wymiarach 80×40 mm, której schemat został pokazany na rysunku 2. W odległości 3 mm od krawędzi płytki znalazły się otwory montażowe, każdy o średnicy 3,2 mm. Montaż proponuję rozpocząć od elementów o najmniejszej wysokości obudowy, czyli rezystorów i diod.

Rysunek 2. Schemat montażowy i wzór ścieżek płytki

Pod układy US1 i US2 warto zastosować podstawki, aby uprościć ich wymianę w razie uszkodzenia. Zmontowana płytka jest widoczna na fotografii tytułowej.

Jako zasilanie do złącza J1 należy podłączyć napięcie stałe o wartości z zakresu 5…15 V. Pobór prądu zależy od ustawień potencjometrów, lecz w tym układzie nie przekracza wartości 40 mA przy zasilaniu napięciem 15 V. Im większa rezystancja potencjometrów P1 i P2, tym mniejszy pobór prądu przez układ, lecz wartością minimalną jest około 7 mA przy 5 V i około 10 mA przy 15 V.

Wyjścia układu mają wydajność prądową około 200 mA, więc mogą sterować bezpośrednio kilkoma diodami LED, cewkami niedużych przekaźników elektromagnetycznych bądź małymi żarówkami. Są zabezpieczone przed negatywnymi skutkami komutacji obciążeń indukcyjnych, więc podłączona do wyjścia cewka przekaźnika nie wymaga dodatkowej diody zabezpieczającej. Choć, oczywiście, jej dodanie nigdy nie zaszkodzi.

Po włączeniu zasilania jako pierwsze stan wysoki zawsze przyjmuje wyjście 1, wyjście 2 jest w niskim stanie logicznym. Gwarantują to wbudowane układy zerujące i wyzwalające, opisane wcześniej. Aby jednak mogły zadziałać prawidłowo, napięcie zasilające układ musi wzrosnąć od zera do wartości nominalnej bardzo szybko, w ciągu mikrosekund. Dlatego polecam, aby zasilanie tego układu było odłączane elementem elektromechanicznym (styki przekaźnika, przełącznik) lub szybko przełączającym się tranzystorem. Podłączenie zasilacza (np. transformatorowego) z dużą pojemnością filtrującą na stałe do złącza J1 może spowodować, że wymienione wcześniej obwody nie zadziałają prawidłowo, ponieważ napięcie na jego wyjściu będzie narastało w ciągu dziesiątek lub nawet setek milisekund.

Kondensatory C2 i C6 biorą udział w ustalaniu czasu trwania stanu niskiego i wysokiego na wyjściu 1. W układzie prototypowym przewidziano C2=C6=220 μF, co pozwala na regulację czasu od około 200 ms do około 4 minut. Jeżeli zaszłaby konieczność zmiany tych wartości na mniejszą lub większą, można użyć innych kondensatorów, o napięciu pracy nie mniejszym niż 25 V. Przewidziano na nie trzy rodzaje pól lutowniczych:

  • pod kondensator niebiegunowy o rastrze wyprowadzeń 5 mm i o grubości nie większej niż 2,5 mm,
  • pod kondensator biegunowy (polaryzowany) o rastrze wyprowadzeń 2,5 mm i o średnicy nie większej niż 7 mm,
  • pod kondensator biegunowy (polaryzowany) o rastrze wyprowadzeń 5 mm i o średnicy nie większej niż 10 mm.

Można w ten sposób wygodnie wlutować zarówno kondensator o dużej pojemności, na przykład 1000 μF, jak i MKT o pojemności 100 nF czy 1 μF (w miejscu największego biegunowego).

Regulacja czasu trwania stanu wysokiego na wyjściu 1 (i zarazem niskiego na wyjściu 2) odbywa się potencjometrem P1. Czas trwania stanu niskiego na wyjściu 1 (i zarazem wysokiego na wyjściu 2) ustala się potencjometrem P2. Obracając główkę potencjometru w prawo, wydłużamy dany interwał czasowy, w lewo – skracamy.

Michał Kurzela, EP

Wykaz elementów:
Rezystory: (THT 0,25 W)
  • R1, R4, R8: 100 kΩ
  • R2, R3, R5, R6: 1 kΩ
  • R7: 10 kΩ
  • P1, P2: 1 MΩ montażowe, wieloobrotowe, leżące
Kondensatory:
  • C1, C3, C5, C7, C9, C11, C12: 100 nF raster 5 mm MKT
  • C2, C6: 220 μF 25 V raster 2,5 mm (opis w tekście)
  • C4, C8: 10 nF raster 5 mm MKT
  • C10: 220 μF 25 V raster 2,5 mm
Półprzewodniki:
  • D1…D9: BAT85
  • US1, US2: NE555 DIP8
Pozostałe:
  • J1: ARK2/500
  • J2: ARK3/500
  • Dwie podstawki DIP8
Artykuł ukazał się w
Elektronika Praktyczna
sierpień 2022
DO POBRANIA
Materiały dodatkowe
Elektronika Praktyczna Plus lipiec - grudzień 2012

Elektronika Praktyczna Plus

Monograficzne wydania specjalne

Elektronik listopad 2025

Elektronik

Magazyn elektroniki profesjonalnej

Raspberry Pi 2015

Raspberry Pi

Wykorzystaj wszystkie możliwości wyjątkowego minikomputera

Świat Radio listopad - grudzień 2025

Świat Radio

Magazyn krótkofalowców i amatorów CB

Automatyka, Podzespoły, Aplikacje listopad - grudzień 2025

Automatyka, Podzespoły, Aplikacje

Technika i rynek systemów automatyki

Elektronika Praktyczna listopad 2025

Elektronika Praktyczna

Międzynarodowy magazyn elektroników konstruktorów

Elektronika dla Wszystkich grudzień 2025

Elektronika dla Wszystkich

Interesująca elektronika dla pasjonatów