Zasilacz power LED średniej mocy

Zasilacz power LED średniej mocy

Zaprezentowany układ, w zależności od doboru elementów i napięcia zasilania, może współpracować z jedną diodą lub łańcuchem diod power LED zapewniając stabilny prąd wyjściowy o wartości do 3 A.

Podstawowe parametry:
  • może współpracować z jedną diodą lub łańcuchem diod power LED,
  • zapewnia stabilny prąd wyjściowy o wartości do 3 A,
  • pracuje w trybie rozproszonego widma dla zmniejszenia zakłóceń EMI,
  • wykrywa najważniejsze usterki przetwornicy oraz dołączonych diod LED.
UWAGA! Podczas uruchamiania układu należy zachować szczególna ostrożność. Wysokie natężenie oświetlenia jakie generują diody power LED mogą przyczynić się do uszkodzenia wzroku. Ponadto wysokie temperatury elementów mogą spowodować poparzenia. Ze strukturą LED COB należy obchodzić się ze szczególną ostrożnością i zgodnie z zaleceniami producenta.

Zasilacz został zbudowany na specjalizowanym układzie IS32LT3954 firmy ISSI/Lumissil, którego budowę wewnętrzną pokazano na rysunku 1. Integruje on w swej strukturze przetwornicę obniżającą z układem stabilizacji prądu wyjściowego z możliwością regulacji sygnałem PWM. Przetwornica pracuje w trybie rozproszonego widma dla zmniejszenia zakłóceń EMI. Układ wyposażony jest w rozbudowany system monitorowania i wykrywa najważniejsze usterki przetwornicy oraz dołączonych diod LED.

Rysunek 1. Budowa wewnętrzna IS32LT3954

Budowa i działanie

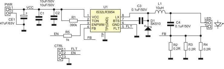
Schemat zasilacza został pokazany na rysunku 2. Napięcie zasilania poprzez złącze PWR, zespół kondensatorów filtrujących CE1, C1, C2 doprowadzone jest do układu przetwornicy U1 typu 32LT3954. Rezystor R1 określa częstotliwość pracy układu, która w prezentowanym układzie wynosi ok. 500 kHz.

Rysunek 2. Schemat ideowy zasilacza LED

Rezystory R2...R4 są elementami układu stabilizacji prądu wyjściowego przetwornicy obniżającej napięcie. Wartość rezystorów dobierana jest w zależności od wymaganego prądu LED według wzoru:

Iled=Vfb/(R2||R4),

gdzie Vfb=0,2 V.

W układzie modelowym R2=0,2 Ω, R3, R4 nie są montowane, co ustala prąd LED na 1 A. Maksymalny prąd przetwornicy wynosi 3 A, odpowiada wartości R2=R3=R4=0,2 Ω.

Dioda lub łańcuch diod podłączone są do złącza LED. Do złącza CTRL doprowadzone są sygnały EN i FLT. Podanie stanu wysokiego na wejście EN aktywuje przetwornicę, podanie sygnału PWM o częstotliwości w przedziale 100 Hz...20 kHz umożliwia regulację jasności LED. Próg zmiany stanu wejścia EN określony jest na 1,4 V, napięcie podane na wejście EN, nie może przekraczać napięcia zasilania układu. Jeżeli nie używamy regulacji PWM, do załączenia przetwornicy wystarczy zewrzeć wejście z napięciem zasilania, a do wyłączenia z masą układu, wejście nie powinno pozostawać niepodłączone. Wyjście alarmowe FLT typu OD, sygnalizuje stanem niskim usterkę w układzie.

Montaż i uruchomienie

Układ zmontowany jest na niewielkiej dwustronnej płytce drukowanej, której schemat został pokazany na  rysunku 3. Montaż nie wymaga szczegółowego opisu, należy tylko pamiętać, aby poprawnie przylutować pad termiczny U1. Po zlutowaniu należy płytkę umyć usuwając resztki topnika. Zmontowany układ pokazuje fotografia tytułowa.

Rysunek 3. Schemat płytki PCB

Układ nie wymaga uruchamiania, konieczna jest jednak optymalizacja elementów zgodnie z notą katalogową IS32LT3954 pod kątem dołączonej diody LED. W pierwszej kolejności dobierany jest rezystor R1, określający częstotliwość oscylatora, następnie na podstawie parametrów LED szacowany jest zakres napięć zasilania układu, ustalany jest rezystor układu stabilizacji prądu oraz dobierana jest wymagana indukcyjność dławika.

Wartości elementów modelu R2=0,2 Ω, R3, R4 nie lutowane, przystosowane są do zasilania power LED COB 12 V/10 W. Układ wymaga w tym przypadku zasilania napięciem 15 V o wydajności przynajmniej 1 A. Zmierzona sprawność układu wynosi ok. 80%. Montując dodatkowo rezystor R3=0,2 Ω, można bez innych zmian w układzie zasilać LED 12 V/20 W, pamiętając o zwiększeniu wydajności prądowej zasilania do 2 A.

Należy pamiętać o odpowiednim chłodzeniu zarówno struktur LED jak i układu, w przypadku pracy z maksymalnym prądem warto U1 i D1 wyposażyć w niewielkie radiatory i zapewnić cyrkulację powietrza wokół płytki. Po podaniu zasilania, należy woltomierzem z funkcją TRMS sprawdzić spadek napięcia na rezystorach R2...R4 odpowiadający ustawionemu prądowi LED.

Adam Tatuś, EP

Wykaz elementów:
Rezystory:
  • R1: 390 kΩ (SMD0805) 1% (dobrać)
  • R2, R3, R4: 0,2 Ω (SMD1206) 0,25 W 1% (dobrać)
  • R5: 1 kΩ (SMD0805) 5%
Kondensatory:
  • C1, C2: 10 μF/50 V (SMD1206)
  • CE1: 47 μF/63 V elektrolityczny LOW ESR
  • C3: 0,1 μF/50 V (SMD0805)
  • C4: 0,1 μF/50 V (SMD1206)
Półprzewodniki:
  • D1: SK510 dioda Schottkiego (SMD)
  • LED, PWR: złącze śrubowe DG 3,5 mm 2-wyprowadzenia
  • U1: IS32LT3954 (SO8TP)
Pozostałe:
  • CTRL: złącze PH 3-wyprowadzenia 2 mm proste
  • L1: 10 μH dławik Ferrocore HPI1260-100 (dobrać)
Artykuł ukazał się w
Elektronika Praktyczna
sierpień 2022
DO POBRANIA
Materiały dodatkowe
Elektronika Praktyczna Plus lipiec - grudzień 2012

Elektronika Praktyczna Plus

Monograficzne wydania specjalne

Elektronik listopad 2025

Elektronik

Magazyn elektroniki profesjonalnej

Raspberry Pi 2015

Raspberry Pi

Wykorzystaj wszystkie możliwości wyjątkowego minikomputera

Świat Radio listopad - grudzień 2025

Świat Radio

Magazyn krótkofalowców i amatorów CB

Automatyka, Podzespoły, Aplikacje listopad - grudzień 2025

Automatyka, Podzespoły, Aplikacje

Technika i rynek systemów automatyki

Elektronika Praktyczna listopad 2025

Elektronika Praktyczna

Międzynarodowy magazyn elektroników konstruktorów

Elektronika dla Wszystkich grudzień 2025

Elektronika dla Wszystkich

Interesująca elektronika dla pasjonatów