Włącznik taśmy LED 12 V płynnie zmieniający jasność

Włącznik taśmy LED 12 V płynnie zmieniający jasność

Wiele układów, które mają za zadanie płynnie załączać oraz wyłączać oświetlenie, ma wspólną wadę: poszczególne kroki procesu rozjaśniania są wyraźnie widoczne, tworząc wrażenie schodkowej zmiany natężenia światła. Zaprezentowany układ również używa do regulacji modulacji PWM, lecz wypełnienie tego sygnału przyrasta w taki sposób, że nie widać momentów zmian wypełnienia – zmian jasności świecenia.

Podstawowe parametry:
  • płynne rozjaśnianie i ściemnianie taśmy LED 12 V w zależności od położenia styków przełącznika sterującego,
  • regulacja czasu trwania całego cyklu: od kilku sekund do 10 minut,
  • dopuszczalna obciążalność wyjścia: około 5 A,
  • „wygładzona” zmiana wypełnienia sygnału PWM, bez zauważalnych skoków,
  • częstotliwość sygnału PWM około 490 Hz,
  • zasilanie 12 V.

Imitowanie wschodów i zachodów słońca może być przydatne np. w domowej hodowli zwierząt. Zwłaszcza te egzotyczne gatunki mogą być wyczulone na nagły rozbłysk światła lub jego całkowite wygaszenie w mgnieniu oka. To nie są dla nich naturalne warunki. Nasza życiodajna gwiazda daje nam przecież relatywnie powolne wschody i zachody.

Typowe układy regulacji PWM, jakie stosuje się do taśm LED, mają pewną wadę: jasność przyrasta w nich zauważalnie skokowo, co jest skutkiem skończonej rozdzielczości regulacji. Jednak w swoich eksperymentach zauważyłem, że nawet szesnaście bitów regulacji wypełnienia, czyli 65536 kroków, nie daje prawdziwie płynnej regulacji. Stopniowe rozjaśnianie i ściemnianie jest widoczne zwłaszcza przy niewielkiej jasności. Jaką zatem rozdzielczość ma generator sygnału PWM w tym układzie? Śmiesznie niską, ponieważ liczy tylko osiem bitów. Jak więc rozwiązano ten problem? Przy użyciu kilku podstawowych bloków analogowych. Zainteresowanych zapraszam do lektury tego artykułu.

Budowa i działanie

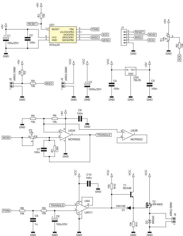
Schemat ideowy układu znajduje się na rysunku 1. Głównym elementem układu jest US1, czyli mikrokontroler typu ATtiny25. Jego rdzeń jest taktowany sygnałem zegarowym o częstotliwości 8 MHz, którego źródłem jest wbudowany generator RC. Ma wyłączony wewnętrzny dzielnik sygnału zegarowego. Jego zadaniem jest generowanie dwóch sygnałów PWM: jednego stałego, a drugiego o zmieniającym się wypełnieniu. Skąd taka potrzeba? Sygnał prostokątny o stałej częstotliwości (około 490 Hz) i stałym wypełnieniu 50% jest konwertowany na sygnał trójkątny o możliwie liniowych zboczach. Dokonuje tego wzmacniacz operacyjny US3A, który został skonfigurowany do pracy jako układ całkujący. Stałą czasową całkowania wyznacza zastępcza rezystancja potencjometru P1 oraz pojemność kondensatora C7. Rezystor R7 jest konieczny do pracy układu z rzeczywistym wzmacniaczem operacyjnym, który wymaga stałoprądowego sprzężenia między wyjściem a swoim wejściem odwracającym – dla uzyskania stabilnej pracy.

Rysunek 1. Schemat ideowy włącznika taśmy LED

W typowych, książkowych przykładach tego typu układów wejście nieodwracające wzmacniacza operacyjnego podłącza się do masy. To miałoby sens w sytuacji, gdyby układ był zasilany napięciem symetrycznym, a sygnał wejściowy miałby zerową składową stałą.

W tym zastosowaniu chcielibyśmy uzyskać sygnał trójkątny zmieniający się liniowo od 0 do 5 V, mając do dyspozycji sygnał prostokątny zmienny w tym samym przedziale napięć. Dlatego wytworzono „sztuczną masę” dla US3A poprzez spolaryzowanie jego wejścia nieodwracającego dzielnikiem napięcia złożonym z R5 i R6.

W tej roli użyto układu MCP6002, który jest popularnym i tanim podwójnym wzmacniaczem mającym zarówno wejścia, jak i wyjścia typu rail-to-rail. W wersji przewlekanej nie występuje układ MCP6001, czyli pojedyncza wersja tego układu, więc nieużywany wzmacniacz operacyjny, US3B, został włączony jako wtórnik napięcia, aby jego wejścia pozostawały prawidłowo spolaryzowane. Użycie innego układu, na przykład LM358, wymagałoby wygenerowania napięcia ujemnego dla uzyskania prawidłowej pracy stopnia wyjściowego, co przekładałoby się na jeszcze większy stopień skomplikowania układu.

Rysunek 2. Oscylogram napięcia na wyjściu układu całkującego

Jakie są efekty jego pracy? Ponoć jeden rysunek jest wart więcej niż tysiąc słów, niech zatem oscylogram z rysunku 2 odpowie na to pytanie. W przeciwieństwie do quasi-trójkątnego sygnału, jaki zostałby uzyskany za pomocą prostego filtru RC, ten ma zbocza liniowe, więc zmiana napięcia na wejściu komparatora będzie odpowiadała proporcjonalnej zmianie wypełnienia.

Tak, w tym układzie jest jeszcze komparator, a dokładniej poczciwy LM311. Jego parametry nie są oszałamiające, lecz w pełni wystarczają do tego układu. Jego zadaniem jest wytworzenie sygnału PWM, przy użyciu dwóch składowych:

  • sygnału trójkątnego z układu całkującego,
  • płynnie zmieniającego się napięcia stałego, które wytwarza filtr dolnoprzepustowy R8-R8-R9-C9.

Mikrokontroler, podczas rozjaśniania i ściemniania taśmy, dokonuje wykładniczej zmiany wypełnienia sygnału na linii o nazwie PWM. Napięcie to jest filtrowane dwuczłonowo, wskutek czego powstaje napięcie stałe, przesuwające próg zadziałania komparatora. Im wyższa wartość tego napięcia, tym większa część sygnału trójkątnego zostanie zamieniona na wyjściowy sygnał prostokątny o zmieniającym się wypełnieniu.

W roli stopnia sterującego wykonawczym tranzystorem MOSFET został użyty tzw. wtórnik przyspieszony. Zbocze opadające realizuje tranzystor wyjściowy komparatora, który wchodzi w stan nasycenia i poprzez diodę D1 wyciąga ładunek z bramki T2, wprowadzając go w stan przewodzenia. Z kolei zbocze narastające wymusza rezystor R10, którego rezystancja (widziana przez bramkę T2) jest wielokrotnie mniejsza za sprawą wtórnika napięciowego na tranzystorze T1. R11 stanowi obciążenie emitera T1, aby mógł on pracować prawidłowo.

Dioda D2 chroni T2 przed uszkodzeniem wywołanym impulsami wysokiego napięcia, które mogłyby powstać podczas jego zatykania. Gdyby obciążenie miało charakter indukcyjny, a długie przewody połączeniowe mogą takowy przejawiać, wyłączanie go wywoływałoby powstawanie na jego zaciskach napięcia, generowanego przez samoindukcję. Zadaniem D2 jest obcinanie amplitudy tych impulsów poprzez zamykanie drogi dla zanikającego prądu.

Czas narastania i zmniejszania jasności jest regulowany potencjometrem P1, który został włączony jako dzielnik napięcia zasilającego. Użytkownik przekręca jego ślizgacz cienkim wkrętakiem, a mikrokontroler, przy użyciu wbudowanego przetwornika ADC, mierzy to napięcie i wystawia w postaci liczby z przedziału 0…1023. Dalsza część programu przelicza tę wartość na interwały czasowe pomiędzy kolejnymi przyrostami poziomu jasności, których jest 60.

Przełącznik bistabilny, który steruje pracą układu, należy podłączyć do zacisków złącza J2. Z uwagi na zakłócenia elektromagnetyczne, jakie mogą zaindukować się w długich przewodach połączeniowych, zachodzi konieczność ograniczenia prądu diod zabezpieczających wejście mikrokontrolera. To czyni rezystor R4. Zadaniem R2 jest polaryzacja styków przełącznika napięciem 5 V, aby mikrokontroler mógł wykryć, czy zostały one zwarte.

W przypadku linii SCK nie ma takiego zagrożenia, a pomimo to między ślizgacz potencjometru P1 a wyprowadzenie mikrokontrolera został włączony rezystor R2. On z kolei umożliwia zaprogramowanie układu ATtiny25. Złącze J1 może służyć do zaprogramowania pamięci Flash tego układu oraz konfiguracji jego bitów zabezpieczających. Bez tego rezystora potencjometr mógłby prezentować sobą zbyt niską rezystancję, aby programator mógł wymusić na tej linii stan logiczny. Wspomniany wcześniej rezystor R4 spełnia podobną funkcję.

Zasilanie dla układu i obciążenia podłącza się do zacisków złącza J3. Jego wartość może wynosić około 12 V, a mikrokontroler wymaga niższego, około 5 V, najlepiej stabilizowanego. Dostarcza go stabilizator liniowy US2 typu 78L05. Nie było potrzeby stosowania przetwornicy impulsowej, ponieważ pobór prądu z jego wyjścia jest bardzo mały, rzędu kilku miliamperów.

Montaż i uruchomienie

Układ został zmontowany na dwustronnej płytce drukowanej o wymiarach 65×45 mm, której schemat został pokazany na rysunku 3. W odległości 3 mm od krawędzi płytki znalazły się otwory montażowe, każdy o średnicy 3,2 mm. Wlutowanie wszystkich elementów powinno odbyć się według standardowej kolejności, czyli zaczynając od tych, których wysokość obudowy jest najniższa. Pod układy scalone polecam zastosować podstawki, aby ułatwić ich wymianę w razie awarii. Tranzystor T2 nie wymaga chłodzenia, o ile prąd pobierany przez obciążenie nie będzie przekraczał 1,5 A. Powyżej tego prądu zalecam przykręcenie do jego obudowy niewielkiego radiatora. Maksymalny prąd pobierany z wyjścia szacuję na 5 A z uwagi na wytrzymałość prądową ścieżek. Jak ta wartość przekłada się na długość taśmy LED? Jeżeli jej moc wynosi 6 W/m, to dopuszczalna długość podłączonego odcinka może wynosić aż 10 m. Taśma o większej mocy będzie mogła być proporcjonalnie krótsza.

Rysunek 3. Schemat płytki PCB

Prawidłowo zmontowany układ może działać po zaprogramowaniu pamięci Flash mikrokontrolera i ustawieniu jego bitów zabezpieczających na następujące wartości:

High Fuse = 0xDC
Low Fuse = 0xE2

Szczegóły tej konfiguracji są na rysunku 4, który zawiera zrzut okna programu BitBurner. W ten sposób zostanie wyłączony wewnętrzny preskaler zegara oraz uruchomiony Brown-Out Detector, który wprowadzi mikrokontroler w stan zerowania, jeżeli jego napięcie zasilające spadnie poniżej 4,3 V. To znacznie zmniejsza ryzyko zawieszenia się układu podczas uruchamiania.

Rysunek 4. Szczegóły ustawienia bitów zabezpieczających

Odpowiednim zasilaniem dla tego układu będzie napięcie stałe o wartości 12 V, ale dopuszczalny zakres rozciąga się w przedziale 9…18 V. Dolny próg wynika z konieczności zapewnienia prawidłowych warunków pracy stabilizatora US2, zaś górny z wytrzymałości izolatora podbramkowego tranzystora T2. Należy pamiętać, że taśma będzie zasilana tym samym napięciem co układ, więc może dojść do jej zniszczenia w razie podłączenia napięcia wyższego od nominalnego. Pobór prądu przez prototyp wyniósł około 15 mA przy zasilaniu 12 V, bez podłączonej taśmy.

Podłączenie układu sprowadza się do dołączenia:

  • zasilania napięciem stałym (złącze J3),
  • sterowanego źródła światła (złącze J4),
  • przełącznika bistabilnego (złącze J2).

Przez przełącznik płynie prąd o natężeniu rzędu 0,5 mA, więc grubość oraz długość przewodów połączeniowych nie mają znaczenia. Zwarcie jego styków oznacza rozpoczęcie rozjaśniania, rozłączenie – rozpoczęcie ściemniania.

Układ zawiera dwa potencjometry – P1 i P2, które należy odpowiednio ustawić. P1 służy do ustawienia pożądanego czasu rozjaśniania i ściemniania. Skręcając go w stronę napisu MIN na płytce, czas ten skracamy. Teoretycznie minimalny czas trwania tego cyklu trwa 2 s, ale z uwagi na wydłużony czas odpowiedzi jednostkowej, jaki wprowadza dolnoprzepustowy filtr sygnału PWM, całkowite wygaszenie taśmy LED następuje po około 5...6 s. Maksymalny czas cyklu to około 10 min.

Potencjometr P2 powinien być ustawiony w pobliżu połowy dostępnego zakresu regulacji, a dokonując niewielkich korekt, możemy poprawić jakość działania tego układu. Chodzi o to, aby sygnał na wyjściu układu całkującego miał kształt trójkątny o możliwie dużej wartości międzyszczytowej, lecz bez „wypłaszczonych” zniekształceń wierzchołków. Zbyt mała amplituda będzie powodowała niepotrzebnie długie oczekiwanie na jakiekolwiek włączenie się taśmy po zwarciu styków przełącznika, a zbyt duża – objawiająca się zniekształcaniem – spowoduje szybkie rozjaśnienie taśmy na początku cyklu jej włączania.

Najprościej byłoby to ustawić przy użyciu oscyloskopu (nóżka 1 układu US3), gdyż układ całkujący przez cały czas generuje sygnał trójkątny na swoim wyjściu, niezależnie od stanu styków przełącznika sterującego. Jednak w sytuacji, gdy go nie posiadamy, można to zrobić w ciągu dosłownie kilku minut. Wystarczy skręcić P1 w stronę minimalnego czasu trwania cyklu (MIN), podłączyć taśmę LED oraz zasilanie i zewrzeć styki przełącznika.

Jeżeli zwłoka w rozpoczęciu rozjaśniania taśmy była zbyt duża, trzeba zmniejszyć stałą czasową całkowania, czyli skręcić P2 w prawo. Jeżeli zaś rozjaśnianie rozpoczęło się nagle, bez płynnego włączenia, oznacza to przesterowanie członu całkującego, na co możemy zaradzić, zwiększając stałą czasową – P2 należy skręcić nieco w lewo. Po kilku próbach uda się znaleźć odpowiedni konsensus, można też nieco wydłużyć czas trwania cyklu, aby przekonać się, czy poczynione regulacje są prawidłowe.

Z uwagi na wykładniczy przyrost napięcia na wyjściu dolnoprzepustowego oraz z powodu istnienia offsetu napięciowego komparatora i wzmacniacza operacyjnego, może okazać się niemożliwe do uzyskania rozpoczęcie zauważalnego rozjaśniania taśmy bezpośrednio po zwarciu styków przełącznika. Jeżeli cały cykl ma trwać kilka minut, to przez pierwszych kilkanaście sekund napięcie stałe na wejściu komparatora przyrasta w naprawdę minimalnym stopniu, co może nie być wystarczające do uzyskania impulsów na jego wyjściu.

To nie świadczy o uszkodzeniu układu lub o jego nieprawidłowej konstrukcji, lecz jest po prostu konsekwencją zastosowania prostych bloków analogowych, wykonanych z nieidealnych elementów, o niewyśrubowanych parametrach.

Michał Kurzela, EP

Wykaz elementów:
Rezystory: (THT o mocy 0,25 W)
  • R1…R6, R8…R11: 10 kΩ
  • R7: 1,5 MΩ
  • P1, P2: 10 kΩ montażowe leżące
Kondensatory:
  • C1, C9: 100 μF 25 V raster 2,5 mm
  • C2, C4…C7, C10: 100 nF raster 5 mm MKT
  • C3: 1000 μF 25 V raster 5 mm
  • C8: 1 μF raster 5 mm MKT
Półprzewodniki:
  • D1: 1N4148
  • D2: SR540
  • T1: BC546
  • T2: IRF4905
  • US1: ATtiny25 (DIP8)
  • US2: 78L05 (TO92)
  • US3: MCP6002 (DIP8)
  • US4: LM311 DIP8
Pozostałe:
  • J1: goldpin 5 pin męski 2,54 mm THT
  • J2…J4: ARK2/500
  • Trzy podstawki DIP8
Artykuł ukazał się w
Elektronika Praktyczna
maj 2022
DO POBRANIA
Materiały dodatkowe
Elektronika Praktyczna Plus lipiec - grudzień 2012

Elektronika Praktyczna Plus

Monograficzne wydania specjalne

Elektronik listopad 2025

Elektronik

Magazyn elektroniki profesjonalnej

Raspberry Pi 2015

Raspberry Pi

Wykorzystaj wszystkie możliwości wyjątkowego minikomputera

Świat Radio listopad - grudzień 2025

Świat Radio

Magazyn krótkofalowców i amatorów CB

Automatyka, Podzespoły, Aplikacje listopad - grudzień 2025

Automatyka, Podzespoły, Aplikacje

Technika i rynek systemów automatyki

Elektronika Praktyczna listopad 2025

Elektronika Praktyczna

Międzynarodowy magazyn elektroników konstruktorów

Elektronika dla Wszystkich grudzień 2025

Elektronika dla Wszystkich

Interesująca elektronika dla pasjonatów