Akumulator z ogniwami LiFePO4

Akumulator z ogniwami LiFePO4

Użytkowanie akumulatorów LiFePO4, pomimo ich większego bezpieczeństwa, w porównaniu z Li-ion, związane jest także z koniecznością spełnienia kilku warunków. Niezbędne jest ich zabezpieczenie przed zwarciem, nadmiernym rozładowaniem i przekroczeniem napięcia ładowania oraz w przypadku pakietów szeregowych dodatkowo należy balansować ładunek ogniw składowych. Prezentowany układ zawiera pakiet ogniw LiFePO4 wraz z rozbudowanym układem BMS, dzięki czemu pozwala na bezpieczne eksperymentowanie z układami zasilania bezprzerwowego.

Źródłem zasilania układu są typowe ogniwa cylindryczne LiFePO4 typu 26650. Połączenie ich w szeregowy pakiet 4S1, pozwala uzyskać napięcie 12,8 V, zbliżone do napięcia typowego akumulatora kwasowego/żelowego. Magazynowanie energii w baterii akumulatorów o napięciu ok. 12 V ułatwia zastosowanie gotowych modułów ładowarek oraz przetwornic dla uzyskania napięć zasilających projektowanego układu.

Budowa i działanie

Akumulator wykonany jest w formie modułu, który składa się z dwóch bloków funkcjonalnych: baterii akumulatorów z układem zabezpieczeń, którego schemat został pokazany na rysunku 1, oraz wskaźnika napięcia, którego schemat pokazano na rysunku 2.

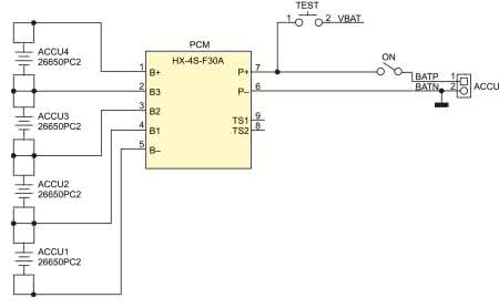
Rysunek 1. Schemat baterii akumulatorów z układem zabezpieczeń
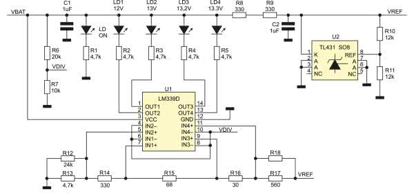
Rysunek 2. Schemat układu wskaźnika napięcia

Za realizację kluczowych funkcji odpowiada gotowy moduł BMS/PCM przystosowany do pakietów 4S, typu HX-4S-F30A. Maksymalny prąd rozładowania wynosi 30 A, ale poprzez zmianę rezystorów pomiarowych może zostać dopasowany do charakterystyki zastosowanych ogniw. W modelu należy używać ogniw 26650, które umieszczane są w specjalnych koszykach. To pozwala na szybką i bezpieczną ich wymianę, bez konieczności zgrzewania lub lutowania. Należy mieć świadomość, że ze względu na rezystancję styków koszyków, ścieżek drukowanych i wyłącznika moduł przeznaczony jest do pracy z prądami do kilku amperów. Dodatkowo dla uproszczenia obsługi wszystkie ogniwa skierowane są wyprowadzeniem + w jednym kierunku, co wydłuża ścieżki połączeniowe, ale zmniejsza ryzyko pomyłki przy użytkowaniu. Moduł wyposażony jest w wyłącznik akumulatora ON, napięcie wyjściowe dostępne jest na złączu śrubowym ACCU.

Całą konstrukcję uzupełnia prosty wskaźnik napięcia wyjściowego, aktywowany przyciskiem TEST. W przypadku akumulatorów LiFePO4 ze względu na ich płaską charakterystykę pomiar napięcia jest mocno przybliżonym sposobem oceny stanu naładowania. Wskaźnik składa się z komparatorów układu U1 typu LM339 sygnalizujących cztery progi napięcia. Napięcie z akumulatora poprzez dzielnik R6, R7 doprowadzone jest do wejść odwracających komparatorów. Układ U2 typu TL431 dostarcza napięcia odniesienia dla dzielnika wejść nieodwracających. Dioda LD ON sygnalizuje obecność zasilania, diody LD1...LD4 sygnalizują przekroczenie napięć 12; 13; 13,2; 13,3 V, pozwalając orientacyjnie ocenić stan naładowania akumulatora. Rezystorem R12 lub R18 można skorygować dokładność wskazań związaną z rozrzutem elementów.

Montaż i uruchomienie

Układ jest zmontowany na dwustronnej płytce drukowanej, której schemat został pokazany na rysunku 3. Montaż układu należy rozpocząć od wlutowania elementów układu wskaźnika napięcia, przycisku test oraz złącza ACCU. Po wlutowaniu i sprawdzeniu połączeń do złącza ACCU doprowadzamy napięcie z zasilacza laboratoryjnego. Przy naciśniętym przycisku test, zmieniając napięcie w przedziale 9...15 V sprawdzamy sygnalizację progów napięć. Ewentualnej korekty dokonujemy poprzez zmianę rezystora R12 lub R18.

Rysunek 3. Schemat płytki PCB

Następnie przy pomocy dwustronnej taśmy klejącej montujemy układ PCM, wyprowadzenia układu lutujemy do płytki za pomocą odcinków taśmy niklowej lub srebrzanki. Wygląd zmontowanej płytki od strony bottom pokazuje fotografia 1. Przed wlutowaniem koszyków 26650, przykręcamy je do płytki przy pomocy śrubek M3, zakładając podkładki izolacyjne pod nakrętki. W otwory mocujące płytki wkręcamy tulejki dystansowe, docelowo na spód płytki warto przyciąć osłonę z materiału izolacyjnego, aby nie dopuścić do przypadkowych zwarć podczas eksperymentów.

Fotografia 1. Wygląd zmontowanej płytki od strony bottom

W zależności od zastosowanych ogniw należy dobrać rezystory zabezpieczenia zwarciowego na płytce PCM (dwa rezystory SMD2512 5 mΩ przy wyprowadzeniu B–). W modelu używane są ogniwa US26650FT z dopuszczalnym prądem 20 A, próg zabezpieczenia zwarciowego ustalono bezpiecznie na ok. 5,5 A zmieniając rezystor na 25 mΩ. Jeżeli wszystko jest zmontowane i sprawdzone, należy przygotować ogniwa.

W przypadku zastosowania ogniw używanych lub pochodzących z demontażu, należy zadbać, aby nadawały się do pracy w pakiecie, tj. miały zbliżone pojemności i rezystancje wewnętrzne. Przed pierwszym umieszczeniem w płytce, każde z ogniw należy naładować w zewnętrznej ładowarce i skontrolować, czy napięcia naładowanych ogniw nie różnią się o więcej niż 50 mV. Jeżeli wszystko jest sprawdzone, ogniwa umieszczamy w koszykach w kolejności od ACCU1 do ACCU4 (wyjmowanie ogniw odbywa się w kolejności odwrotnej). Kolejne cykle ładowania i rozładowania odbywają się już pod kontrolą modułu PCM, a akumulator DIY gotowy jest do eksperymentów.

Uwaga: podczas użytkowania ogniw LiFePO4 należy zachować odpowiednie warunki eksploatacji zgodne z kartą katalogową, nieprzestrzeganie ich może spowodować zagrożenie dla zdrowia użytkownika.

Adam Tatuś, EP

Wykaz elementów:
Rezystory: (SMD0805 1%)
  • R1, R2, R3, R4, R5, R13: 4,7 kΩ
  • R6: 20 kΩ
  • R7: 10 kΩ
  • R8, R9, R14: 330 Ω
  • R10, R11: 12 kΩ
  • R12: 24 kΩ (opis)
  • R15: 68 Ω
  • R16: 30 Ω
  • R17: 560 Ω
  • R18: 910 Ω
  • R19: 1 MΩ
Kondensatory:
  • C1, C2: 1 μF ceramiczny 25 V (SMD0805)
Półprzewodniki:
  • LD, LD1, LD2, LD3, LD4: dioda LED zielona (SMD0805)
  • U1: LM339D (SO14)
  • U2: TL431 (SO8)
Pozostałe:
  • ACCU1, ACCU2, ACCU3, ACCU4: koszyk na akumulator 26650
  • ACCU: złącze śrubowe DG 10 mm
  • ON: wyłącznik ON/OFF rocker 24 V/8 A
  • PCM: moduł PCM HX-4S-F30A
  • TEST: mikroprzełącznik chwilowy 6×3 mm
  • TH: wyłącznik termiczny KSD970040 (opcja)
Artykuł ukazał się w
Elektronika Praktyczna
maj 2022
DO POBRANIA
Materiały dodatkowe
Elektronika Praktyczna Plus lipiec - grudzień 2012

Elektronika Praktyczna Plus

Monograficzne wydania specjalne

Elektronik listopad 2025

Elektronik

Magazyn elektroniki profesjonalnej

Raspberry Pi 2015

Raspberry Pi

Wykorzystaj wszystkie możliwości wyjątkowego minikomputera

Świat Radio listopad - grudzień 2025

Świat Radio

Magazyn krótkofalowców i amatorów CB

Automatyka, Podzespoły, Aplikacje listopad - grudzień 2025

Automatyka, Podzespoły, Aplikacje

Technika i rynek systemów automatyki

Elektronika Praktyczna listopad 2025

Elektronika Praktyczna

Międzynarodowy magazyn elektroników konstruktorów

Elektronika dla Wszystkich grudzień 2025

Elektronika dla Wszystkich

Interesująca elektronika dla pasjonatów