Stroboskop cyfrowy LED

Stroboskop cyfrowy LED

Stroboskopy to układy elektroniczne, które w regularnych odstępach czasu generują krótkie błyski światła. Większość z nich odmierza zadane interwały niezbyt precyzyjnie, ponieważ bazują na prostych generatorach RC. Zaprezentowany układ pozwala na bardzo dokładne ustalenie częstotliwości błysków oraz umożliwia odczyt zadanej wartości.

Podstawowe parametry:
  • cykliczne pulsowanie dołączoną do układu taśmą LED 12 V,
  • zakres regulacji częstotliwości od 4,166 Hz (250 rpm) do 25 Hz (2400 rpm),
  • jednoczesne wyświetlanie częstotliwości w hercach [Hz] i obrotach na minutę [rpm],
  • rozdzielczość regulacji 1 rpm,
  • wypełnienie błysków 1%,
  • regulacja zgrubna i dokładna przy użyciu dwóch potencjometrów,
  • wyświetlacz LCD alfanumeryczny 2×8 znaków
  • z podświetleniem,
  • zasilanie 9…16 V, typowo 12 V.

Do czego taki układ może się przydać? Załóżmy, że mamy w urządzeniu wał napędowy, którego szybkość obrotowa wynosi około 1000 rpm. Musimy poznać dokładną wartość tego parametru, ale nie ma miejsca na zamontowanie jakichkolwiek enkoderów czy innych przetworników umożliwiających pomiar wprost. Jeżeli naniesiemy na nim zwykłą, białą kreskę i będziemy oświetlać go cyklicznie powtarzającymi się impulsami światła, to w momencie zrównania się obu tych częstotliwości uzyskamy wrażenie zatrzymania się kreski w miejscu – tak zwany efekt stroboskopowy. Ze skali przyrządu możemy wtedy odczytać szybkość obrotową.

Zaprzęgnięcie do tej roli układu cyfrowego ma dwie zalety. Po pierwsze, umożliwiło łatwe użycie rezonatora kwarcowego jako wzorca częstotliwości, przez co generowane błyski są powtarzane z naprawdę dużą dokładnością. Po drugie, nie potrzeba oscyloskopu ani żadnego zewnętrznego przyrządu do pomiaru tej częstotliwości, ponieważ jest ona wyświetlana wprost na niewielkim, czytelnym ekranie, od razu wyrażona w hercach i obrotach na minutę.

Diody LED mają wiele zalet w odniesieniu do klasycznego palnika. Takie rozwiązanie może być zdecydowanie tańsze. Palniki mają znacznie krótszą żywotność niż diody LED i coraz trudniej je kupić. Możemy znacznie łatwiej regulować jasność diod LED niż palników. Gama dostępnych kolorów, kształtów, mocy i wariantów wykonań też wypada znacznie korzystniej w przypadku półprzewodnikowych źródeł światła. Co równie istotne, diody nie generują szkodliwego promieniowania UV, co palnikom zdarza się nader często, więc bezpośrednia ekspozycja takiego światła na powierzchnię skóry i oczu jest zdecydowanie mniej szkodliwa.

​Budowa i działanie

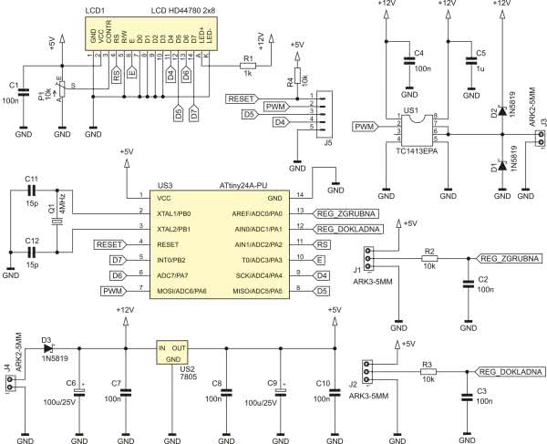
Schemat ideowy stroboskopu cyfrowego został pokazany na rysunku 1. Głównym elementem układu jest mikrokontroler typu ATtiny24A (US3). Jego rdzeń jest taktowany sygnałem zegarowym o częstotliwości 4 MHz, którego źródłem jest wbudowany generator z dodatkowym, zewnętrznym rezonatorem kwarcowym. Kondensatory C11 i C12 ułatwiają wzbudzenie drgań rezonatora. Dokładny wzorzec częstotliwości to podstawa dla prawidłowej pracy tego urządzenia.

Rysunek 1. Schemat ideowy stroboskopu cyfrowego

Czytelny wyświetlacz o organizacji 2 wiersze po 8 znaków wystarcza do tego, aby w pełni wyświetlić zadane wartości. Komunikacja z mikrokontrolerem zachodzi przy użyciu sześciu linii sygnałowych, co jest charakterystyczne dla kontrolera zgodnego z HD44780. Kontrast ustawia się potencjometrem P1. Natężenie prądu diody podświetlającej ogranicza rezystor R1 – jest ona na tyle jasna, że umożliwia wygodny odczyt, a jednocześnie nie będzie niepotrzebnie drażniła wzroku.

Programowanie mikrokontrolera może się odbyć zarówno po wyjęciu go z układu (w podstawce programatora układów AVR), jak i poprzez złącze J5. Na jego wyprowadzenia są dołączone wszystkie linie mikrokontrolera, które są wymagane przez programator ISP. Niektóre są współdzielone przez wyświetlacz, lecz nie ma to wpływu na proces programowania. Jedno wyprowadzenie jest używane również przez sterownik taśmy LED, więc w trakcie programowania będzie widoczne jej migotanie. Dlatego lepiej odłączyć taśmę na ten czas.

Zadawanie ustawień odbywa się przez obracanie osi potencjometrów podłączonych do złączy J1 i J2. Potencjometry są włączone do układu jako regulowane dzielniki napięcia – uzyskiwane z nich napięcia są cyklicznie mierzone przez mikrokontroler. Aby zmniejszyć wpływ zakłóceń oraz przerw w kontakcie między ślizgaczem a ścieżką oporową, zostały dodane proste filtry dolnoprzepustowe o częstotliwości odcięcia około 160 Hz. Po uwzględnieniu rezystancji wewnętrznej dzielnika oporowego wartość ta będzie jeszcze niższa. Dodatkowo mikrokontroler uśrednia zebrane wyniki, aby finalnie uzyskać stabilne wartości. Potencjometr regulacji dokładnej może regulować w zakresie od 0 do 102 rpm. Z kolei potencjometr regulacji zgrubnej dodaje do liczby wskazywanej na wyświetlaczu wartość z przedziału 0…2048. Ponieważ minimalna częstotliwość błysków wynosi 250 rpm (oba potencjometry skręcone na minimum, w stronę masy), maksimum wynosi 250+102+2048=2400 rpm.

Do sterowania taśmą LED nie został użyty tradycyjny klucz na tranzystorze bipolarnym lub MOSFET, lecz układ półmostkowy. Eksperymenty wykazały, że przy tak niskim wypełnieniu impulsów zasilających diody oraz przy wysokiej częstotliwości ich powtarzania dochodziło do „zlewania się” kolejnych błysków światła.

Najprawdopodobniej odpowiedzialna za to jest pojemność dyfuzyjna diod. Przyłożenie napięcia o przeciwnej polaryzacji przyspiesza jej przeładowanie i zanik świecenia. Dlatego w tym układzie znalazł zastosowanie szybki sterownik tranzystorów MOSFET – problem z przeładowywaniem pojemności diod jest podobny do tego, który występuje przy przeładowywaniu pojemności wejściowej bramki tranzystora unipolarnego. Istotną różnicą jest ciągły pobór prądu przez diody, co powoduje wydzielanie ciepła w strukturze tego układu sterującego. To ogranicza dopuszczalną długość łańcucha diod.

Wyjście układu sterującego jest zabezpieczone diodami D1 i D2, których zadaniem jest obcinanie impulsów napięcia wykraczającego poza zakres jego napięcia zasilania. Takie impulsy mogą powstawać w indukcyjnościach długich przewodów połączeniowych przy przepływie impulsowego prądu o stromych zboczach. Kondensatory C4 i C5 stanowią bufor energii dla US1 i są wymagane do jego prawidłowego działania – zgodnie z zaleceniami producenta tego układu.

Wejściem zasilania układu jest złącze J4. Dioda D3 chroni układ przed uszkodzeniem w razie odwrotnego podłączenia biegunów źródła zasilającego. Stabilizator US2 jest klasycznym stabilizatorem liniowym, ponieważ pobór prądu przez układy cyfrowe zasilane z jego wyjścia jest na tyle niski, że użycie przetwornicy impulsowej mijałoby się z celem. Jednocześnie obudowa typu TO220 zapewnia skuteczne rozpraszanie wydzielanego ciepła i dodatkowy radiator nie jest wymagany.

​Montaż i uruchomienie

Układ został zmontowany na dwustronnej płytce drukowanej o wymiarach 80×50 mm. Jej schemat został pokazany na rysunku 2. W odległości 3 mm od krawędzi płytki znalazły się otwory montażowe, każdy o średnicy 3,2 mm.

Rysunek 2. Schemat płytki PCB

Montaż proponuję rozpocząć od elementów o najmniejszej wysokości obudowy, które będą ukryte pod wyświetlaczem. Należą do nich diody D1…D3, rezonator kwarcowy Q1, podstawki pod układy scalone i inne. Rezystory R2 i R3 montowane są w pionie. Kondensatory C3 i C9 należy wlutować na nieco dłuższych nóżkach, aby dało się je położyć równolegle do powierzchni płytki. Wygląd zmontowanej płytki przed zamontowaniem wyświetlacza można zobaczyć na fotografii 1.

Fotografia 1. Widok zmontowanego układu od strony wyświetlacza

Po drugiej stronie znajduje się element o większej wysokości obudowy – stabilizator US2, oraz te podzespoły, do których chcemy mieć wygodny dostęp – złącza J1…J5 i potencjometr P1, tak jak pokazano na fotografii 2.

Fotografia 2. Widok zmontowanego układu od strony złączy

Na samym końcu trzeba wlutować złącza do wyświetlacza LCD – jedno sygnałowo-zasilające i dwa do podświetlenia. Polecam zrobić to w tej kolejności:

  • przykręcić cztery tuleje dystansowe do płytki tak, aby wystawały po tej stronie, co układy scalone US1 i US3,
  • złożyć wszystkie złącza: szpilki umieścić w gniazdach,
  • trzymając płytkę poziomo, tulejami dystansowymi do góry, należy włożyć złącza do odpowiadających im otworów, na przykład częścią żeńską do góry,
  • nałożyć wyświetlacz na odpowiednie złącza i wyśrodkować, aby jego otwory montażowe pokryły się z tymi, które są w tulejach,
  • przytrzymać wyświetlacz palcem i przykręcić go do tulei, wtedy złącza już nie wypadną z płytki,
  • przylutować wszystkie złącza do wyświetlacza oraz do płytki stroboskopu cyfrowego.

Do złączy J1 i J2 należy podłączyć potencjometry służące do ustawiania częstotliwości błysków. Można je przykręcić wprost do złączy, jak to uczyniono w układzie modelowym, lub można też dołączyć za pomocą przewodów. Rezystancja ścieżki nie musi wynosić dokładnie 10 kΩ, ponieważ służą jedynie jako dzielniki napięcia. Nawet nie muszą być identyczne. Można przyjąć, że zakres rezystancji 2…100 kΩ jest jak najbardziej optymalny. Wtedy pobór prądu ze stabilizatora nie będzie zbyt wysoki, a jednocześnie rezystancja wewnętrzna takiego dzielnika będzie na tyle niska, że układ będzie miał małą wrażliwość na zakłócenia pochodzące z zewnątrz.

Na etapie uruchamiania konieczne jest zaprogramowanie pamięci programu mikrokontrolera dostarczonym wsadem oraz zmiana jego bitów zabezpieczających na wartości: Low Fuse = 0xFD, High Fuse = 0xDC. Szczegóły zostały pokazane na rysunku 3 – jest to okno konfiguracji tych bitów w programie BitBurner. W ten sposób zostanie uruchomiony generator dla rezonatora kwarcowego oraz Brown-Out Detector, który wprowadzi mikrokontroler w stan zerowania, jeżeli jego napięcie zasilające spadnie poniżej 4,3 V. To znacznie zmniejsza ryzyko nieprawidłowego uruchomienia układu.

Rysunek 3. Szczegóły ustawienia bitów zabezpieczających

Ostatnią czynnością uruchomieniową jest ustawienie potencjometru P1, który odpowiada za kontrast wyświetlacza. Najlepiej zrobić to w temperaturze zbliżonej do tej, w której układ będzie pracował.

Odpowiednim zasilaniem dla urządzenia będzie napięcie stałe o wartości 12 V, ale dopuszczalny zakres rozciąga się w przedziale 9…16 V. Dolny próg wynika z konieczności zapewnienia prawidłowych warunków pracy stabilizatora US2, zaś górny z wytrzymałości napięciowej układu US1. Pobór prądu przez prototyp wyniósł około 20 mA przy zasilaniu 12 V, bez podłączonej taśmy. Maksymalny pobór prądu przez taśmę LED (podłączoną do złącza J3) nie powinien przekraczać 380 mA. Wynika to z dopuszczalnej mocy strat układu US1 (730 mW) i maksymalnej rezystancji wewnętrznej (5 Ω). Wprawdzie w tej aplikacji diody migają z wypełnieniem jedynie 1%, więc wydzielana w strukturze moc jest znacznie mniejsza niż przy pracy ciągłej, ale warto wziąć margines bezpieczeństwa na wypadek zawieszenia się mikrokontrolera i ciągłego świecenia diod. Gdyby zaszła potrzeba sterowania większą liczbą diod, a jednocześnie godzimy się na możliwość przegrzania układu w razie wystąpienia usterki, to dopuszczalny prąd wyjściowy (w impulsie) nie może przekraczać wartości 3 A dla układu TC1413EPA.

Jak te wartości przekładają się na długość taśmy LED? Jeżeli jej moc wynosi 6 W/m, to przy założeniu proponowanego górnego pułapu poboru prądu (380 mA) dopuszczalna długość podłączonego odcinka wynosi 76 cm. Jeżeli zaś jako ograniczenie przyjmiemy 3 A, to maksymalna długość wynosi aż 6 m.

Obciążeniem wyjścia układu niekoniecznie musi być taśma LED. Może to być również pojedyncza dioda LED dużej mocy z odpowiednim rezystorem ograniczającym jej prąd przewodzenia. Takie punktowe źródło światła może być bardziej zbliżone do tego, które emituje palnik stroboskopowy.

Michał Kurzela, EP

Wykaz elementów:
Rezystory: (THT o mocy 0,25 W)
  • R1: 1 kΩ
  • R2…R4: 10 kΩ
  • P1: 10 kΩ montażowy leżący
Kondensatory:
  • C1…C4, C7, C8, C10: 100 nF raster 5 mm MKT
  • C5: 1 μF raster 5 mm MKT
  • C6, C9: 100 μF 25 V raster 2,5 mm
  • C11, C12: 15 pF raster 5 mm monolityczne
Półprzewodniki:
  • D1…D3: 1N5819
  • LCD1: 2×8, zgodny z HD44780
  • US1: TC1413EPA (DIP8)
  • US2: 7805 (TO220)
  • US3: ATtiny24A-PU (DIP14)
Pozostałe:
  • J1, J2: ARK3/500
  • J3, J4: ARK2/500
  • J5: goldpin 5×1, 2,54 mm THT
  • Q1: 4 MHz niski
  • Jedna podstawka DIP8
  • Jedna podstawka DIP14
  • Dwa potencjometry 10 kΩ jednoobrotowe liniowe
  • Złącze męskie i żeńskie goldpin 2×7, 2,54 mm
  • Dwa złącza męskie i żeńskie goldpin 1 pin, 2,54 mm
  • Cztery tuleje dystansowe, gwint wewnętrzny M3 12 mm poliamid
  • Osiem śrub M3 6 mm
Artykuł ukazał się w
Elektronika Praktyczna
marzec 2022
DO POBRANIA
Materiały dodatkowe
Elektronika Praktyczna Plus lipiec - grudzień 2012

Elektronika Praktyczna Plus

Monograficzne wydania specjalne

Elektronik listopad 2025

Elektronik

Magazyn elektroniki profesjonalnej

Raspberry Pi 2015

Raspberry Pi

Wykorzystaj wszystkie możliwości wyjątkowego minikomputera

Świat Radio listopad - grudzień 2025

Świat Radio

Magazyn krótkofalowców i amatorów CB

Automatyka, Podzespoły, Aplikacje listopad - grudzień 2025

Automatyka, Podzespoły, Aplikacje

Technika i rynek systemów automatyki

Elektronika Praktyczna listopad 2025

Elektronika Praktyczna

Międzynarodowy magazyn elektroników konstruktorów

Elektronika dla Wszystkich grudzień 2025

Elektronika dla Wszystkich

Interesująca elektronika dla pasjonatów