Tranzystorowy moduł wykonawczy z optoizolacją

Tranzystorowy moduł wykonawczy z optoizolacją

Przełączanie prądu o wysokim natężeniu może przysporzyć wielu nieoczekiwanych problemów. Straty mocy, generowane zakłócenia, zapewnienie odpowiednio szerokich ścieżek – to tylko część zagadnień, którym należy sprostać. Zaprezentowany moduł pozwala w prosty sposób zrealizować wysokoprądowe wyjście sterujące. Dodatkowo zapewnia izolację galwaniczną między układem sterującym, a generującą zakłócenia częścią wysokiej mocy.

Podstawowe parametry:
  • tranzystor MOSFET jako element wykonawczy,
  • możliwość przewodzenia prądu o natężeniu do 20 A,
  • napięcie zasilania obciążenia: 0...50 V,
  • oddzielne wejście zasilania bloku sterującego,
  • wbudowane zabezpieczenia tranzystora wykonawczego,
  • izolacja galwaniczna zrealizowana transoptorem.

Mikrokontrolery nie są w stanie przełączać obciążeń pobierających znaczny prąd, wymagają stosowania odpowiednich układów wykonawczych. Najlepiej, aby taki układ miał wbudowane zabezpieczenia chroniące sam element wykonawczy przed uszkodzeniem. Jeszcze lepiej, aby te zabezpieczenia uwzględniały również obciążenia indukcyjne, takie jak silniki prądu stałego. Izolacja galwaniczna również przyczynia się do poprawy stopnia ochrony delikatnego układu sterującego. Wszystkie te funkcje ma zaprezentowany moduł. Wystarczy dołączyć dwa źródła zasilania, obciążenie i sygnał sterujący. Dzięki temu można skupić się na rozwoju innych funkcji urządzenia, na przykład jego oprogramowaniu.

Budowa i działanie

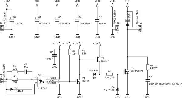
Schemat modułu został pokazany na rysunku 1. Elementem wykonawczym jest tranzystor MOSFET typu IRFP064N. Jego rezystancja otwartego kanału to jedynie 8 mΩ, co gwarantuje powstawanie minimalnych strat mocy. Przy przepływie prądu o maksymalnym dopuszczalnym natężeniu (20 A) wydzieli się na nim niewielka moc, jedynie 3,2 W.

Rysunek 1. Schemat ideowy układu

Izolację galwaniczną zapewnia transoptor OK1. Układ sterujący, który załącza diodę LED w jego strukturze, wywołuje przewodzenie elementu odbiorczego po drugiej stronie izolatora. W strukturę tego transoptora jest wbudowany przerzutnik Schmitta, który zapewnia możliwie szybkie przełączanie wyjścia wraz z niewielką histerezą. Takie warunki umożliwiają prawidłowe odtworzenie prostokątnego sygnału sterującego. Jednak sama dioda również wymaga odpowiedniego sterowania, aby spełniała swoją funkcję. Równolegle do rezystora R1, który ogranicza prąd przez nią płynący, znajduje się rezystor R2 połączony szeregowo z C6. Kondensator ma niewielką pojemność, bowiem jego rolą jest zwiększenie natężenia prądu diody w momentach występowania zboczy sygnału sterującego. Wtedy R1 i R2 na krótką chwilę stają się połączone równolegle, gdyż C6 stanowi zwarcie dla szybkich zmian napięcia. Dioda D2 zabezpiecza diodę LED przed przebiciem wywołanym przez impulsy napięcia o przeciwnej polaryzacji.

Wyjście transoptora odwraca sygnał, czyli przyjmuje niski stan logiczny po załączeniu diody LED. Dlatego w roli odwracacza fazy użyto tranzystora T1 typu MOSFET, który nie wchodzi w nasycenie, bowiem jest to tranzystor unipolarny. Czas trwania impulsów nie będzie zniekształcony przez opóźnienie wynikające z wychodzenia tego elementu ze stanu nasycenia. Rezystor R3 polaryzuje jego bramkę potencjałem dodatnim, aby domyślnie jego kanał był otwarty. Obciążeniem drenu T1 jest rezystor R4, który ma jednak zbyt dużą wartość, aby szybko przeładowywać pojemność wejściową tranzystora wykonawczego – T3. Z tego powodu między drenem T1 a bramką T3 zostały dodane dwa elementy przyspieszające ten proces: wtórnik napięciowy na tranzystorze T2, który zmniejsza rezystancję R4 „widzianą” przez bramkę T3 oraz diodę D3, która otwiera się podczas opadania potencjału drenu T1. W ten sposób została zmniejszona dysproporcja między rezystancją ładującą bramkę T3 a rozładowującą ją.

Rezystor R5 ogranicza prąd przeładowujący pojemność wejściową T3. Z kolei dioda D4 zabezpiecza izolator podbramkowy tranzystora T3 przed przebiciem, które powstałoby po przekroczeniu dopuszczalnego napięcia bramka-źródło. Szybka dioda typu transil lepiej sprawdzi się w takim układzie niż dioda Zenera, ponieważ jej przełączanie zajmuje zdecydowanie mniej czasu, a powstające zakłócenia mogą mieć postać szpilek.

Do ochrony tranzystora T3 przed wspomnianymi zakłóceniami służy dioda D1 oraz gasik RC, złożony z rezystora R6 i kondensatora C8. Teoretycznie rzecz biorąc, wartości elementów gasika powinny zostać precyzyjnie dobrane do przełączanego obciążenia oraz do szybkości przełączania tranzystora T3. Jednak w praktyce gasik złożony z zaproponowanych na schemacie elementów sprawdza się dostatecznie dobrze, choć nic nie stoi na przeszkodzie, by go samodzielnie zmodyfikować w zależności od potrzeb.

Kondensatory C2…C4 magazynują energię elektryczną, przez co zmniejszają tętnienia napięcia wywołane regularnym przełączaniem się T3 – na przykład, kiedy na wejście układu zostanie podany sygnał PWM. Najlepiej, aby były to elementy o niskiej impedancji (Low ESR) zwłaszcza, gdy częstotliwość owego sygnału PWM będzie wysoka.

W układzie zastosowano oddzielne wejście zasilania dla części sterującej tranzystorem T3. To daje duże możliwości jeżeli chodzi o sterowane obciążenie, bowiem jego napięcie zasilania może być dowolnie niskie. Nie może przekraczać 50 V, aby nie doszło do przebicia kondensatorów elektrolitycznych i samego T3.

Montaż i uruchomienie

Układ został zmontowany na dwustronnej płytce drukowanej o wymiarach 80×40 mm. Jej schemat został pokazany na rysunku 2. W odległości 3 mm od krawędzi płytki znalazły się otwory montażowe o średnicy 3,2 mm.

Rysunek 2. Schemat płytki PCB

Wszystkie elementy znajdujące się na płytce są przystosowane do montażu przewlekanego. Należy je wlutować klasycznie, poczynając od najniższych, a na najwyższych kończąc. Pod transoptor można zastosować podstawkę, aby łatwiej było go wymienić w razie awarii. Napięcie zaporowe diody D1 powinno być wyższe od 50 V. Jej obudowę należy odizolować od obudowy tranzystora T3 podkładkami izolacyjnymi, ponieważ nie powinny być elektrycznie połączone. Wielkość radiatora, do którego te elementy będą przykręcone, zależy od wydzielanej w nich mocy, a na nią ma wpływ częstotliwość przełączania oraz natężenie pobieranego przez obciążenie prądu.

Przykładowy radiator może być wycięty z profilu A4755, o rozmiarach 40×50 mm i wysokości 15 mm.

Gotowy, zmontowany układ pokazuje fotografia tytułowa. Schemat połączeń pokazuje rysunek 3. Zasilacz dla obciążenia (złącze J2) oraz dla części sterującej tranzystorem T3 (złącze J1) może być ten sam, o ile jego napięcie mieści się w podanych na rysunku granicach. Ich masy są galwanicznie połączone.

Pobór prądu ze źródła zasilającego obwody sterujące bramką T3 zależy od napięcia oraz od wypełnienia sygnału sterującego. Przy napięciu 12 V nie będzie przekraczał wartości 25 mA. Nie zaleca się napięcia niższego niż 10 V, aby tranzystor T3 mógł się w pełni otworzyć. Z kolei wyższe niż 15 V może doprowadzić do otwarcia diody D4 i uszkodzenia transoptora OK1.

Rysunek 3. Schemat podłączenia zasilaczy, obciążenia i sygnału sterującego do płytki modułu wykonawczego

Prąd płynący przez zaciski złącza J4 również zależy od napięcia, jakie zostanie do niego przyłożone. Minimalna amplituda sygnału sterującego to 3,3 V, aby dioda LED transoptora była prawidłowo sterowana – jej minimalny prąd to 5 mA. Wprawdzie sam tranzystor T3 typu IRFP064N może przewodzić prąd o natężeniu do 110 A, ale na wytrzymałość całego układu mają wpływ również inne podzespoły. Szerokość ścieżek obwodu drukowanego oraz złącza śrubowe ARK ograniczają go do około 20 A i tę wartość należy uznać za kres możliwości tego układu.

Michał Kurzela, EP

Wykaz elementów:
Rezystory: (THT o mocy 0,25 W jeżeli nie zaznaczono inaczej)
  • R1: 330 Ω
  • R2: 220 Ω
  • R3, R4: 1,2 kΩ
  • R5: 4,7 Ω 0,6 W
  • R6: 4,7 Ω 3 W
Kondensatory:
  • C1: 220 μF 25 V
  • C2…C4: 1000 μF 50 V
  • C5, C7: 1 μF 63 V MKT
  • C6: 10 nF MKT
  • C8: 22 nF 305 V X2 MKP
Półprzewodniki:
  • D1: BYW29
  • D2: 1N4148
  • D3: 1N5819
  • D4: P6KE15A
  • OK1: H11L3M
  • T1: BC337
  • T2: BS170
  • T3: IRFP064N
Inne:
  • J1, J4: ARK2/500
  • J2, J3: ARK2/750
  • Radiator (opis w tekście)
  • Jedna podstawka DIP6
Artykuł ukazał się w
Elektronika Praktyczna
październik 2021
DO POBRANIA
Materiały dodatkowe
Elektronika Praktyczna Plus lipiec - grudzień 2012

Elektronika Praktyczna Plus

Monograficzne wydania specjalne

Elektronik listopad 2025

Elektronik

Magazyn elektroniki profesjonalnej

Raspberry Pi 2015

Raspberry Pi

Wykorzystaj wszystkie możliwości wyjątkowego minikomputera

Świat Radio listopad - grudzień 2025

Świat Radio

Magazyn krótkofalowców i amatorów CB

Automatyka, Podzespoły, Aplikacje listopad - grudzień 2025

Automatyka, Podzespoły, Aplikacje

Technika i rynek systemów automatyki

Elektronika Praktyczna listopad 2025

Elektronika Praktyczna

Międzynarodowy magazyn elektroników konstruktorów

Elektronika dla Wszystkich grudzień 2025

Elektronika dla Wszystkich

Interesująca elektronika dla pasjonatów