Mini generator funkcyjny

Mini generator funkcyjny

Timer typu 555, pomimo upływu wielu lat od chwili pojawienia się na rynku, wciąż jest produkowany i wykorzystywany w wielu konstrukcjach elektronicznych. Jest doskonałym przykładem tego, że dobre pomysły się nie starzeją.

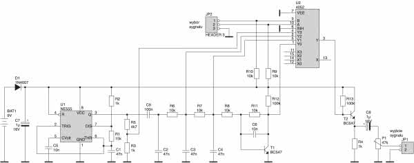
Za pomocą 555 można łatwo skonstruować generator kilku rodzajów sygnałów, mogący pracować jako generator funkcyjny. Ograniczeniem jest możliwość pracy tylko z jedną dobraną wcześniej częstotliwością ale zaletę stanowi niebywała prostota układu. Jego schemat ideowy pokazuje rysunek 1.

Rysunek 1.

Układ U1 generuje fale prostokątną o wypełnieniu równym ok. 50%. Częstotliwość generowanego przebiegu zależy od wartości elementów dołączanych do układu czyli C1, R1 i R2. Częstotliwość tą można obliczyć korzystając z następującego wzoru:

f=1,44/(R2+2⋅R1) ⋅ C1

gdzie f=Hz, R=Ω, C=F

Stosując elementy o wartościach podanych na schemacie na wyjściu 3 U1 otrzymuje się sygnał prostokątny o częstotliwości zbliżonej do 1kHz. Następnie ten sygnał w kolejnych układach RC przekształcany jest na sygnały o innym kształcie.

Najpierw w punkcie połączenia opornika R6 i kondensatora C3 otrzymywany jest przebieg przypominający zęby piły. Po przejściu przez kolejny układ R7 i C4 kształt fali zbliżony jest do przebiegu trójkątnego. Ten impuls podany zostaje na układ integratora zbudowany z użyciem tranzystora T1. Na kolektorze tranzystora sygnał przybiera kształt sinusoidy.

Opisane przed chwilą sygnały podane są na wejścia układu U2 będącego multiplekserem analogowym. Układ dołącza do wyprowadzenia 3 U2 jeden z sygnałów, w zależności od poziomu logicznego na wejściach sterujących A i B. Ponieważ oba wejścia podciągnięte są do poziomu zasilania, za pośrednictwem oporników R9 i R10 w tym stanie na wyjściu układu pojawi się sygnał prostokątny. Po zwarciu do masy wejścia sterującego A na wyjściu pojawi się sygnał piły, zwarcie z masą wejścia B spowoduje pojawienie się sygnału trójkątnego natomiast po zwarciu z masą obydwu wejść sterujących na wyjściu będzie dostępny sygnał sinusoidalny.

Rysunek 2.

Wyjście 3 układu U2 jest połączone z wtórnikiem emiterowym T2. Amplitudę sygnału wyjściowego ustala potencjometr P1. Poziom sygnału wyjściowego będzie także zależny od rodzaju sygnału podawanego na wyjście generatora a także od wartości napięcia zasilającego. Układ generuje przy zasilaniu napięciem od 5 V do 10 V. Ze względu na niski pobór prądu ok. 10 mA generator może być zasilany z baterii 9 V.

Jak to zostało wcześniej napisane częstotliwość pracy generatora jest ustawiona na stałe. Może być jednak inna niż 1kHz jednak w takim przypadku należy dobrać zarówno wartości elementów dołączanych do układu 555 (C1, R1, R2) jak i elementów kształtujących poszczególne przebiegi.

RS

Wykaz elementów:
Rezystory:
  • R1: 15 kΩ
  • R2…R4: 1 kΩ
  • R5: 4,7 kΩ
  • R6…R10: 10 kΩ
  • R11: 1 MΩ
  • R12, R13: 100 kΩ
  • P1: 47 kΩ
Kondensatory:
  • C1…C4: 47 nF
  • C5, C6: 10 nF
  • C7, C8: 1 μF/16 V
  • C9: 100 nF
Półprzewodniki:
  • U1: NE555
  • U2: 4052
  • T1, T2: BC547
  • D1: 1N4007
Inne:
ZOBACZ WIDEO DO TEGO PROJEKTU
AVT1327 - Mini generator funkcyjny
Play btn
AVT1327 - Mini generator funkcyjny
Artykuł ukazał się w
Październik 2001
Elektronika Praktyczna Plus lipiec - grudzień 2012

Elektronika Praktyczna Plus

Monograficzne wydania specjalne

Elektronik listopad 2025

Elektronik

Magazyn elektroniki profesjonalnej

Raspberry Pi 2015

Raspberry Pi

Wykorzystaj wszystkie możliwości wyjątkowego minikomputera

Świat Radio listopad - grudzień 2025

Świat Radio

Magazyn krótkofalowców i amatorów CB

Automatyka, Podzespoły, Aplikacje listopad - grudzień 2025

Automatyka, Podzespoły, Aplikacje

Technika i rynek systemów automatyki

Elektronika Praktyczna listopad 2025

Elektronika Praktyczna

Międzynarodowy magazyn elektroników konstruktorów

Elektronika dla Wszystkich grudzień 2025

Elektronika dla Wszystkich

Interesująca elektronika dla pasjonatów