Filtr pasmowo-zaporowy 50 Hz

Filtr pasmowo-zaporowy 50 Hz
Pobierz PDF Download icon

Systemy audio, zwłaszcza zawierające mikrofony, mają tendencję do „łapania” przydźwięku o częstotliwości 50 Hz, który jest emitowany przez wszechobecne przewody elektryczne. Opisany układ pozwala w prosty sposób ograniczyć jego poziom, w minimalnym stopniu naruszając przy tym pozostałą część widma sygnału.

Podstawowe parametry:
  • dwa niezależne kanały dla sygnału audio,
  • wzmocnienie w paśmie przepustowym: 0 dB,
  • maksymalne tłumienie: ok. 35 dB,
  • pasmo pracy: ok. 20 Hz…50 kHz,
  • zasilanie napięciem symetrycznym ±9…15 V,
  • rezystancja wejściowa: 1 MΩ,
  • rezystancja wyjściowa: ok. 33 Ω.

Długie oraz nieprawidłowo ekranowane przewody połączeniowe mogą być źródłem przydźwięku sieciowego (tzw. brumu) o częstotliwości 50 Hz, który jest doskonale słyszalny przez ludzkie ucho. Jeżeli jego wyeliminowanie przez usunięcie przyczyny nie jest możliwe, wówczas pozostaje jedynie tłumienie tej składowej w gotowym sygnale.

Rysunek 1. Pożądany przebieg charakterystyki amplitudowej układu

Nie można tego dokonać prostym filtrem górnoprzepustowym, ponieważ z sygnału zniknęłyby wszystkie częstotliwości z zakresu niskich tonów, których obecność jest konieczna dla prawidłowego odbioru dźwięku. Z tego powodu należy użyć filtra o charakterystyce pasmowo-zaporowej, który w jak najmniejszym stopniu wpłynie na pozostałą część widma filtrowanego sygnału. Rysunek 1 obrazuje przebieg pożądanej charakterystyki.

Budowa i działanie

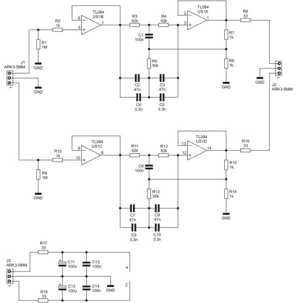
Schemat ideowy układu został pokazany na rysunku 2. Jest wykonany w technice czysto analogowej, a użyte komponenty są tanie i łatwo dostępne. Składa się z dwóch kanałów o identycznej budowie, zatem omówiony zostanie jeden z nich.

Rysunek 2. Schemat ideowy układu

Sygnał wejściowy – pożądane jest, aby nie posiadał składowej stałej – podaje się na złącze J1. Rezystor R1 polaryzuje wejście wzmacniacza operacyjnego oraz, w razie konieczności, kondensator wyjściowy źródła sygnału, jeżeli takowego nie posiada. Ustala on tez rezystancję wejściową równą 1 MΩ.

Wzmacniacz operacyjny US1B pełni rolęi wtórnika napięciowego, aby zapewnić jak najmniejszą oraz stałą impedancję dla sterowania następnym stopniem. Zadaniem rezystora R2 jest ochrona delikatnego wejścia wzmacniacza przed wyładowaniami elektrostatycznymi, które jest zbudowane w oparciu o tranzystory JFET. Ponieważ prądy polaryzujące wejścia wzmacniacza są znikomo małe, rzędu pikoamperów, ich kompensacja nie jest konieczna.

Następnym blokiem jest filtr pasmowo-zaporowy typu „podwójne T”, którego elementy składowe zostały dobrane do częstotliwości 50 Hz. Wtórnik na układzie US1A zmniejsza impedancję wyjściową całego układu oraz dostarcza sygnału sprzężenia zwrotnego, który jest pobierany z dzielnika rezystancyjnego R6, R7. Dzielnik ustala dobroć filtru, która musi stanowić kompromis pomiędzy szerokością pasma zaporowego, wartością tłumienia oraz stabilnością układu – przy bezpośrednim sprzężeniu węzła C1, R5 z wyjściem układu US1A, można otrzymać generator drgań sinusoidalnych.

Wartości rezystancji dzielnika dobrano eksperymentalnie podczas testowania prototypu. Rezystancja wewnętrzna tego dzielnika dodaje się również do rezystancji R5, która powinna być równa połowie rezystancji rezystorów R3 i R4.

Rezystor R3 poprawia stabilność pracy układu przy obciążeniu jego wyjścia pojemnością o znaczącej wartości (np. długim przewodem ekranowanym) lub przy zwarciu go do masy, np. przez układ wyciszania dźwięku zawarty w dołączonym torze audio.

Zasilanie układu jest filtrowane przez proste układy RC o częstotliwości odcięcia ok. 48 Hz, które skutecznie eliminują większość zakłóceń o wysokich częstotliwościach. Mogłyby one przedostać się do sygnału wyjściowego.

Montaż i uruchomienie

Układ został zmontowany na dwustronnej płytce drukowanej o wymiarach 50×45 mm, której wzór ścieżek oraz schemat montażowy pokazuje rysunek 3. W odległości 3 mm od krawędzi płytki znalazły się otwory montażowe.

Rysunek 3. Schemat montażowy i wzór ścieżek płytki – strona TOP

Wszystkie elementy są umieszczone po stronie TOP obwodu drukowanego. Montaż polecam rozpocząć od przylutowania podzespołów w obudowach SMD, ze względu na znaczną gęstość upakowania ich pomiędzy znacznie wyższymi podzespołami THT.

Prawidłowo zmontowany układ nie wymaga jakichkolwiek czynności uruchomieniowych i jest od razu gotowy do pracy. Na zaciski złącza J1 podawany jest sygnał, który ma zostać poddany filtracji, zaś zaciski złącza J2 są wyjściem układu – numeracja kanałów jest taka sama, jak na wejściu.

Do złącza J3 należy doprowadzić napięcie stałe, symetryczne, dobrze filtrowane, choć niekoniecznie stabilizowane o wartości od ±9...15 V. Jego wartość rzutuje na maksymalną amplitudę niezniekształconego napięcia wyjściowego: przy ±9 V jest to ok. 5 V, zaś przy ±15 V około 11 V. Pobór prądu wynosi ok. 3 mA, bez podanego sygnału.

Pomiary przeprowadzone na prototypie, polegały na zdjęciu charakterystyki amplitudowej w funkcji częstotliwości: ku[dB]=f(f) przy zasilaniu napięciem ±15 V oraz amplitudzie sygnału wejściowego 500 mV. Przebieg charakterystyki w zakresie 10 Hz…50 kHz pokazuje rysunek 4. Posiada jedno wyraźne minimum dla częstotliwości ok. 50 Hz, a poza tym miejscem wzmocnienie wynosi 0 dB (1 V/V). Charakterystyka nie posiada żadnych zafalowań, więc pozostała część pasma pozostanie niezmieniona.

Rysunek 4. Przebieg charakterystyki amplitudowej w pełnym zakresie częstotliwości

Na rysunku 5 znajduje się fragment charakterystyki w okolicy częstotliwości blokowanej – zakresie 10…100 Hz, wykonany z krokiem 1 Hz.

Rysunek 5. Przebieg charakterystyki amplitudowej w zawężonym zakresie częstotliwości

Maksymalne tłumienie wynosi ok. 35 dB i jest osiągane dla częstotliwości 51 Hz. Dla 50 Hz jest to zaledwie jeden decybel mniej. Udało się uzyskać tak dobre odwzorowanie prawidłowej charakterystyki pomimo użycia standardowych elementów RC o tolerancji 5%. Przebieg charakterystyki w drugim kanale był niemal identyczny.

Michał Kurzela, EP

Wykaz elementów:
Rezystory:
  • R1, R9: 1 MΩ SMD0805
  • R2, R6, R7, R10, R14, R15: 1 kΩ SMD0805
  • R3, R4, R11, R12: 62 kΩ SMD0805
  • R5, R13: 30 kΩ SMD0805
  • R8, R16…R18: 33 Ω SMD0805
Kondensatory:
  • C1, C6, C12, C14: 100 nF MKT
  • C2, C3, C7, C8: 47 nF MKT
  • C4, C5, C9, C10: 3,3 nF MKT
  • C11, C13: 100 μF/25 V
Półprzewodniki:
  • US1: TL084 SO14
Inne:
  • J1…J3: ARK3/500
Artykuł ukazał się w
Elektronika Praktyczna
marzec 2020
DO POBRANIA
Pobierz PDF Download icon
Elektronika Praktyczna Plus lipiec - grudzień 2012

Elektronika Praktyczna Plus

Monograficzne wydania specjalne

Elektronik listopad 2025

Elektronik

Magazyn elektroniki profesjonalnej

Raspberry Pi 2015

Raspberry Pi

Wykorzystaj wszystkie możliwości wyjątkowego minikomputera

Świat Radio listopad - grudzień 2025

Świat Radio

Magazyn krótkofalowców i amatorów CB

Automatyka, Podzespoły, Aplikacje listopad - grudzień 2025

Automatyka, Podzespoły, Aplikacje

Technika i rynek systemów automatyki

Elektronika Praktyczna listopad 2025

Elektronika Praktyczna

Międzynarodowy magazyn elektroników konstruktorów

Elektronika dla Wszystkich grudzień 2025

Elektronika dla Wszystkich

Interesująca elektronika dla pasjonatów