I2C Extender. Przedłużacz i rozdzielacz magistrali I2C

I2C Extender. Przedłużacz i rozdzielacz magistrali I2C
Pobierz PDF Download icon

Magistrala I2C jest bardzo wygodnym i tanim sposobem wymiany informacji pomiędzy układami scalonymi w obrębie urządzenia. Jednak czasem dobrze mieć możliwość przedłużenia lub rozgałęzienia magistrali przynajmniej o kilkadziesiąt centymetrów. Ułatwia to np. odczyt rozmieszczonych w różnych punktach urządzenia czujników, bez potrzeby stosowania interfejsów szeregowych o większym zasięgu.

Podstawowe parametry:
  • umożliwia realizację funkcji Hot-Plug,
  • umożliwia połączenie kilku modułów w topologii gwiazdy,
  • wyposażony w zestaw złącz dla najpopularniejszych standardów płytek prototypowych (Grove, Qwiic, Arduino Brick, Pmod),
  • pracuje poprawnie w zakresie napięć zasilania 2,7…5,5 V.

Głównym zadaniem opisanego minimodułu jest buforowanie sygnału I2C, ale dodatkowo został wyposażony w zestaw złącz dla najpopularniejszych standardów płytek prototypowych (Grove, Qwiic, Arduino Brick, Pmod). Dzięki temu pełni funkcję huba pomiędzy różnymi systemami i zwalnia z konieczności posiadania przejściówek.

Budowa i działanie

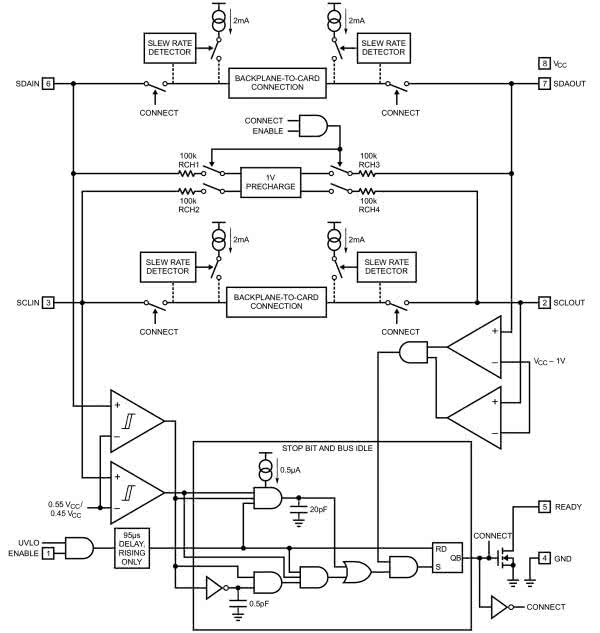
W minimodule zastosowano specjalizowany układ bufora i kontrolera Hot-Swap magistrali I2C typu LTC4300A-1 firmy Analog Devices. Budowę wewnętrzną układu pokazano na rysunku 1. W swej strukturze zawiera kluczowane bufory sygnałów SDA, SCL sterowane sygnałem ENABLE i wbudowanym układem ULVO. Bufory izolują fragmenty magistrali, która po zastosowaniu LTC4300A-1 podzielona jest na mniejsze segmenty, co zapewnia zmniejszenie pojemności obciążającej nadajniki układów.

Rysunek 1. Budowa wewnętrzna układu LTC4300A-1

Sygnał ENABLE umożliwia rozłączenie segmentów magistrali, cecha ta jest niewykorzystana w module, ale jest niezbędna przy systemach modułowych podłączanych w trybie Hot-Plug. Wyłączenie układu eliminuje możliwość zakłócenia działającej części urządzenia podczas podłączania nowego modułu. Układ ma wbudowane akceleratory czasu narastania zboczy, umożliwiające zastosowanie większych wartości rezystorów podciągających.

Połączenie kilku układów LTC4300A-1 umożliwia zastosowanie magistrali I2C w topologii gwiazdy.

Rysunek 2. Schemat modułu

Schemat modułu pokazano na rysunku 2. Oprócz układu LTC4300A-1 zawiera jedynie rezystor drabinkowy podciągający sygnały magistral do zasilania oraz kondensator odsprzęgający. Sygnały „wejściowe” I2C doprowadzone są do bloku złącz I2CxI, buforowane sygnały „wyjściowe” I2C dostępne jest na złączach I2CxO. Dioda LD sygnalizuje obecność zasilania.

Montaż i uruchomienie

Moduł zmontowany jest na dwustronnej płytce drukowanej. Rozmieszczenie elementów pokazano na rysunkach 3 i 4.

Rysunek 3. Schemat montażowy, strona TOP
Rysunek 4. Schemat montażowy, strona BOTTOM

Montaż jest typowy i nie wymaga szczegółowego opisu. Poprawnie zmontowany układ nie wymaga uruchamiania i jest gotowy do pracy po podłączeniu zasilania.

Adam Tatuś
adam.tatus@ep.com.pl

Wykaz elementów:
Rezystory:
  • R1: 4,7 kΩ SMD0805
  • RP1: 10 kΩ drabinka rezystorowa CRA06S08
Kondensatory:
  • C4: 100 nF SMD0805
Półprzewodniki:
  • LD: LED SMD0805
  • U1: LTC4300A-1CMS MSOP8
Inne:
  • I2CAI, I2CAO: Złącze EH4 kątowe
  • I2CBI, I2CBO: Złącze SIP4 proste męskie
  • I2CCI, I2CCIA, I2CCO, I2CCOA: Złącze JST 2 mm proste
  • I2CDI, I2CDI1, I2CDO, I2CDO1: Złącze Grove proste
  • I2CEI, I2CEO: Złącze JST4 1 mm
  • I2CFI: Złącze SIP6 kątowe męskie
  • I2CFO: Złącze SIP6 kątowe żeńskie
  • I2CGI, I2CGO: Złącze śrubowe 2,54 mm MPT0.5/4-2.54
Artykuł ukazał się w
Elektronika Praktyczna
marzec 2020
DO POBRANIA
Pobierz PDF Download icon
Elektronika Praktyczna Plus lipiec - grudzień 2012

Elektronika Praktyczna Plus

Monograficzne wydania specjalne

Elektronik listopad 2025

Elektronik

Magazyn elektroniki profesjonalnej

Raspberry Pi 2015

Raspberry Pi

Wykorzystaj wszystkie możliwości wyjątkowego minikomputera

Świat Radio listopad - grudzień 2025

Świat Radio

Magazyn krótkofalowców i amatorów CB

Automatyka, Podzespoły, Aplikacje listopad - grudzień 2025

Automatyka, Podzespoły, Aplikacje

Technika i rynek systemów automatyki

Elektronika Praktyczna listopad 2025

Elektronika Praktyczna

Międzynarodowy magazyn elektroników konstruktorów

Elektronika dla Wszystkich grudzień 2025

Elektronika dla Wszystkich

Interesująca elektronika dla pasjonatów