Minimoduł z mikroprocesorem LPC802

Minimoduł z mikroprocesorem LPC802
Pobierz PDF Download icon

Moduł z procesorem NXP typu LPC802M001JHD16 może być ciekawą alternatywą dla popularnych płytek z procesorami AVR (ArduinoEvery), STM (Nucleo) szczególnie, gdy nie mamy zbyt wiele miejsca, a nie chcemy rezygnować z wydajności.

Podstawowe parametry:
  • mikrokontroler typu LPC802M001JHD16,
  • programowanie poprzez UART i zastosowany na płytce konwerter USB-UART,
  • wszystkie wyprowadzenia GPIO wyprowadzone na listwy szpilkowe o rozstawie,
  • zgodnym z płytkami stykowymi i prototypowymi.

Struktura wewnętrzna mikrokontrolera LPC802 została pokazana na rysunku 1. Jest to najmniejszy przedstawiciel rodziny LPC80x z rdzeniem Cortex-M0+, i został wyposażony w 16 kB pamięci Flash, 2 kB pamięci RAM i elastycznie konfigurowanych 13 wyprowadzeń GPIO, obsługujących m.in.: USART, I2C, SPI, ADC. Bootloader korzystający z portu szeregowego UART pozwala programować procesor w systemie. Program bootloadera jest umieszczony w wydzielonej części pamięci, nie ma więc też ryzyka jego omyłkowego skasowania.

Rysunek 1. Struktura wewnętrzna LPC80x

Budowa i działanie

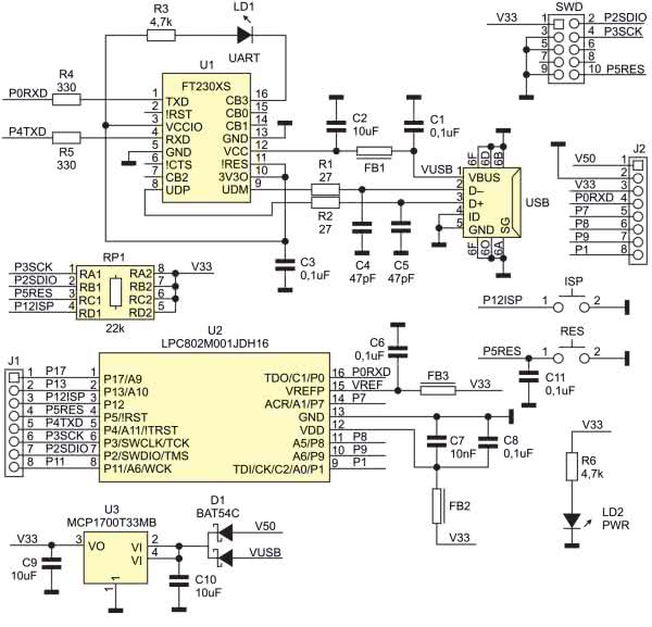
Schemat minimodułu został pokazany na rysunku 2. Na niewielkiej płytce drukowanej o wymiarach 30×18 mm umieszczono wszystkie elementy niezbędne do rozpoczęcia pracy z LPC802. Oprócz procesora U2 istotnym elementem jest konwerter USB/USART typu FTDI230XS. Pełni on funkcję programatora współpracującego z wbudowanym bootloaderem i aplikacją FlashMagic lub konwertera USB/UART łączącego LPC802 z komputerem nadrzędnym. Aplikacja FT230XS jest typowa, dioda LD1 sygnalizuje transmisje poprzez UART, ze względu na ograniczone miejsce zrezygnowałem z osobnych LED sygnalizujących sygnały RXD/TXD.

Rysunek 2. Schemat ideowy układu

Płytka może być zasilana na dwa sposoby, pierwszy to zasilanie poprzez gniazdo USB, drugi przez złącze szpilkowe J2 napięciem 5 V. Dioda D1 separuje dostępne źródła, stabilizator U3 dostarcza napięcia 3,3 V do zasilania mikrokontrolera. Obecność zasilania sygnalizuje dioda LED LD2.

Napięcie odniesienia VREF dla przetwornika ADC podlega dodatkowej filtracji dzięki elementom FB3 i C6. Wszystkie wyprowadzenia GPIO są w standardzie 3,3 V i są wyprowadzone na listwy szpilkowe o rozstawie zgodnym z płytkami stykowymi i prototypowymi. Wbudowane złącze SWD umożliwia programowanie i debugowanie, także poprzez zewnętrzny programator np. ZL33PRG. Płytkę uzupełniają dwa przyciski RES, dla restartu procesora i ISP dla wprowadzenia U2 w tryb programowania.

Montaż i uruchomienie

Moduł zmontowany jest na dwustronnej płytce drukowanej pokazanej na rysunku 3. Aby zachować możliwie małe wymiary elementy montowane są dwustronnie.

Rysunek 3. Schemat płytki PCB wraz z rozmieszczeniem elementów

Montaż nie jest skomplikowany i nie wymaga szczegółowego opisu. Rozstaw złącz umożliwia zamontowanie modułu na płytkach prototypowych lub stykowych o rozstawie 100 mils. Zmontowany moduł został pokazany na fotografii tytułowej.

Moduł zmontowany ze sprawnych elementów nie wymaga uruchamiania. Przy pomocy oprogramowania FT_Prog należy skonfigurować GPIO FT230XS zgodnie z rysunkiem 4, ustawiając pin C3 na sygnalizację sumy sygnałów RXLED+TXLED. Przykładowa konfiguracja dołączona jest do materiałów dodatkowych. Po restarcie układu FT230XS, można używać modułu we własnej aplikacji.

Rysunek 4. Konfiguracja układu FTDI230XS

Wprowadzenie modułu w tryb programowania odbywa się poprzez przytrzymanie przycisku ISP w trakcie restartu procesora przyciskiem RES.

Po uruchomieniu programu FlashMagic i wyborze typu procesora oraz portu szeregowego, sprawdzamy odczyt sygnatury układu (ISP\Read Signature). Jeżeli odczyt działa to można przejść do programowania układu. W przypadku problemów należy ponowić wprowadzenie układu w tryb ISP.

Rysunek 5. Oprogramowanie FlashMagic

Do szybkiego startu z modułem można użyć darmowego środowiska MCUXpresso i przykładów przygotowanych dla procesora LPC802 z pakietu LPC802-EX-CODE-MCUXPRESSO.zip. Należy tylko zmodyfikować obudowę układu na JDH16 (SSOP16) i sprawdzić czy używane piny są dostępne w tej wersji obudowy.

Adam Tatuś
adam.tatus@ep.com.pl

Wykaz elementów:
Rezystory:
  • R1, R2: 27 Ω SMD0603
  • R3, R6: 4,7 kΩ SMD0603
  • R4, R5: 330 Ω SMD0603
  • RP1: 22 kΩ CRA06S08 drabinka SMD0603
Kondensatory:
  • C1, C3, C6, C8, C11: 0,1 µF SMD0603
  • C2, C9, C10: 10 µF SMD0603
  • C4, C5: 47 pF SMD0603
  • C7: 10 nF SMD0603
Półprzewodniki:
  • LD1: LED SMD żółta
  • LD2: LED SMD zielona
  • D1: dioda Schottky'ego podwójna BAT54C (SOT-23)
  • U1: FT230XS (SSOP16)
  • U2: LPC802M001JDH16 (TSSOP16)
  • U3: MCP1700T-3302MB (SOT-89)
Inne:
  • FB1, FB2, FB3: koralik ferrytowy 600R/200 mA
  • ISP, RES: mikroprzełacznik B3U-1000P
  • J1, J2: SIP8
  • SWD: złącze 2×5 1,25 mm męskie SMD
  • USB: gniazdo micro USB MX105017-0001
Artykuł ukazał się w
Elektronika Praktyczna
grudzień 2020
DO POBRANIA
Pobierz PDF Download icon
Materiały dodatkowe
Elektronika Praktyczna Plus lipiec - grudzień 2012

Elektronika Praktyczna Plus

Monograficzne wydania specjalne

Elektronik listopad 2025

Elektronik

Magazyn elektroniki profesjonalnej

Raspberry Pi 2015

Raspberry Pi

Wykorzystaj wszystkie możliwości wyjątkowego minikomputera

Świat Radio listopad - grudzień 2025

Świat Radio

Magazyn krótkofalowców i amatorów CB

Automatyka, Podzespoły, Aplikacje listopad - grudzień 2025

Automatyka, Podzespoły, Aplikacje

Technika i rynek systemów automatyki

Elektronika Praktyczna listopad 2025

Elektronika Praktyczna

Międzynarodowy magazyn elektroników konstruktorów

Elektronika dla Wszystkich grudzień 2025

Elektronika dla Wszystkich

Interesująca elektronika dla pasjonatów