Moduł audio DAC z układem CS4344

Moduł audio DAC z układem CS4344
Pobierz PDF Download icon

Miniaturowy moduł DAC zawiera odbiornik SPDIF WM8804 i przetwornik D/A typu CS4344. Znajdzie zastosowanie jako samodzielne urządzenie lub moduł wbudowany we wzmacniacz audio, rozszerzający jego funkcje o bezpośrednie wejście sygnału cyfrowego SPDIF.

Podstawowe parametry:
  • wejście SPDIF,
  • przetwornik audio o parametrach: 192 kHz/24 bity,
  • niewielkie wymiary płytki,
  • zasilanie 4,5…6 V/100 mA.

W module zastosowano układ odbiornika/dekodera sygnału SPDIF do standardu I2S typu WM8804 oraz układ CS4344 firmy Cirrus Logic, który jest kompletnym rozwiązaniem przetwornika D/A audio 192 kHz/24 bity. Przetwornik pochodzi z linii produktów znajdujących zastosowanie w sprzęcie przenośnym powszechnego użytku.

Rysunek 1. Schemat wewnętrzny CS4344

Schemat wewnętrzny CS4344 został pokazany na rysunku 1. Układ zawiera wszystkie elementy konieczne do odbioru sygnału I2S i przetwarzania D/A. Do poprawnej pracy wymaga kilku elementów zewnętrznych tj. kondensatorów odprzęgających zasilanie i prostego filtra wyjściowego RC. Sygnał I2S poddany zostaje cyfrowej interpolacji i filtrowaniu w bloku filtrów cyfrowych (taktowanych sygnałem MCLK), stąd poprzez modulatory delta-sigma trafia na przetwornik z przełączanymi pojemnościami, konwertujący sygnał do postaci analogowej, który filtrowany jest dolnoprzepustowym filtrze analogowym RC.

Przetwornik CS4344 został wybrany ze względu na przyzwoite parametry, prostotę aplikacji, łatwą w montażu obudowę MSOP10 oraz niski koszt aplikacji. W tej samej obudowie dostępne są też przetworniki ze standardem LJ (CS4345) i RJ (CS4334).

Budowa i działanie

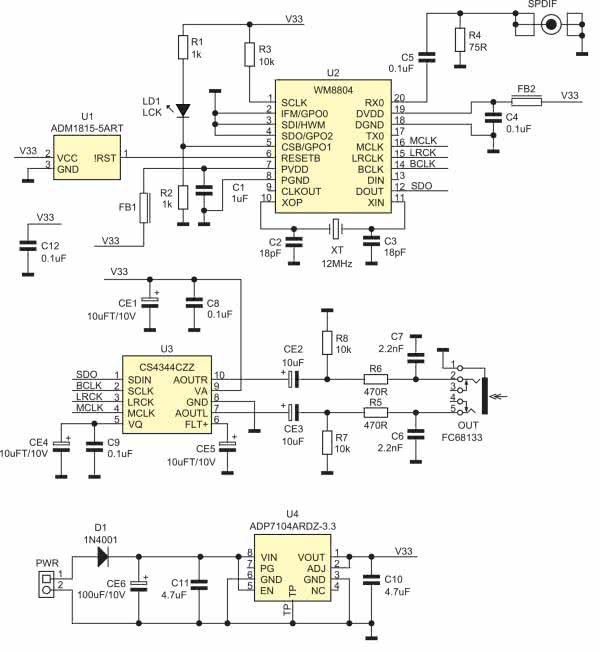
Schemat modułu został pokazany na rysunku 2. Sygnał cyfrowy audio z wejścia SPDIF typu RCA jest doprowadzony do odbiornika SPDIF U2, typu WM8804. Odbiornik pracuje z konfiguracją ustalaną sprzętowo, za pomocą wyprowadzeń SCLK, HWM, GPO0, GPO1, GPO2. Po zdekodowaniu sygnału SPDIF wyjście w standardzie I2S jest doprowadzone do przetwornika D/A U3 typu CS4344.

Rysunek 2. Schemat modułu przetwornika CS4344

Układ WM8804 pracuje w trybie master, generując sygnały taktujące magistrali I2S: LRCK, BCLK oraz sygnał zegarowy MCLK. Układ resetu U1 ADM1815 zapewnia poprawny start U2 po załączeniu zasilania. Napięcie zasilające odbiornik dodatkowo filtrowane jest poprzez FB1/C1 dla obwodu wbudowanego PLL i FB2/C4 dla części cyfrowej. Układ U2 jest taktowany kwarcem XT o częstotliwości 12 MHz. Dioda LD1 sygnalizuje poprawne dekodowanie sygnału SPDIF.

Sygnał wyjściowy z przetwornika D/A poprzez kondensatory separujące składową stałą CE2, CE3 jest doprowadzony do prostego filtru dolnoprzepustowego z elementami R6, C7 i R5, C6 eliminując ego pozostałości przetwarzania D/A. Układ odbiornika U2 i przetwornika U3 zasilany jest napięciem 3,3 V pochodzącym z niskoszumnego stabilizatora U4 typu ADP7104. Moduł wymaga zasilania napięciem stałym o wartości 4,5...6 V/100 mA poprzez złącze PWR. Dioda D1 zabezpiecza przed uszkodzeniem w przypadku odwrotnego podłączenia zasilania, kondensatory C10, C11, CE6 odsprzęgają zasilanie.

Montaż i uruchomienie

Układ jest zmontowany na niewielkiej płytce drukowanej pokazanej na rysunku 3.Sposób montażu jest klasyczny i nie wymaga szczegółowego opisu. Układ nie wymaga uruchomienia, po poprawnym zmontowaniu i sprawdzeniu poprawności można podłączyć źródło SPDIF, zasilanie i cieszyć się muzyką.

Rysunek 3. Rozmieszczenie elementów

Ze względu na niewielki rozmiar i pobór mocy możliwe jest zastosowanie „mobilne” przetwornika i zasilanie go z pakietu 4 akumulatorów Ni-MH połączonych szeregowo.

Adam Tatuś
adam.tatus@ep.com.pl

Wykaz elementów:
Rezystory:
  • R1, R2: 1 kΩ SMD0805, 1%
  • R3, R7, R8: 10 kΩ SMD0805, 1%
  • R4: 75 Ω SMD0805, 1%
  • R5, R6: 470 Ω SMD0805, 1%
Kondensatory:
  • C1: 1 µF SMD0805
  • C2, C3: 18 pF SMD0805
  • C4, C5, C8, C9, C12: 0,1 µF SMD0805
  • C6, C7: 2,2 nF SMD0805
  • C10, C11: 4,7 µF SMD1206
  • CE1, CE4, CE5: 10 µFT/10 V SMA tantalowy
  • CE2, CE3: 10 µF/10 V elektrolityczny
  • CE6 100 µF/10 V elektrolityczny
Półprzewodniki:
  • LD1: LED SMD0805
  • D1: 1N4001 SMD
  • U1: ADM1815-5ART (SOT-23)
  • U2: WM8804 (SSOP20)
  • U3: CS4344CZZ (TSSOP10)
  • U4: ADP7104ARDZ-3.3 (SO8TP)
Inne:
  • FB1, FB2: dławik ferrytowy 600 R/100 mA SMD0805
  • XT: rezonator kwarcowy 12 MHz 3,2×2,5 mm
  • OUT: gniazdo mini jack 3,5 mm stereo
  • PWR: złącze śrubowe 3,5 mm 2 pin
  • SPDIF: gniazdo RCA do druku
Artykuł ukazał się w
Elektronika Praktyczna
grudzień 2020
DO POBRANIA
Pobierz PDF Download icon
Materiały dodatkowe
Elektronika Praktyczna Plus lipiec - grudzień 2012

Elektronika Praktyczna Plus

Monograficzne wydania specjalne

Elektronik listopad 2025

Elektronik

Magazyn elektroniki profesjonalnej

Raspberry Pi 2015

Raspberry Pi

Wykorzystaj wszystkie możliwości wyjątkowego minikomputera

Świat Radio listopad - grudzień 2025

Świat Radio

Magazyn krótkofalowców i amatorów CB

Automatyka, Podzespoły, Aplikacje listopad - grudzień 2025

Automatyka, Podzespoły, Aplikacje

Technika i rynek systemów automatyki

Elektronika Praktyczna listopad 2025

Elektronika Praktyczna

Międzynarodowy magazyn elektroników konstruktorów

Elektronika dla Wszystkich grudzień 2025

Elektronika dla Wszystkich

Interesująca elektronika dla pasjonatów