Przetwornik DAC z końcówką mocy dla Raspberry Pi

Przetwornik DAC z końcówką mocy dla Raspberry Pi
Pobierz PDF Download icon

Przedstawiony moduł HAT posiada wbudowany przetwornik DAC audio oraz końcówkę mocy 2×8 W (8 Ω) ułatwiającą realizację wbudowanych projektów audio takich jak odtwarzacze multimedialne lub info-kioski, bez potrzeby składania aplikacji z kilku oddzielnych modułów. HAT posiada także wbudowany zasilacz 5 V/1,5 A dla Raspberry co umożliwia zastosowanie jednego wspólnego zasilania 12 V dla całego systemu.

Podstawowe parametry:
  • wbudowany przetwornik DAC audio,
  • końcówka mocy 2×8 W (8 Ω),
  • wbudowany zasilacz 5 V dla Raspberry,
  • zasilanie napięciem 9…15 V, min 3 A,
  • przystosowany do zamontowania bezpośrednio na płytce Raspberry Pi.

Budowa i działanie

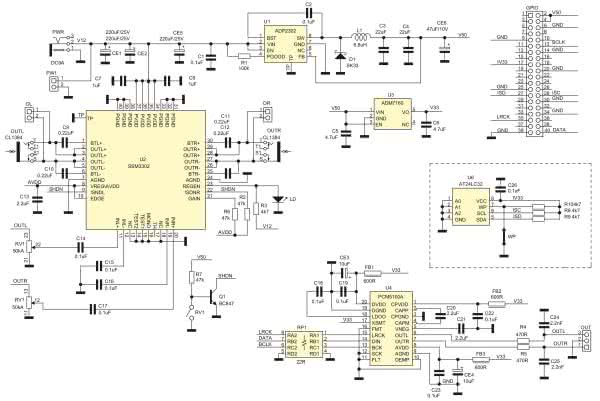
Schemat modułu prezentuje rysunek 1. Moduł składa się z trzech bloków funkcjonalnych: przetwornicy ADP2302 obniżającej napięcie zasilania z 12 V na 5 V dla zasilania Raspberry Pi, cyfrowej stereofonicznej końcówki mocy SSM3302, układu DAC audio typu PCM5100A. Opcjonalnie na płytce pozostawiono miejsce na pamięć 24LC32 dla spełnienia wymogów nakładki HAT.

Rysunek 1. Schemat modułu

Moduł wymaga zasilania napięciem z przedziału 9...15 V o mocy min. 25 W przez złącze PWR. Elementy CE1, CE2, CE5 filtrują napięcie a przetwornica U1 typu ADP2302 zapewnia na wyjściu napięcie 5 V, które poprzez złącze GPIO zasila Raspberry PI. Wydajność 5 V ustalona jest na maksimum, czyli 1,5 A co zaspokaja potrzeby komputerka w większości zastosowań. Z napięcia 5 V, zasilany jest stabilizator U3 typu ADM7160, dostarczający napięcia 3,3 V dla przetwornika DAC audio. Napięcie 5 V jest również wykorzystane w obwodzie odwracającego klucza Q1, sterującego wyłączeniem końcówki mocy ze styku wbudowanego w potencjometr głośności.

Układ stereofonicznej końcówki mocy U2 typu SSM3302, zasilany jest bezpośrednio z napięcia doprowadzonego do złącza PWR. Moc wyjściowa układu przy zasilaniu 12 V wynosi 2×8 W na obciążeniu 8 Ω przy zniekształceniach poniżej 1%. Dzięki pracy wzmacniacza w klasie D i konfiguracji mostkowej, zbędne są kondensatory sprzęgające w obwodzie głośnika. Zastosowany tryb modulacji przy krótkich przewodach (do 20 cm) nie wymaga stosowania dolnoprzepustowego filtra wyjściowego. Wysoka sprawność SSM3302 dochodząca do 91% w sporej ilości aplikacji pozwala na rezygnację z radiatora. Wzmocniony sygnał zasilający głośniki dostępny jest na gniazdach mini jack 3,5 mm (OUTL, OUTR). Kondensatory C9...C12 są elementami obwodów polaryzacji tranzystorów końcowych, C7, C8, C13 odsprzęgają zasilanie. Dioda LD sygnalizuje obecność zasilania i polaryzuje wejście aktywujące wbudowany stabilizator AVDD. Wejściowy sygnał audio separowany jest kondensatorami C14 i C17. Różnicowe wejścia audio SSM3302 pracują w trybie niesymetrycznym, wyprowadzenia wejść odwracających połączone są z masa układu kondensatorami C15 i C16. Poziom sygnału regulowany jest potencjometrem RV1.

Za przetwarzanie sygnału I2S z interfejsu Raspberry Pi odpowiada układ U4 typu PCM5100A. Aplikacja U4 składa się w zasadzie z kondensatorów odsprzęgających i dławików FB1...3 filtrujących zasilanie. Wyjściowy sygnał analogowy filtrowany jest dolnoprzepustowo przez R4, R5, C24 i C25 i podawany na wyjście linowe o nieregulowanym poziomie OUT oraz doprowadzony jest do potencjometru RV1.

Złącza wyjść OUTL, OUTR i zasilania PWR są powielone na opcjonalne listwy kołkowe OL, OR i PW1. Decyzja o montażu odpowiedniego kompletu zależy od aplikacji. Uzupełnieniem modułu jest pamięć EEPROM U6 typu 23LC32 wraz z elementami towarzyszącymi C26, R8...10 i zworą WP blokującą zapis zgodnie z wymogami dla modułów HAT Raspberry Pi. W modelu pamięć nie jest wykorzystana i nie jest wlutowana.

Montaż

Sposób montażu jest klasyczny i nie wymaga szczegółowego opisu. Rozmieszczenie elementów pokazuje rysunek 2. Po zmontowaniu i sprawdzeniu poprawności, ze szczególnym zwróceniem uwagi na poprawne przylutowanie padów termicznych układów U1, U2, należy moduł zasilić z napięcia 9...15 V. Najlepiej użyć zasilacza laboratoryjnego i zwiększając powoli napięcie należy sprawdzić obecność napięć 5 V i 3,3 V, dodatkowo dioda LD powinna świecić. Zmiana położenia styku potencjometru RV1 powinna zmieniać stan sygnału SHDN. Układ końcówki mocy można sprawdzić z przy pomocy generatora sygnałowego podając na złącze OUT poprzez rezystor 10 kΩ, sygnał testowy 1 kHz/1 Vpp. Powinien być słyszalny w podłączonych głośnikach, a poziom powinien zmieniać się w zależności od położenia suwaka RV1. Jeżeli zasilanie i wzmacniacz działają, można podłączyć moduł do Raspberry Pi i do docelowego zasilacza w celu konfiguracji i ostatecznego sprawdzenia modułu.

Rysunek 2. Schemat płytki PCB wraz z rozmieszczeniem elementów

Uruchomienie

Moduł jest zgodny z Hifiberry_DAC i tak należy skonfigurować system. Najlepszym wyborem jest Raspbian gdyż posiada wbudowaną obsługę programową (zgodną z Hifi-Berry). Na wszelki wypadek należy zaktualizować system wpisując polecenia:

dtparam=audio=on

Teraz należy załączyć obsługę DAC, dodając wpisy w pliku /boot/config.txt

dtoverlay=hifiberry-dac

oraz skonfigurować opcjonalnie ALSA tworząc plik /etc/asound.conf z zawartością:

pcm.!default {
type hw card 0
}
ctl.!default {
type hw card 0
}

Następnie należy zrestartować RPI. Po uruchomieniu warto sprawdzić poprawność konfiguracji poleceniem:

**** List of PLAYBACK Hardware Devices ****
card 0: sndrpihifiberry [snd_rpi_hifiberry_dac],
device 0: HifiBerry DAC HiFi pcm5102a-hifi-0 []
Subdevices: 1/1
Subdevice #0: subdevice #0

Dla sprawdzenia działania można użyć pliku flac/wav/mp3 i odtwarzacza VLC Player, Amarok lub wygenerować sygnał testowy przy pomocy np. Audacity. Miłego odsłuchu...

Adam Tatuś, EP

Wykaz elementów:
Rezystory:
  • R1: 100 kΩ SMD0805
  • R2, R6, R7: 47 kΩ SMD0805
  • R3, R8, R9, R10: 4,7 kΩ
  • SMD0805 R4, R5: 470 Ω
  • SMD0805 RP1: drabinka 4×22 Ω SMD0805
  • RV1, RV1: potencjometr stereo z wyłącznikiem 2×50 kΩ log.
Kondensatory:
  • C1, C2, C14…C19, C22, C23, C26: 100 nF SMD0805
  • C3, C4: 22 μF SMD1206
  • C5, C6: 4,7 μF SMD0805
  • C7, C8: 1 μF SMD0805
  • C9, C10, C11, C12: 220 nF SMD0805
  • C13, C20, C21: 2,2 μF SMD0805
  • C24, C25: 2,2 nF SMD0805
  • CE1, CE2, CE5: 220 μF/25 V
  • CE3, CE4: 10 μF tantalowy SMA
  • CE6: 47 μF/10 V
Półprzewodniki:
  • D1: SK33 SMC_D
  • L1: 6,8 μH HPI1040
  • LD: LED zielona SMD0805
  • Q1: BC847
  • U1: ADP2302 SO8
  • U2: SSM3302 LFCSP40
  • U3: ADM7160 SOT-23-5
  • U4: PCM5100A SSOP20
  • U6: AT24LC32 SO8
Inne:
  • FB1, FB2, FB3: 600R SMD0805
  • GPIO: IDC40
  • OL, OR, PW1: SIP2
  • OUT: Złącze B3B 2 mm
  • OUTL, OUTR: Gniazdo jack 3,5 mono
  • PWR: Złącze zasilania WP: SIP2 + zworka
Artykuł ukazał się w
Elektronika Praktyczna
październik 2019
DO POBRANIA
Pobierz PDF Download icon
Elektronika Praktyczna Plus lipiec - grudzień 2012

Elektronika Praktyczna Plus

Monograficzne wydania specjalne

Elektronik listopad 2025

Elektronik

Magazyn elektroniki profesjonalnej

Raspberry Pi 2015

Raspberry Pi

Wykorzystaj wszystkie możliwości wyjątkowego minikomputera

Świat Radio listopad - grudzień 2025

Świat Radio

Magazyn krótkofalowców i amatorów CB

Automatyka, Podzespoły, Aplikacje listopad - grudzień 2025

Automatyka, Podzespoły, Aplikacje

Technika i rynek systemów automatyki

Elektronika Praktyczna listopad 2025

Elektronika Praktyczna

Międzynarodowy magazyn elektroników konstruktorów

Elektronika dla Wszystkich grudzień 2025

Elektronika dla Wszystkich

Interesująca elektronika dla pasjonatów