Wyłącznik czasowy ustawiany enkoderem

Wyłącznik czasowy ustawiany enkoderem
Pobierz PDF Download icon

Wiele urządzeń elektrycznych powinno zostać załączone tylko na określony czas. Niestety, przez zwykłe roztargnienie często zapominamy je wyłączyć. Z pomocą przychodzi elektronika, która odłączy zasilanie po ściśle ustalonym czasie, bez ryzyka wystąpienia pomyłki.

Podstawowe parametry:
  • zasilanie napięciem stałym 9…30 V
  • załączenie przekaźnika na ustalony czas 1…999 min

Przedstawiony układ załącza przekaźnik na ustalony czas, którego wartość można wygodnie ustawić obrotowym impulsatorem. Zakres regulacji wynosi od 1 min do 999 min z krokiem 1 min. Czas, jaki pozostał do wyłączenia, jest na bieżąco wskazywany na czytelnym, trzycyfrowym wyświetlaczu LED.

Budowa i działanie

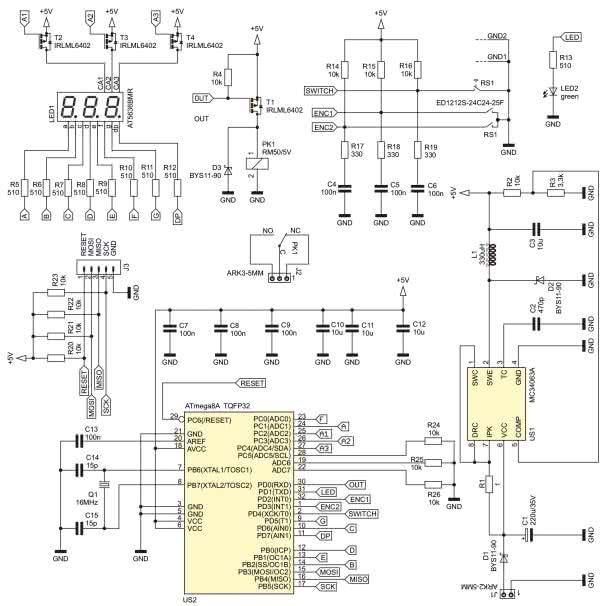
Schemat wyłącznika czasowego pokazuje rysunek 1. Głównym podzespołem zarządzającym pracą układu jest mikrokontroler ATmega8A. Liczba pinów wejścia/wyjścia, ilość dostępnej pamięci Flash oraz wbudowana nieulotna pamięć EEPROM oraz oscylator do rezonatora kwarcowego to cechy, które doskonale odpowiadają wymaganiom aplikacji.

Rysunek 1. Schemat ideowy układu wyłącznika czasowego

Dla zapewnienia precyzji odmierzania czasu częstotliwość sygnału zegarowego jest ustabilizowana rezonatorem kwarcowym Q1, do którego dołączone są kondensatory C14 i C15, ułatwiające jego wzbudzenie. Nieużywane wyprowadzenia zostały spolaryzowane rezystorami R24...R26 do masy. Zasilanie mikrokontrolera zostało dokładnie odsprzęgnięte przy użyciu sześciu kondensatorów ceramicznych C7...C12 a dodatkowo przy wyprowadzeniach doprowadzających zasilanie jest dołączony zestaw kondensatorów 100 nF i 10 μF.

Do zaprogramowania pamięci mikrokontrolera oraz fuse-bitów zostało przewidziane złącze J3, na które wyprowadzono linie sygnałowe przeznaczone dla ISP (In System Programming). Ponieważ nie są używane w czasie pracy układu, zostały podciągnięte do napięcia +5 V poprzez rezystory R20...R23.

Odczyt stanu styków enkodera RS1 odbywa się poprzez przerwania sprzętowe. Dla eliminacji zakłóceń do wyprowadzeń enkodera dodano proste obwody filtrujące, które składają się z szeregowego połączenia rezystora 330 Ω i kondensatora 100 nF. Wysoki stan logiczny na rozwartych stykach zapewniają rezystory podciągające R14...R16.

Wyświetlacz siedmiosegmentowy na diodach LED jest sterowany w trybie multipleksowym. Rezystory R5...R12 ograniczają prąd poszczególnych segmentów do ok. 6 mA. Ponieważ sumaryczny prąd jednej cyfry może wynosić nawet 42 mA, konieczne było dodanie tranzystorów, które będą załączać poszczególne cyfry do dodatniej linii zasilania. Użycie w tej roli tranzystorów MOSFET z kanałem typu P pozwoliło zaoszczędzić miejsce na płytce oraz uprościć układ połączeń, ponieważ nie potrzebują one dodatkowych rezystorów ograniczających prąd bramki. Przy napięciu bramka-źródło na poziomie –5 V rezystancja dren-źródło nie przekracza 65 mΩ.

Wyjściem układu są styki przekaźnika typu RM50 – zarówno normalnie zwarty (NC), jak i normalnie rozwarty (NO). Przekaźnik jest włączany po podaniu przez mikrokontroler niskiego stanu logicznego na bramkę tranzystora T1. Aby nie występowało chaotyczne przełączanie się przekaźnika tuż po włączeniu zasilania, rezystor R4 rozładowuje pojemność bramka-źródło tranzystora sterującego.

Nominalne napięcie zasilania całego układu wynosi 5 V, jednak nie zawsze może być ono dostępne. Dlatego na płytce znalazło się miejsce również na prostą przetwornicę obniżającą napięcie, wykonaną na popularnym układzie MC34063A. Rezystory R2 i R3 realizują ujemne sprzężenie zwrotne i ustalają stabilizowane napięcie o wartości ok. 5 V na wyjściu przetwornicy.

Montaż i uruchomienie

Układ został zmontowany na dwustronnej płytce drukowanej o wymiarach 60×84 mm, której schemat montażowy i wzór ścieżek pokazują rysunki 2 i 3.

Rysunek 2. Schemat montażowy i wzór ścieżek płytki, strona TOP
Rysunek 3. Schemat montażowy i wzór ścieżek płytki, strona BOTTOM

Wszystkie elementy przewlekane, poza enkoderem, wyświetlaczem i diodą LED, zostały umieszczone po spodniej stronie płytki, co szczegółowo pokazuje fotografia 4. Dzięki temu inne podzespoły nie utrudniają obsługi urządzenia ani przykręcenia płytki do płyty czołowej obudowy. Kolejność montażu jest dowolna, choć polecam zacząć od elementów montowanych powierzchniowo.

Fotografia 4. Widok spodniej strony płytki po zmontowaniu

Dysponując prawidłowo zmontowanym układem, należy podłączyć napięcie zasilające (9...24 V) do zacisków złącza J1 i odpowiednio skonfigurować fuse-bity w mikrokontrolerze, powinny mieć wartosci: Low Fuse=0x3F, High Fuse=0xD9.

Ostatnim etapem prac uruchomieniowych będzie zaprogramowanie pamięci Flash układu ATmega8A dostarczonym wsadem. Od tej chwili, układ gotowy jest do pracy.

Eksploatacja

Po włączeniu zasilania wyświetlacz będzie wskazywał „000”, co wskazuje na konieczność ustawienia żądanego czasu do odmierzenia. Wciskając oś enkodera na dłużej (min. 0,5 s) i zwalniając ją, układ wejdzie w tryb ustawiania czasu, co zasygnalizuje miganiem cyfry jedności.

Regulować można tę cyfrę, która aktualnie miga, a przejście do następnej jest możliwe po przyciśnięciu osi enkodera. Przepełnienie danej cyfry powoduje automatyczną inkrementację następnej, np. z „009” licznik przeskoczy na „010”. Po 5 s bezczynności lub po wciśnięciu osi enkodera przy ustawianiu cyfry setek układ zapamiętuje ustawienia w nieulotnej pamięci EEPROM i wraca do trybu normalnej pracy – wtedy żadna cyfra nie miga.

Krótkie przyciśnięcie osi enkodera powoduje załączenie przekaźnika i diody LED1, a na wyświetlaczu jest wskazywany pozostały czas (w minutach). Po odliczeniu całego czasu układ wraca do poprzedniego stanu, wyłączając przy tym przekaźnik i diodę LED. Możliwe jest wcześniejsze przerwanie odliczania – wystarczy wcisnąć na chwilę oś enkodera. Krótkie wciśnięcie osi przy ustawionym czasie „000” nie spowoduje żadnej reakcji układu.

Pobór prądu przez układ zależy od napięcia zasilania oraz stanu pracy przekaźnika. Przy najniższym dopuszczalnym napięciu zasilającym, które wynosi ok. 9 V, pobór prądu wynosi ok. 33 mA/90 mA (przekaźnik wyłączony/załączony). Przy 24 V jest to, odpowiednio, 13 mA i 33 mA. Maksymalne napięcie zasilające jest ograniczone przez kondensator C1 do ok. 30 V.

Michał Kurzela, EP

Wykaz elementów:
Rezystory:
  • R1: 1 Ω SMD0805
  • R2, R4, R14-R16, R20…R26: 10 kΩ SMD0805
  • R3: 3,3 kΩ SMD0805
  • R5…R13: 510 Ω SMD0805
  • R17…R19: 330 Ω SMD0805
Kondensatory:
  • C1: 220 µF/35 V THT
  • C2: 470 pF SMD0805
  • C3, C10…C12: 10 µF/16 V SMD0805
  • C4…C9, C13: 100 nF SMD0805
  • C14, C15: 15 pF SMD0805
Półprzewodniki:
  • D1…D3: BYS11-90
  • LED1: AT5636BMR
  • LED2: zielona 5 mm
  • T1…T4: IRLML6402
  • US1: MC34063A SO8
  • US2: ATmega8A TQFP32
Inne:
  • J1: ARK 2/5 mm
  • J2: ARK 3/5 mm
  • J3: goldpin 5 pin 2,54 mm męski
  • L1: 330 µH pionowy
  • PK1: RM50 5 VDC lub podobny
  • Q1: 16 MHz HC49 SMD
  • RS1: ED1212S-24C24-25F lub podobny
Artykuł ukazał się w
Elektronika Praktyczna
sierpień 2019
DO POBRANIA
Pobierz PDF Download icon
Materiały dodatkowe
Elektronika Praktyczna Plus lipiec - grudzień 2012

Elektronika Praktyczna Plus

Monograficzne wydania specjalne

Elektronik listopad 2025

Elektronik

Magazyn elektroniki profesjonalnej

Raspberry Pi 2015

Raspberry Pi

Wykorzystaj wszystkie możliwości wyjątkowego minikomputera

Świat Radio listopad - grudzień 2025

Świat Radio

Magazyn krótkofalowców i amatorów CB

Automatyka, Podzespoły, Aplikacje listopad - grudzień 2025

Automatyka, Podzespoły, Aplikacje

Technika i rynek systemów automatyki

Elektronika Praktyczna listopad 2025

Elektronika Praktyczna

Międzynarodowy magazyn elektroników konstruktorów

Elektronika dla Wszystkich grudzień 2025

Elektronika dla Wszystkich

Interesująca elektronika dla pasjonatów