Moduł z LPC824

Moduł z LPC824
Pobierz PDF Download icon

Mikrokontroler LPC824 jest bogato wyposażony, dostępny w niewielkich obudowach, programowany przez UART oraz ma dedykowane, w pełni darmowe IDE, bez żadnych ograniczeń w rozmiarze kodu wynikowego. Układy te naprawdę zasługują na uwagę, a prezentowany moduł pozwala na szybkie rozpoczęcie pracy z mikrokontrolerem.

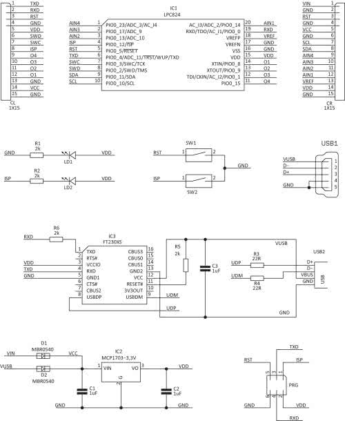
Moduł ma 2 rzędy wyprowadzeń w formie szpilek goldpin. Ich opis oraz funkcje pokazano na rysunku 1. Schemat ideowy modułu z LPC824 pokazano na rysunku 2. Oprócz mikrokontrolera moduł ma konwerter USB typu FT230 z wyjściem UART. Pełni on dwie ważne funkcje: po pierwsze, umożliwia przesyłanie danych pomiędzy modułem a komputerem. Po przyłączeniu do komputera jest rozpoznawany jako port szeregowy COM. Za pomocą dowolnego programu typu terminal można odbierać dane z modułu i przesyłać do niego polecenia. Po drugie, konwerter umożliwia programowanie mikrokontrolera. Układ LPC824 ma fabrycznie zainstalowany bootloader. Jest on umieszczony poza pamięcią programu, więc nie ma możliwości, że zostanie skasowany. Po włączeniu zasilania jest sprawdzany poziom logiczny na porcie 12 (ISP) i jeśli jest niski, to jest uruchamiany bootloader. Jeśli stan na porcie 12 jest wysoki, to jest uruchamiana zawartość pamięci programu. Po tym początkowym etapie port 12 może być wykorzystany do innych funkcji (na płytce modułu steruje on diodą LED).

Rysunek 1. Rozmieszczenie wyprowadzeń modułu
Rysunek 2. Schemat ideowy modułu z LPC824

Aby wprowadzić moduł w tryb programowania (uruchomić bootloader), należy przytrzymać przycisk SW2 (oznaczony ISP) i dołączyć zasilanie lub zrestartować moduł, przyciskając przycisk SW1 (oznaczony RST). Do umieszczenia pliku programu w pamięci mikrokontrolera potrzebny jest prosty program FlashMagic, dostępny pod adresem www.flashmagictool.com. Wszystkie parametry, które należy ustawić, przedstawia rysunek 3. Jedynie w polu COM Port należy ustawić numer portu COM, jaki otrzymał moduł po dołączeniu do komputera, a w polu Hex File należy wskazać lokalizację pliku programu na komputerze.

Rysunek 3. Konfigurowanie programu Flash Magic

MCUXpresso to darmowe środowisko dla mikrokontrolerów LPC. Można je pobrać ze strony www.nxp.com, po wcześniejszym utworzeniu konta i zalogowaniu. Oprogramowanie bazuje na Eclipse, więc interfejs na pewno nie będzie nikomu obcy. Po stworzeniu nowego projektu dla układu LPC824 należy przeprowadzić prostą konfigurację przygotowującą środowisko do pracy z prezentowanym modułem. Należy ustawić aktywną konfigurację na Release oraz odnaleźć zakładkę Post-build steps i tak wkleić taką formułkę:

arm-none-eabi-size ${BuildArtifactFileName}
arm-none-eabi-objdump -S ${BuildArtifactFileName} >${BuildArtifactFileBaseName}.lss
arm-none-eabi-objcopy -O ihex ${BuildArtifactFileName} ${BuildArtifactFileBaseName}.hex

W jaki sposób dostać się do tych ustawień, pokazano na rysunku 4. Wszystkie zmiany należy zatwierdzić a następnie skompilować projekt, klikając Build. Jeśli wszystko zostało przeprowadzone prawidłowo, to w folderze projektu powstanie folder Release a w nim plik hex skompilowanego projektu. 

Rysunek 4. Konfigurowanie środowiska programistycznego

Montaż i uruchomienie

Moduł zbudowany jest dosłownie z kilku elementów, jednak są to głównie elementy SMD dosyć trudne do samodzielnego zamontowania. Schemat montażowy płytki pokazano, rysunku 5. Po zmontowaniu moduł jest od razu gotowy do pracy. Wymaga tylko podłączenia zasilania poprzez jedno z gniazd USB. Obecność zasilania sygnalizuje dioda LD1 (VDD led). Zastosowanie dwóch gniazd to niespotykane rozwiązanie, ale skutecznie niweluje problem właściwego przewodu USB.

Rysunek 5. Schemat montażowy modułu z LPC824

W materiałach dodatkowych znajduje się prosty projekt, który pozwala przetestować moduł, ale też jest dobrą bazą do rozbudowy, ponieważ przeprowadza inicjalizację mikrokontrolera, m.in. ustawia taktowanie na pełną prędkość 30 MHz oraz uruchamia interfejs UART. Widocznym efektem działania programu jest miganie diody led na płytce modułu.

KS
ep@prolab.waw.pl

Artykuł ukazał się w
Elektronika Praktyczna
kwiecień 2019
DO POBRANIA
Pobierz PDF Download icon
Materiały dodatkowe
Elektronika Praktyczna Plus lipiec - grudzień 2012

Elektronika Praktyczna Plus

Monograficzne wydania specjalne

Elektronik listopad 2025

Elektronik

Magazyn elektroniki profesjonalnej

Raspberry Pi 2015

Raspberry Pi

Wykorzystaj wszystkie możliwości wyjątkowego minikomputera

Świat Radio listopad - grudzień 2025

Świat Radio

Magazyn krótkofalowców i amatorów CB

Automatyka, Podzespoły, Aplikacje listopad - grudzień 2025

Automatyka, Podzespoły, Aplikacje

Technika i rynek systemów automatyki

Elektronika Praktyczna listopad 2025

Elektronika Praktyczna

Międzynarodowy magazyn elektroników konstruktorów

Elektronika dla Wszystkich grudzień 2025

Elektronika dla Wszystkich

Interesująca elektronika dla pasjonatów