Przetwornica do układów lampowych (12 V/250 V DC)

Przetwornica do układów lampowych (12 V/250 V DC)
Pobierz PDF Download icon

W artykule opisano układ niewielkiej przetwornicy podwyższającej, umożliwiającej otrzymanie napięcia 250 V/15 mA z zasilacza 12 V. Układ jest przydatny do zasilania prostych układów lampowych, na przykład przedwzmacniaczy lub układów wyświetlaczy retro ze wskaźnikami Nixie.

Uwaga! Na płytce występuje napięcie niebezpieczne dla życia i zdrowia, wszelkie prace należy prowadzić z należytą ostrożnością i zapewnieniem odpowiednich środków bezpieczeństwa.

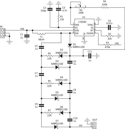
Schemat ideowy przetwornicy pokazano na rysunku 1. Jako sterownik przetwornicy wybrano układ LT8560. Umożliwia on sterowanie przetwornicą podwyższającą, Sepic lub odwracającą. W jego obudowie zintegrowano wszystkie elementy przetwornicy pracującej z częstotliwością kluczowania z zakresu 200 kHz…1,5 MHz, w tym klucz tranzystorowy 65 V/1 A.

Rysunek 1. Schemat ideowy przetwornicy 12/250 V DC

W modelu układ LT8580 pracuje w typowej aplikacji podwyższającej napięcie wejściowe. Napięcie zasilające z zakresu 9…16 V jest doprowadzone do gniazda IN, a stąd do układu U1 kluczującego dławik L1. Napięcie wyjściowe po wyprostowaniu przez D1 doprowadzone jest poprzez R4+RV do wejścia FBX układu regulacji („dolny” rezystor dzielnika jest zintegrowany w U1).

Potencjometr RV umożliwia dokładne ustawienie napięcia wyjściowego. Rezystor R2 określa częstotliwość kluczowania na ok. 1 MHz. Kondensator C4 jest elementem układu łagodnego startu przetwornicy. Kondensatory C2 i C3 oraz rezystor R1 zapewniają stabilność układu regulacji. Pojemności C1 i C11 filtrują napięcia zasilania i wyjściowe. W aplikacji przetwornica pracuje z napięciem wyjściowym około 65 V. Aby uzyskać napięcie 250 V, zastosowano powielacz napięcia złożony z diod D1…D7 i kondensatorów C6…C10. Napięcie wyjściowe powielacza jest wyprowadzone na złącze OUT.

Układ zmontowano na niewielkiej jednostronnej płytce drukowanej. Rozmieszczenie elementów pokazano na rysunku 2. Montaż przetwornicy nie wymaga opisywania. Uruchomienie modułu sprowadza się do regulacji napięcia wyjściowego. W tym celu do wyjścia należy dołączyć rezystor 20 kΩ/5 W, do wejścia zasilanie 9…16 V i potencjometrem RV ustawić napięcie wyjściowe na 250 V DC.

Rysunek 2. Schemat montażowy przetwornicy 12/250 V DC

Adam Tatuś, EP

Artykuł ukazał się w
Elektronika Praktyczna
kwiecień 2019
DO POBRANIA
Pobierz PDF Download icon
Materiały dodatkowe
Elektronika Praktyczna Plus lipiec - grudzień 2012

Elektronika Praktyczna Plus

Monograficzne wydania specjalne

Elektronik listopad 2025

Elektronik

Magazyn elektroniki profesjonalnej

Raspberry Pi 2015

Raspberry Pi

Wykorzystaj wszystkie możliwości wyjątkowego minikomputera

Świat Radio listopad - grudzień 2025

Świat Radio

Magazyn krótkofalowców i amatorów CB

Automatyka, Podzespoły, Aplikacje listopad - grudzień 2025

Automatyka, Podzespoły, Aplikacje

Technika i rynek systemów automatyki

Elektronika Praktyczna listopad 2025

Elektronika Praktyczna

Międzynarodowy magazyn elektroników konstruktorów

Elektronika dla Wszystkich grudzień 2025

Elektronika dla Wszystkich

Interesująca elektronika dla pasjonatów