Wzmacniacz mocy audio 4×48 W/4 Ohm

Wzmacniacz mocy audio 4×48 W/4 Ohm
Pobierz PDF Download icon

Układ niewielkiej czterokanałowej końcówki średniej mocy, znajdujący zastosowanie w nagłośnieniu samochodu, aktywnych zespołach głośnikowych lub w PC-audio.

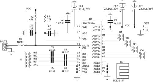
Moduł oparty jest na układzie TDA7581x zawierającym cztery kanały mostkowego wzmacniacza mocy, ze wspólnymi obwodami załączenia i wyciszania. Zmontowana płytka jest gotowym blokiem funkcjonalnym systemu audio. Schemat ideowy układu zamieszczono na rysunku 1. Układy wzmacniaczy U1 TDA7581x pracują w konfiguracji mostkowej, co umożliwia osiągnięcie sporej mocy wyjściowej bez konieczności używania przetwornic podwyższających zasilanie. Moc podawana przez producenta przy zasilaniu 14,4 V to 4×48 W/4 Ω. Układ ma także wydajność prądową umożliwiającą wysterowanie obciążenia 2 Ω. Przy takim obciążeniu moc podawana przez producenta to 4×72 W. Rzeczywista moc zależy od jakości zasilania i skuteczności odprowadzenia ciepła z układu, co nie jest zadaniem łatwym.

Rysunek 1. Schemat ideowy modułu wzmacniacza

Układ ma wzmocnienie ustalone na 26 dB oraz zintegrowane odwracacze sygnału dla wszystkich czterech kanałów. Eliminuje to z aplikacji kilkanaście elementów, upraszczając zastosowanie układu. Sygnał wejściowy wymaga jedynie odseparowania składowej stałej poprzez kondensatory C3…C6. Rezystory polaryzujące wejścia wbudowane są w układ. Ich oporność wynosi 100 kΩ, co ustala dolną przenoszoną częstotliwość na około 16 Hz.

Układ U1 ma obwody wyciszania i standby. W aplikacji wzmacniacz włączony jest stale, z niewielkim opóźnieniem ustalonym przez R1/C7 oraz wyciszeniem ustalonym przez R2/C8 eliminującym niepożądane stuki przy włączaniu i wyłączaniu. Obwód wyciszania wyprowadzony jest na zewnątrz płytki, umożliwia jednoczesne wyciszenie wzmacniaczy poprzez zwarcie styków złącza MUTE. Pozostałe elementy filtrują zasilanie. Wzmacniacz jest zasilany napięciem 14,4 V. Obwody wyjściowe mają zabezpieczenia przed zwarciem oraz zabezpieczenie termiczne.

Wzmacniacz zmontowano na dwustronnej płytce drukowanej, rozmieszczenie elementów przedstawia rysunek 2. Montaż jest typowy i nie wymaga opisu. Ze względu na wydzielaną moc U1 wymaga montażu na radiatorze o odpowiedniej powierzchni dostosowanej do wydzielanej mocy. Model zawiera radiator SK125-84; jest to najmniejszy możliwy radiator, który wystarcza do osiągnięcia ok. 4×10 W/4 Ω. W wypadku pracy w trudnych warunkach termicznych lub potrzeby osiągnięcia pełnej mocy układu należy zastosować znacznie większy radiator lub wymusić wentylatorem przepływ powietrza przez radiator. Wkładka radiatorowa połączona jest z masą układu, o czym należy pamiętać.

Rysunek 2. Schemat montażowy modułu wzmacniacza

Płytka drukowana jest zgodna z układami TDA7851A/F w obudowach Flexiwatt25 i Flexiwat27. Po sprawdzeniu dokumentacji można zamiennie stosować prawie cały szereg czterokanałowych wzmacniaczy TDA7xxx, np. TDA7850, oraz starszych TDA73xx, które nie mają sterowania przez I2C.

Miłego odsłuchu.

Adam Tatuś, EP

Artykuł ukazał się w
Elektronika Praktyczna
kwiecień 2019
DO POBRANIA
Pobierz PDF Download icon
Materiały dodatkowe
Elektronika Praktyczna Plus lipiec - grudzień 2012

Elektronika Praktyczna Plus

Monograficzne wydania specjalne

Elektronik listopad 2025

Elektronik

Magazyn elektroniki profesjonalnej

Raspberry Pi 2015

Raspberry Pi

Wykorzystaj wszystkie możliwości wyjątkowego minikomputera

Świat Radio listopad - grudzień 2025

Świat Radio

Magazyn krótkofalowców i amatorów CB

Automatyka, Podzespoły, Aplikacje listopad - grudzień 2025

Automatyka, Podzespoły, Aplikacje

Technika i rynek systemów automatyki

Elektronika Praktyczna listopad 2025

Elektronika Praktyczna

Międzynarodowy magazyn elektroników konstruktorów

Elektronika dla Wszystkich grudzień 2025

Elektronika dla Wszystkich

Interesująca elektronika dla pasjonatów