Moduł czujnika temperatury, wilgotności, ciśnienia z interfejsem I2C

Moduł czujnika temperatury, wilgotności, ciśnienia z interfejsem I2C
Pobierz PDF Download icon

Miniaturowy moduł zawierający przetworniki podstawowych czynników środowiskowych: temperatury, wilgotności, ciśnienia. Zastosowano w nim scalone przetworniki Sensirion SHT21 (temperatura/wilgotność) i Bosch BMP180 (temperatura/ciśnienie).

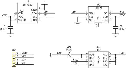
Komunikacja z modułem odbywa się przez interfejs I²C. Przetworniki wymagają zasilania napięciem z zakresu 2,2...3,6 V. Płytkę wyposażona w złącze EH4 zgodne z Arduino i modułami I²C opisywanymi w Elektronice Praktycznej. Schemat ideowy modułu pokazano na rysunku 1. Moduł poza przetwornikami zawiera jedynie kondensatory C1 i C2 filtrujące zasilanie, rezystory podciągające linie interfejsowe RP1 oraz diodę PWR sygnalizująca załączenie zasilania.

Rysunek 1. Schemat ideowy modułu czujników

Układ zmontowano na niewielkiej płytce drukowanej. Wycięcie pomiędzy czujnikami zapewnia odpowiednią cyrkulację powietrza. Podczas wykorzystania przetwornika BMP180 należy zwrócić uwagę, aby nie było on wystawiony na bezpośrednie oświetlenie, gdyż może to zwiększyć błąd pomiarowy (wpływ efektu fotoelektrycznego).

Schemat montażowy modułu czujników zamieszczono na rysunku 2. Pewnej uwagi wymaga montaż przetworników - należy je odpowiednio zabezpieczyć przed przegrzaniem, a podczas lutowania oraz mycia należy zakleić kawałkiem taśmy kaptonowej okienka pomiarowe.

Rysunek 2. Schemat montażowy modułu czujników

Użytkowanie modułu jest bardzo łatwe, ponieważ są dostępne gotowe, sprawdzone biblioteki programowe, na przykład: Adafruit-BMP085-Library-master i SHT2x-Arduino-Library-master. W materiałach dodatkwoych załaczono szkic testowy dla Arduino. Uwaga! Moduł jest zasilany napięciem 3,3 V.

Adam Tatuś, EP

Artykuł ukazał się w
Elektronika Praktyczna
marzec 2019
DO POBRANIA
Pobierz PDF Download icon
Elektronika Praktyczna Plus lipiec - grudzień 2012

Elektronika Praktyczna Plus

Monograficzne wydania specjalne

Elektronik listopad 2025

Elektronik

Magazyn elektroniki profesjonalnej

Raspberry Pi 2015

Raspberry Pi

Wykorzystaj wszystkie możliwości wyjątkowego minikomputera

Świat Radio listopad - grudzień 2025

Świat Radio

Magazyn krótkofalowców i amatorów CB

Automatyka, Podzespoły, Aplikacje listopad - grudzień 2025

Automatyka, Podzespoły, Aplikacje

Technika i rynek systemów automatyki

Elektronika Praktyczna listopad 2025

Elektronika Praktyczna

Międzynarodowy magazyn elektroników konstruktorów

Elektronika dla Wszystkich grudzień 2025

Elektronika dla Wszystkich

Interesująca elektronika dla pasjonatów