Sterownik silników prądu stałego dla Arduino MKR

Sterownik silników prądu stałego dla Arduino MKR
Pobierz PDF Download icon

Opisywana płytka powstała pod kątem zastosowań w robotyce amatorskiej i jest przeznaczona dla nowych opracowań z serii Arduino MKR, w których procesory z rdzeniem ARM M0+ z powodzeniem zastępują leciwe ATmegi.

Płytka umożliwia sterowanie dwóch silników prądu stałego, średniej mocy (prąd szczytowy 3,6 A) oraz zasilanie płytki MKR w szerokim zakresie napięcia wejściowego 6...32 VDC. Dodatkowo wyposażono ją w złącza JST4 (2 mm) przeznaczone do przyłączenia zewnętrznych czujników (A0...A5, D0, D1), doprowadzania magistrali I²C i komunikacji szeregowej UART.

Układ sterownika silników jest oparty o specjalizowany układ scalony drivera DRV8871 firmy Texas Instruments. Zawiera on wszystkie elementy niezbędne dla sterowania szczotkowym silnikiem prądu stałego: dwa półmostki MOSFET z małą rezystancją Rdson i bezstratnym układem pomiaru prądu silnika, niewymagającym elementów zewnętrznych, logikę zabezpieczającą i pompę ładunku do sterowania tranzystorów mocy, wbudowany układ zabezpieczeń przeciążeniowych i termicznych oraz wejściową logikę sterującą.

Wbudowany czujnik prądu silnika nie wymaga zewnętrznego rezystora pomiarowego, ale w dalszym ciągu możliwa jest zmiana maksymalnego prądu uzwojeń poprzez dobór rezystora dołączonego do wyprowadzenia Ilim wg wzoru Ilim=64/RIlim [kV/kΩ]. W prototypie prąd ustalono na około 2 A, co odpowiada rezystancji RIlim=33 kΩ. Minimalna wartość rezystora jest ustalona na 15 kΩ. Sterowanie kierunkiem obrotów odbywa się w konwencji L/R za pomocą wejść IN1/IN2, zgodnie z tabelą zamieszczoną na rysunku 1.

Rysunek 1. Sterowanie wejść DRV8871

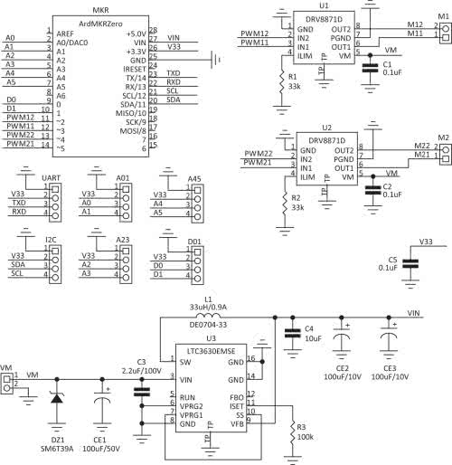
Schemat ideowy płytki sterownika pokazano na rysunku 2. Napięcie zasilania silników VM doprowadzone przez złącze VM zasila układy U1 i U2. Kondensator CE1 filtruje zasilanie. Należy pamiętać, że to minimalna wartość pojemności i w zewnętrznym zasilaczu powinien być "bank" kondensatorów o pojemności zdolnej do zapewnienia stabilnego zasilania sterownika. Rezystory R1 i R2 powinny być dobrane do konkretnego modelu silnika, zgodnie ze wzorem na Rilim.

Rysunek 2. Schemat ideowy płytki sterownika silników dla Arduino MKR

Do zasilania płytki wykorzystano napięcie zasilające silniki (na przykład, z pakietu 2S...6S Li-Po). Na płytce wbudowano impulsową przetwornicę napięcia o szerokim zakresie napięcia wejściowego (6...32 V) typu LTC3630 (U3). Dla podanych na schemacie wartości elementów układ dostarcza napięcie 5 V/200 mA, co wystarcza z zapasem dla płytki i kilku typowych czujników.

Do złącz GPIO jest doprowadzone 6 portów analogowych A0...A5, dwie linie cyfrowe D0, D1 oraz porty szeregowy (Serial1) i I²C. Ze względu na ograniczoną ilość miejsca złącza GPIO mają raster 2 mm - są to typowe, 4-pinowe złącza JST. Uwaga! Sygnały płytki są zgodne ze standardem 3,3 V. Dołączenie napięcia 5 V spowoduje uszkodzenie GPIO.

Sterownik zmontowano na niewielkiej dwustronnej płytce drukowanej, której schemat montażowy pokazano na rysunku 3. Dla zachowania niewielkich wymiarów płytki złącza są montowane od spodu. Montaż jest typowy i nie wymaga opisywania. Należy jedynie poprawnie przylutować pady termiczne układów U1 oraz U2. W przypadku forsownej pracy modułu warto zaopatrzyć układy driverów w niewielkie radiatory SO8 przyklejone klejem termoprzewodzącym.

Rysunek 3. Schemat montażowy płytki sterownika silników dla Arduino MKR

A teraz można zabrać się za tworzenie aplikacji sterującej. Powodzenia!

Adam Tatuś, EP

Artykuł ukazał się w
Elektronika Praktyczna
marzec 2019
DO POBRANIA
Pobierz PDF Download icon
Elektronika Praktyczna Plus lipiec - grudzień 2012

Elektronika Praktyczna Plus

Monograficzne wydania specjalne

Elektronik listopad 2025

Elektronik

Magazyn elektroniki profesjonalnej

Raspberry Pi 2015

Raspberry Pi

Wykorzystaj wszystkie możliwości wyjątkowego minikomputera

Świat Radio listopad - grudzień 2025

Świat Radio

Magazyn krótkofalowców i amatorów CB

Automatyka, Podzespoły, Aplikacje listopad - grudzień 2025

Automatyka, Podzespoły, Aplikacje

Technika i rynek systemów automatyki

Elektronika Praktyczna listopad 2025

Elektronika Praktyczna

Międzynarodowy magazyn elektroników konstruktorów

Elektronika dla Wszystkich grudzień 2025

Elektronika dla Wszystkich

Interesująca elektronika dla pasjonatów