Wzmacniacz mocy audio klasy D o mocy 100 W

Wzmacniacz mocy audio klasy D o mocy 100 W
Pobierz PDF Download icon
Texas Instruments systematycznie rozwija rodzinę układów wzmacniaczy mocy audio opartych o technologię cyfrową. W artykule przedstawiono układ monofonicznej końcówki o mocy znamionowej 100 W przy obciążeniu z zakresu 4...8 V opartej o najnowszy TPA3255.

Moduł wykonano z użyciem układu scalonego TPA3255 zawierającego cztery konfigurowalne kanały wzmacniacza mocy ze wspólnymi obwodami załączenia, wyciszania i zabezpieczeń.

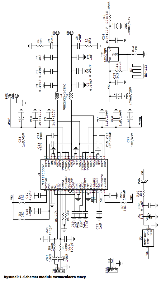
Schemat wzmacniacza pokazano na rysunku 1. Układ TPA3255 (U1) pracuje zgodnie z notą aplikacyjną TI. Skonfigurowano go jako końcówkę monofoniczną pracującą w równoległym układzie mostkowym (M1=0, M2=1). Oprócz zwiększenia mocy wyjściowej taka konfiguracja umożliwia zasilanie końcówki z napięcia niesymetrycznego upraszczając budowę zasilacza oraz niweluje jednocześnie efekt „pompowania” zasilania występujący w układzie SE. Symetryczny sygnał wejściowy doprowadzono do kanałów A/B. Sygnał wyjściowy jest filtrowany dolnoprzepustowo (cewki L1, L2 oraz pojemności C1…C8) przed doprowadzeniem do zacisków SA/SB. Ze względu na duży prąd oraz impulsowy charakter pracy, krytyczny jest dobór elementów filtrujących. W modelu zastosowano cewki na rdzeniach proszkowych Coilcraft VER2923103KL, nawijane taśmą miedzianą oraz metalizowane kondensatory polipropylenowe MKP Epcos, co minimalizuje straty i pozwala na zachowanie bardzo dobrej jakości sygnału, odróżniając układ od tzw. rozwiązań budżetowych.

Jak w każdym układzie impulsowym, a szczególnie w układzie, w którym są przełączane spore moce, jest wymagana uwaga przy projektowaniu toru zasilania i odpowiednie jego filtrowanie, które w modelu zapewniono za pomocą kondensatorów C9…C12 zamontowanych bezpośrednio przy wyprowadzeniach U1. Dodatkowo, kondensatory CE1 i CE2 o łącznej pojemności 2000 mF stanowią lokalny bufor energii.

Wzmacniacz wymaga zewnętrznego źródła zasilania doprowadzonego do złącza PWR, o odpowiedniej do obciążenia wydajności prądowej. Dla wersji 100 W/4 V zasilanie powinno zawierać się w przedziale 36…45 V/3,5 A, natomiast dla 100 W/8 V – 45…55 V/2,5 A. W wersji 4-omowej warto zwiększyć sumaryczną pojemność kondensatorów filtrujących CE1 i CE2 do 2200 mF/50 V. Możliwa jest też praca z obciążeniem z zakresu 2…3 V, lecz wtedy trzeba zwrócić uwagę na dopuszczalny prąd pracy dławików L1 i L2 oraz dobre odprowadzenie mocy traconej.

Sprawność układu osiąga 90%, ale warto mieć pewien „zapasu” mocy zasilacza. Do zasilania wzmacniacza można użyć zasilacza impulsowego z ograniczeniem prądu o mocy minimum 150 W lub typowy układ prostownika mostkowego na szybkich diodach z baterią kondensatorów filtrujących o minimalnej pojemności sumarycznej 22000 mF, zasilany z transformatora toroidalnego o mocy większej niż 200 VA.

Układ U1 ma wkładkę radiatorową w górnej części obudowy. Krytyczne dla działania układu jest zapewnienie dobrego odprowadzania ciepła. W prototypie zapewnia to 3-milimetrowa podkładka miedziana pośrednicząca w odprowadzeniu ciepła do radiatora aluminiowego, do którego jest przymocowana płytka. Oczywiście, miejsca styku należy posmarować pasta przewodzącą ciepło lub lepiej zastosować podkładki elastyczne z taśmy termoprzewodzacej, kompensującej dodatkowo naprężenia mechaniczne. Przy wymuszonym chłodzeniu można osiągnąć chwilową moc znacznie przekraczającą znamionowe 100 W (o ile zasilacz ma odpowiedni zapas). Dzięki temu wzmacniacz jest dobrym źródłem np. dla głośnika subwoofera lub głośnika niskotonowego w kolumnie wielodrożnej. Jeżeli nie zostanie zapewnione odprowadzenie ciepła, układ wyłączy się samoczynnie po przekroczeniu temperatury 150°C.

Do zapewnienia wewnętrznego napięcia zasilającego 12 V zastosowano stabilizator U2 typu LM317HV w typowym układzie aplikacyjnym. Rezystor R13 ogranicza straty w U2. Każdy z obwodów U1 wymagających zasilania 12 V jest filtrowany za pomocą indywidualnego członu RC. Kondensator CE5 zapewnia odpowiednią chwilową wydajność prądową zasilacza 12 V. Z napięcia 12 V jest zasilany również stabilizator 3,3 V oparty o diodę Zenera DZ, zapewniający zasilanie U3, generatora sygnału reset typu MCP100T. Dioda PWL sygnalizuje obecność zasilania wzmacniacza. Pozostałe kondensatory filtrują wewnętrzne obwody zasilania U1. Kondensatory C13…C16 są elementami obwodów polaryzacji tranzystorów mocy półmostków.

Kondensator C21 określa czas rampy startowej U1. Rezystor R6 określa częstotliwość pracy wewnętrznego oscylatora FREQADJ i dobierany jest na minimalną interferencję z lokalnymi stacjami AM. Rezystor R5 OCADJ określa sposób działania i prąd ograniczenia prądowego wyjść U1. W modelu prąd ograniczenia wynosi 17 A, zabezpieczenie działa cyklicznie nie dopuszczając do przekroczenia ustawionego prądu, np.: podczas przesterowania lub spadku impedancji głośnika. Zmieniając wartość R9 na 47 kV, zachowany zostaje prąd ograniczenia, ale po jego przekroczeniu układ wyłączy się automatycznie, powrót do pracy nastąpi po sygnale reset, czyli po cyklu zasilania OFF/ON.

W zastosowanym układzie mostkowym, wejścia liniowe sygnału wymagają do sterowania sygnałem symetrycznym. Jeżeli nie dysponujemy odpowiednim źródłem, w celu symetryzacji można wykorzystać opisany w EP3/2014 układ nadajnika linii AVT5438 oparty o drivery DRV134. Nie jest dopuszczane sterowanie sygnałem niesymetrycznym i łączenie któregokolwiek wejścia INA..B z masą układu. Sygnał wejściowy doprowadzony jest do gniazd INA/B powinien mieć amplitudę max 4Vpp. Przed wzmocnieniem w U1 kondensatory CE3 i CE4 separują składową stałą, a człony RC złożone z rezystorów R8, R9 i kondensatorów C23, C24 filtrują zakłócenia w.cz.

Na złącze ERR wyprowadzono sygnały statusu U1:

  • CLI – przesterowania i przekroczenia temperatury,
  • FLT – SHDN wyłączenia awaryjnego układu.

Wyjścia są typu OD i akceptują napięcie 3,3 V.

Wzmacniacz zmontowano na dwustronnej płytce drukowanej – rozmieszczenie elementów pokazano na rysunku 2. Montaż jest typowy i nie wymaga opisywania. Pierwsze uruchomienie warto przeprowadzić zasilając wzmacniacz z zasilacza laboratoryjnego z ograniczeniem prądu. Układ pracuje poprawnie od 18 V i od tej wartości należy sprawdzić poprawność działania, po doprowadzeniu do wejścia sygnału symetrycznego o regulowanym poziomie 1 kHz i obciążeniu wyjścia rezystorem 4…8 V/150 W.

Miłego odsłuchu!

Adam Tatuś, EP

Artykuł ukazał się w
Elektronika Praktyczna
grudzień 2017
DO POBRANIA
Pobierz PDF Download icon
Elektronika Praktyczna Plus lipiec - grudzień 2012

Elektronika Praktyczna Plus

Monograficzne wydania specjalne

Elektronik listopad 2025

Elektronik

Magazyn elektroniki profesjonalnej

Raspberry Pi 2015

Raspberry Pi

Wykorzystaj wszystkie możliwości wyjątkowego minikomputera

Świat Radio listopad - grudzień 2025

Świat Radio

Magazyn krótkofalowców i amatorów CB

Automatyka, Podzespoły, Aplikacje listopad - grudzień 2025

Automatyka, Podzespoły, Aplikacje

Technika i rynek systemów automatyki

Elektronika Praktyczna listopad 2025

Elektronika Praktyczna

Międzynarodowy magazyn elektroników konstruktorów

Elektronika dla Wszystkich grudzień 2025

Elektronika dla Wszystkich

Interesująca elektronika dla pasjonatów