Animowana choinka LED 3D

Animowana choinka LED 3D
Pobierz PDF Download icon

Aby uatrakcyjnić wystrój pokoju dziecka lub biurka w pracy proponujemy czytelnikom EP wykonanie animowanej, trójwymiarowej choinki złożonej z LED. Można jej również użyć w charakterze dekoracji witryny sklepowej, interesującego gadżetu, który będzie przyciągał uwagę.

Choinka składa się z 22 różnokolorowych diod LED imitujących lampki choinkowe. Ich świeceniem steruje mikrokontroler. Jest zasilana napięciem, którego źródłem może być złącze USB lub 3 baterie AA (LR6). Efekt przestrzenności, co doskonale ukazuje zdjęcie tytułowe, uzyskujemy dzięki pierścieniom z laminatu, które należy zmontować i połączyć w taki sposób, aby tworzyły stożek. Łączenia wykonane ze srebrzonego drutu doskonale będą zastępować łańcuchy choinkowe.

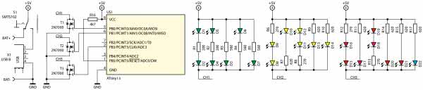
Rysunek 1. Schemat ideowy animowanej choinki 3D

Schemat ideowy choinki pokazano na rysunku 1. Jej pracą steruje mikrokontroler ATtiny13 taktowany wewnętrznym sygnałem zegarowym. Zastosowanie mikrokontrolera upraszcza budowę obwodu generującego animacje. Diody LED są sterowane z wyjść mikrokontrolera za pomocą tranzystorów MOSFET T1…T3. Podzielono je na grupy, z których każda ma włączony rezystor ograniczający prąd danej gałęzi do około 5 mA. Tak mały prąd pozwoli załączyć diody z jasnością proporcjonalną do wielkości drzewka. Choinkę należy zasilać napięciem stabilizowanym +5 V. Ze względu na niewielki średni pobór prądu źródłem zasilania może być też pakiet trzech ogniw AA (LR6) umieszczanych w koszyku baterii bez wyłącznika. Przełącznik S1 pozwala wybrać źródło zasilania, co w przypadku zastosowania tylko jednego pozwoli uzyskać funkcję wyłącznika naszego drzewka.

Rysunek 2. Schemat montażowy animowanej choinki 3D

Schemat montażowy choinki pokazano na rysunku 2. Montaż układu zaczynamy od rozłączenia poszczególnych pierścieni obwodu drukowanego. Pozostałości łączników należy zeszlifować papierem ściernym lub pilnikiem. Wszystkie elementy są w obudowach do montażu przewlekanego, z którym bez problemu poradzą sobie osoby mniej doświadczone w lutowaniu. Odpowiednio przygotowane płytki należy montować rozpoczynając od wlutowania rezystorów. Aby uzyskać odpowiedni efekt migania diod LED należy je wlutować zgodnie z rysunkiem 3, na którym widoczne jest umiejscowienie poszczególnych kolorów diod LED oraz najważniejszych komponentów choinki.

Rysunek 3. Sposób montażu LED

Dla ułatwienia poszczególne pierścienie warto ułożyć jeden w drugim tak by punkty lutownicze np. P+1...P+5 były względem siebie w jednej linii. Niebieską diodę LED D22 znajdującą się na czubku choinki należy wlutować około 5 mm nad płytką. W kolejnym etapie montażu przechodząc stopniowo do coraz większych elementów należy zakończyć go gniazdem USB. Podczas montażu należy zwracać szczególną uwagę na biegunowość komponentów. Wcięcie w obudowie podstawki i układu scalonego (niekiedy zamiast wcięcia jest kropka/zagłębienie oznaczające nóżkę 1) muszą pokryć się z rysunkiem na płytce drukowanej.

Po zmontowaniu „drzewka” należy starannie skontrolować poprawność montażu. Płytki łączymy ze sobą srebrzanką. Należy połączyć ze sobą punkty lutownicze PG1...PG5, PR1...PR5, PY1...PY5 oraz P+1...P+5. Optymalna średnica drutu to 0,8 mm2, choć nic nie stoi na przeszkodzie, aby użyć drutu o większej średnicy, nawet 1,2 mm2. Odległość między płytkami powinna wynieść od 2,5 cm do maksymalnie 3 cm.

Choinka zmontowana bezbłędnie, z użyciem zaprogramowanego mikrokontrolera i ze sprawnych elementów będzie działała od razu po dołączeniu napięcia zasilającego i przełączeniu przełącznika S1. Aby mieć pewność, że punkty lutownicze pierwszego pierścienia nie zostaną przypadkowo zwarte warto przykleić 3 lub 4 gumowe nóżki. Wykonując montaż zgodnie ze wskazówkami nasze drzewko świąteczne będzie miało wysokość około 12 cm. Jeżeli choinka miałaby być mobilna należy do tego celu zastosować koszyk baterii (oraz 3 baterie w odpowiednim rozmiarze) przylutowując czerwony przewód do pola BAT+, a czarny do BAT- uprzednio skracając je do wymaganej długości tak by zmieścił się on w podstawie choinki.

Mavin
mavin@op.pl

Wykaz elementów:
Rezystory:
  • R1, R2: 200 Ω
  • R3...R5: 560 Ω
  • R6, R8, R12, R13: 270 Ω
  • R7, R9…R11, R15, R17: 620 Ω
  • R16: 4,7 kΩ
Kondensatory:
Półprzewodniki:
  • US1: ATtiny13 (zaprogramowany) + podstawka DIL8
  • LED1...LED7: LED 3 mm zielona
  • LED8...LED14: LED 3 mm żółta
  • LED15...LED21: LED 3 mm czerwona
  • LED22: LED 3 mm niebieska
  • T1...T3: 2N7000
Inne:
  • S1: SMTS102 (przełącznik pojedynczy kątowy)
  • X1: gniazdo USB B lub BAT+, BAT-
  • koszyk baterii 3×AA
  • drut srebrzony 0,8...1,2 mm2
Artykuł ukazał się w
Elektronika Praktyczna
grudzień 2017
DO POBRANIA
Pobierz PDF Download icon
Elektronika Praktyczna Plus lipiec - grudzień 2012

Elektronika Praktyczna Plus

Monograficzne wydania specjalne

Elektronik listopad 2025

Elektronik

Magazyn elektroniki profesjonalnej

Raspberry Pi 2015

Raspberry Pi

Wykorzystaj wszystkie możliwości wyjątkowego minikomputera

Świat Radio listopad - grudzień 2025

Świat Radio

Magazyn krótkofalowców i amatorów CB

Automatyka, Podzespoły, Aplikacje listopad - grudzień 2025

Automatyka, Podzespoły, Aplikacje

Technika i rynek systemów automatyki

Elektronika Praktyczna listopad 2025

Elektronika Praktyczna

Międzynarodowy magazyn elektroników konstruktorów

Elektronika dla Wszystkich grudzień 2025

Elektronika dla Wszystkich

Interesująca elektronika dla pasjonatów