Przetwornik prądu przemiennego AC/DC TRMS

Przetwornik prądu przemiennego AC/DC TRMS
Pobierz PDF Download icon

Niewielki moduł przetwornika prądu przemiennego współpracujący z przekładnikiem prądowym. Układ przydatny np.: w domowej automatyce do pomiaru wartości True RMS, prądu pobieranego przez urządzenia. Zastosowanie przekładnika prądowego o konstrukcji otwieranej, ułatwia bezpieczną instalację w typowych rozdzielnicach itp.

Podstawowe parametry:
  • R1, R2: 100 kV/1% (SMD 0805)
  • R3: 100 V/1% (SMD 0805)
  • R4: 10 kV/1% (SMD 0805)
  • R5: 9,1 kV/1% (SMD 0805)
  • RV1: 2,2 kV (VR-64W, potencjometr wieloobrotowy, stojący)
  • C1, C3, C5: 0,1 mF (SMD 0805)
  • C2: 10 nF (SMD 0805)
  • C4: 1 mF (kondensator foliowy R=5 mm)
  • CE1: 10 mF/10 V (SMD „B”)
  • U1: LTC1966 (MSOP8)
  • U2: AD8605ART (SOT-23-5)
  • CS: FC68133 (złącze mini jack stereo 3,5 mm)
  • CS1: złącze 2 mm 2 pin (opcja)
  • OUT : złącze 2 mm 4 pin

Każda z metod pomiaru prądu ma swoje wady i zalety. Najtańszy jest pomiar spadku napięcia na rezystorze pomiarowym, lecz wymaga to ingerencji w obwód pobierający prąd. Podobnie sytuacja wygląda w nowoczesnych czujnikach typu ACSxx, które dodatkowo są czułe na obce pola magnetyczne. Najłatwiej przy zachowaniu rozsądnych kosztów mierzyć prąd przemienny przekładnikiem prądowym. Stosując przekładnik z otwieranym obwodem magnetycznym, montaż sprowadza się do założenia go na przewód. Dodatkową zaletą jest separacja galwaniczna obwodu pomiarowego. Do pomiaru prądu wykorzystany jest typowy przekładnik SCT-013-xxx, który w zależności od typu umożliwia pomiar prądu w zakresie 5…60 A, skalując go do wartości 0…1 V na wbudowanym rezystorze pomiarowym. Wygląd przekładnika SCT-013-005 (0…5 A) pokazano na fotografii 1.

Fotografia 1. Przekładnik prądowy SCT-013-005 (0-5A) zastosowany w prototypie

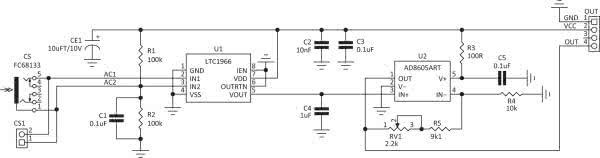
Sygnał wyjściowy z przekładnika, doprowadzony jest do płytki konwertera AC/TRMS, którego schemat przedstawia rysunku 2. Układ oparty jest o LTC1966 konwertera AC/TRMS. Sygnał z przekładnika prądowego doprowadzony jest do standardowego złącza CS typu mini jack 3,5 mm (opcjonalnie do złącza CS1). Dzielnik R1/R2 zapewnia polaryzację wejść U1, niezbędną dla prawidłowej pracy przy zasilaniu niesymetrycznym. Kondensator C4 pełni rolę filtru uśredniającego, wymaganą jest więc od niego stałość parametrów i niski upływ, ze względu na wartość pojemności konieczne jest zastosowanie kondensatora foliowego. Pozostałe kondensatory filtrują zasilanie.

Rysunek 2. Schemat ideowy modułu przetwornika

Po konwersji, wyjściowe napięcie stałe z U1 podawane jest na wzmacniacz-bufor U2 oparty o wzmacniacz AD8605. Układ U2 separuje wyjście LTC1966 o względnie dużej impedancji (ok. 85 kV) od wejść A/C zapewniając minimalny błąd przetwarzania. Dodatkowo, sygnał jest wzmocniony ×2, a dokładną wartość podczas skalowania układu można ustawić potencjometrem RV1. Sygnał wyjściowy oraz zasilanie 3,3…5 V/20 mA są doprowadzone do złącza OUT. Zakres 0…2 V może zostać rozszerzony poprzez zmianę R5 po uwzględnieniu zakresu napięcia współpracującego A/C.

Moduł zmontowano dwustronnej płytce drukowanej, której schemat montażowy pokazano na rysunku 3. Montaż jest łatwy i nie wymaga opisu. Po poprawnym montażu przetwornik wymaga kalibracji. W tym celu należy go zasilić z zasilacza 3,3…5 V/20 mA, a do wyjścia dołączyć woltomierz prądu stałego. W obwód prądu przemiennego włączyć amperomierz. Następnie założyć przekładnik prądowy podłączony do przetwornika. Po włączeniu zasilania do obwodu mierzonego, należy za pomocą RV1 ustawić jednakowe wskazania przyrządów, pamiętając o dodatkowym wzmocnieniu 2 V/V wprowadzonym przez układ U2. Warto skalowanie przeprowadzić przy maksymalnej wartości prądu przekładnika (np. 5 A).

Rysunek 3. Schemat montażowy modułu przetwornika

Dla sprawdzenia przetwornika wykonano kilku pomiarów, których wyniki umieszczono w:

  • tabela 1 – prąd sinusoidalny, obciążenie żarówką,
  • tabela 2. – prąd sinusoidalny po prostowaniu jednopołówkowym),
  • tabela 3 – prąd odkształcony zasilający fazowy sterownik tyrystorowy dla różnych obciążeń.

Dla modelu z przekładnikiem 5 A, współczynnik przetwarzania wynosi 2,5 A/V, a dokładność przetwarzania w zakresie 50 Hz…1 kHz jest lepsza od 2%.

Adam Tatuś, EP

Artykuł ukazał się w
Elektronika Praktyczna
grudzień 2018
DO POBRANIA
Pobierz PDF Download icon
Elektronika Praktyczna Plus lipiec - grudzień 2012

Elektronika Praktyczna Plus

Monograficzne wydania specjalne

Elektronik listopad 2025

Elektronik

Magazyn elektroniki profesjonalnej

Raspberry Pi 2015

Raspberry Pi

Wykorzystaj wszystkie możliwości wyjątkowego minikomputera

Świat Radio listopad - grudzień 2025

Świat Radio

Magazyn krótkofalowców i amatorów CB

Automatyka, Podzespoły, Aplikacje listopad - grudzień 2025

Automatyka, Podzespoły, Aplikacje

Technika i rynek systemów automatyki

Elektronika Praktyczna listopad 2025

Elektronika Praktyczna

Międzynarodowy magazyn elektroników konstruktorów

Elektronika dla Wszystkich grudzień 2025

Elektronika dla Wszystkich

Interesująca elektronika dla pasjonatów