Przekaźnik zasilany szerokim zakresem napięcia

Przekaźnik zasilany szerokim zakresem napięcia
Pobierz PDF Download icon

W EP10/2017 został opublikowany projekt przekaźnika zasilanego szerokim zakresem napięcia z liniowym układem regulacji. Ten projekt jest modyfikacją, polegającą na użyciu regulatora impulsowego. Może pracować w zakresie napięcia 8,5…40 V.

Cewka przekaźnika wymaga zasilania napięciem z określonego przedziału. Jeżeli będzie za małe, może w ogóle nie dojść do przełączenia styków. Jeżeli będzie zbyt duże, drut nawojowy cewki może zostać przepalony. Podany zakres nie jest szeroki, np. dla przekaźnika JQC-3FG z cewką na napięcie znamionowe 5 V DC, wynosi 3,75…6,5 V DC.

Jeżeli między źródło zasilania cewki przekaźnika a sam przekaźnik zostanie włączony układ stabilizujący parametry jej pracy, wówczas przytoczony problem może zostać pominięty. Układ impulsowy ma przewagę nad liniowym w postaci mniejszej mocy traconej oraz większej sprawności. Do wad można niewątpliwie zaliczyć większe opóźnienie w przełączeniu oraz emisję zakłóceń elektromagnetycznych. Wyboru odpowiedniego rozwiązania należy dokonać na potrzeby konkretnej aplikacji.

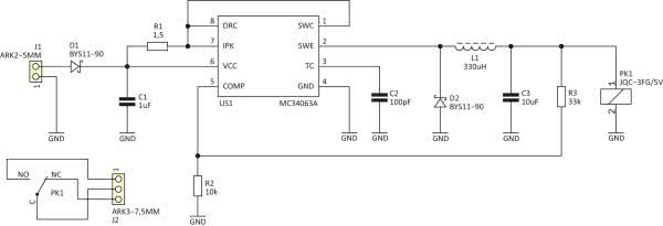
Schemat proponowanego rozwiązania pokazano na rysunku 4. Oparto je o podstawową aplikację popularnego, taniego układu MC34063A pracującego w konfiguracji step-down, z częstotliwością kluczowania kilkudziesięciu kiloherców, którą to ustala kondensator C2. Maksymalny prąd cewki jest ustalony na ok. 200 mA, co determinuje wartość rezystora R1. Z uwagi na dużą częstotliwość pracy, kondensator wyjściowy o pojemności 10 μF jest wystarczający do tego, aby zmniejszyć tętnienia zasilania do ok. 50 mV.

Rysunek 4. Schemat ideowy impulsowego regulatora napięcia dla cewki przekaźnika

Napięcie pracy cewki jest ustalone przez dzielnik R2+R3 i wynosi ok. 5,4 V. Celowo została przyjęta wartość nieco wyższa od nominalnej (lecz nadal mieszczącej się w granicach tolerancji), aby ewentualne rozrzuty (rezystancji rezystorów i wbudowanego w kontroler źródła referencyjnego) nie spowodowały jego obniżenia poniżej 5 V. Dioda D1 zabezpiecza układ przed zniszczeniem w razie odwrotnego podłączenia zacisków złącza J1 do źródła zasilania. Z uwagi na impulsowy charakter poboru prądu przez układ, konieczny jest kondensator C1, który redukuje impedancję wewnętrzną źródła zasilania widzianego przez kontroler.

Rysunek 1. Schemat montażowy przekaźnika o szerokim zakresie napięcia zasilania

Układ przekaźnika został zmontowany na jednostronnej płytce drukowanej o wymiarach 52 mm×23 mm, której schemat montażowy pokazano na rysunku 1. Przystępując do montażu należy w pierwszej kolejności przylutować wszystkie elementy montowane powierzchniowo. Potem można wlutować złącza J1 i J2, cewkę L1, a na końcu przekaźnik PK1. Zachowanie tej kolejności zagwarantuje wygodę montażu. Zmontowaną płytkę w widoku od spodu pokazano na fotografii 2.

Fotografia 2. Widok zmontowanej płytki przekaźnika od spodu

Zmontowany układ jest od razu gotowy do pracy i nie wymaga żadnych czynności uruchomieniowych. Ponieważ natężenie pobieranego prądu zależy od napięcia zasilania, na układzie prototypowym zostały przeprowadzone pomiary, których wyniki są przedstawiono na rysunku 3. Jako dolną granicę poprawnej pracy przyjęto 8,5 V, ponieważ wtedy napięcie na cewce przekaźnika wyniosło 5 V. Przy 40 V, była to już wartość 5,34 V.

Rysunek 3. Zależność między napięciem zasilania a prądem pobieranym przez przekaźnik

Michał Kurzela, EP

Wykaz elementów:
Rezystory:
  • R1 1,5 Ω SMD1206
  • R2 10 kΩ SMD1206
  • R3 33 kΩ SMD1206
Kondensatory:
  • C1 1 μF/50 V SMD1206
  • C2 100 pF SMD1206
  • C3 10 μF/10 V SMD1206
Półprzewodniki:
  • D1, D2 BYS11-90
  • US1 MC34063A SO8
Inne:
  • J1 ARK2 5 mm
  • J2 ARK3 7,5 mm
  • L1 330 μH pionowy
  • PK1 JQC-3FG 5 VDC
Artykuł ukazał się w
Elektronika Praktyczna
październik 2018
DO POBRANIA
Pobierz PDF Download icon
Elektronika Praktyczna Plus lipiec - grudzień 2012

Elektronika Praktyczna Plus

Monograficzne wydania specjalne

Elektronik listopad 2025

Elektronik

Magazyn elektroniki profesjonalnej

Raspberry Pi 2015

Raspberry Pi

Wykorzystaj wszystkie możliwości wyjątkowego minikomputera

Świat Radio listopad - grudzień 2025

Świat Radio

Magazyn krótkofalowców i amatorów CB

Automatyka, Podzespoły, Aplikacje listopad - grudzień 2025

Automatyka, Podzespoły, Aplikacje

Technika i rynek systemów automatyki

Elektronika Praktyczna listopad 2025

Elektronika Praktyczna

Międzynarodowy magazyn elektroników konstruktorów

Elektronika dla Wszystkich grudzień 2025

Elektronika dla Wszystkich

Interesująca elektronika dla pasjonatów