Regulowany zasilacz do płytek stykowych

Regulowany zasilacz do płytek stykowych
Pobierz PDF Download icon

Każde urządzenie elektryczne wymaga zastosowania odpowiedniego zasilania. Dlatego istnieje niesłabnące zapotrzebowanie na przydatne przyrządy laboratoryjne do pracowni mniej i bardziej zaawansowanych elektroników. Coraz częściej buduje się układy prototypowe na płytkach stykowych (SD-12NW) i właśnie dla takiego zastosowania został zaprojektowany opisywany zasilacz.

Praktyka pokazuje, że ogromna większość budowanych dziś układów elektronicznych wymaga przy uruchomieniu zasilacza o niewielkiej obciążalności prądowej i napięciu regulowanym od 1,5 V do około 20 V. Najlepiej, aby napięcie wyjściowe takiego zasilacza było płynnie regulowane. W zasadzie wydajność prądowa nie musi być większa niż 250 mA, bo większość układów budowanych na płytkach stykowych ma charakter eksperymentalny lub edukacyjny. Dużym udogodnieniem w opisywanym zasilaczu jest zastosowanie modułu woltomierza cyfrowego z wyświetlaczem LED.

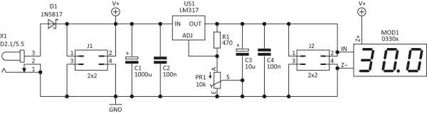
Rysunek 1. Schemat ideowy zasilacza płytek stykowych

Schemat ideowy proponowanego zasilacza pokazano na rysunku 1. Funkcję stabilizatora napięcia pełni układ US1 (LM317). Pracuje w podstawowym układzie aplikacyjnym. Istotną zaletą zastosowanego stabilizatora jest odporność na zwarcia wyjścia do masy oraz zabezpieczenie termiczne przed przegrzaniem. Zabezpieczenia te gwarantują długą i bezawaryjną pracę w pracowni każdego elektronika. Napięcie wyjściowe zasilacza jest regulowane potencjometrem PR1 w szerokim zakresie. Układ zasilacza może być stosowany przy napięciu do 24 V i prądzie do 500 mA. Aby uzyskać parametry maksymalne dla stabilizatora, czyli prąd obciążenia 1,5 A konieczne jest zastosowanie zasilacza o mocy kilkunastu watów i solidnego radiatora.

Zastosowany woltomierz jest uniwersalnym modułem do pomiaru napięcia w zakresie 0…99,9 V i może być zasilany napięciem z zakresu 3…30 V, w tym wypadku napięciem wejściowym zasilacza.

Rysunek 2. Schemat montażowy zasilacza płytek stykowych

Schemat montażowy zasilacza pokazano na rysunku 2. Wymiary płytki zasilacza to 35 mm×62 mm. Montaż obwodu drukowanego jest typowy i nie wymaga dodatkowego komentarza. Płytka jest dwustronna głównie ze względu na montaż goldpinów złącza J1 i J2 po stronie lutowania. Gdyby były lutowane tylko od spodu płytki, to po kilkukrotnym użyciu mogłoby się okazać, że wyrwą one punkty lutownicze, co uszkodzi płytkę. Dzięki lutowaniu przez dwie warstwy oraz metalizację pomiędzy nimi płytka zasilacza będzie dużo odporniejsza mechanicznie. Radiator stabilizatora też jest lutowany do płytki, co pozwoli na uniknięcie wyginania nóżek układu i jego ewentualne uszkodzenie.

Zasilacz zaprojektowano do współpracy z płytkami stykowymi SD-12NW, ale w handlu są dostępne różne wersje płytek prototypowych z różnym rozstawem szyn zasilających. Woltomierz MOD1, w zależności od wersji, będzie miał dołączone przewody lub będzie ich pozbawiony. W tym wypadku należy dolutować trzy odcinki np. srebrzanki lub kynaru. Aby zabezpieczyć woltomierz na płytce modułu, należy przykręcić go śrubami M2 do dwóch tulejek z gwintem wewnętrznym z jednej strony i zewnętrznym z drugiej, jak w prototypie na fotografiach. Wkręcone tulejki dystansowe gwintem zewnętrznym w płytkę można dodatkowo przylutować –są one wykonane z mosiądzu, który łatwo się lutuje. Dla łatwiejszego określenia polaryzacji złącza J1, J2 i X1 na warstwie opisowe znajdują się symbole + i – oraz symbol wewnętrznej budowy złącza DC.

Mavin
mavin@op.pl

Wykaz elementów:
Rezystory:
  • R1: 470 Ω
  • PR1: 10 kΩ + wałek regulacyjny
Kondensatory:
  • C1: 1000 μF
  • C2, C4: 100 nF
  • C3: 10 μF
Półprzewodniki:
  • D1: 1N5817
  • US1: LM317
Pozostałe:
  • X1: gniazdo DC 2.1/5.5
  • J1, J2: goldpin 2×2
  • MOD1: moduł woltomierza 0330x (kolor dowolny)
  • H1: radiator DY-CN 20 mm
  • Elementy montażowe
Artykuł ukazał się w
Elektronika Praktyczna
sierpień 2018
DO POBRANIA
Pobierz PDF Download icon
Elektronika Praktyczna Plus lipiec - grudzień 2012

Elektronika Praktyczna Plus

Monograficzne wydania specjalne

Elektronik listopad 2025

Elektronik

Magazyn elektroniki profesjonalnej

Raspberry Pi 2015

Raspberry Pi

Wykorzystaj wszystkie możliwości wyjątkowego minikomputera

Świat Radio listopad - grudzień 2025

Świat Radio

Magazyn krótkofalowców i amatorów CB

Automatyka, Podzespoły, Aplikacje listopad - grudzień 2025

Automatyka, Podzespoły, Aplikacje

Technika i rynek systemów automatyki

Elektronika Praktyczna listopad 2025

Elektronika Praktyczna

Międzynarodowy magazyn elektroników konstruktorów

Elektronika dla Wszystkich grudzień 2025

Elektronika dla Wszystkich

Interesująca elektronika dla pasjonatów