Płytka wejść analogowych dla Raspberry Pi Zero

Płytka wejść analogowych dla Raspberry Pi Zero
Pobierz PDF Download icon
Raspberry Pi Zero w przeciwieństwie do większości zestawów uruchomieniowych nie ma wejść analogowych. Przedstawiony moduł umożliwia wyposażenie niewielkim kosztem komputerka Pi Zero w 8 wejść analogowych o rozdzielczości 10 bitów.

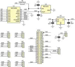
Rysunek 1. Schemat ideowy modułu wejść analogowych dla Raspberry Pi Zero

Rysunek 2. Schemat montażowy modułu wejść analogowych dla Raspberry Pi Zero

Jako przetwornik A/C zastosowano układ firmy Microchip typu MCP3008. Jego atutami są umiarkowana cena, dobre parametry oraz - co najważniejsze - dostępność gotowych rozwiązań programowych umożliwiająca szybkie wykorzystanie modułu w praktyce. Po zmianie oprogramowania możliwe jest też zastąpienie MCP3008 układem MCP3208 o rozdzielczości 12 bitów.

Układ MCP3008 zawiera 8-wejściowy multiplekser analogowy, 10-bitowy przetwornik A/C SAR oraz interfejs SPI. Do poprawnej pracy MCP3008 wymaga tylko napięcia odniesienia, które jest generowane przez układ U3 typu MCP3020 (Vref=2048 mV). Przetwornik jest zasilany za pomocą stabilizatora U2 LDO zapewniającego napięcie zasilające 3,3 V.

Schemat modułu wejść analogowych pokazano na rysunku 1. Wszystkie sygnały wejściowe oraz zasilanie 3,3 V są doprowadzone do złączy AIx typu SIP3 zgodnych z Arduino, ułatwiających sprawne podłączenie czujników. Przetwornik współpracuje z Raspberry, wykorzystując interfejs SPI. Konfiguracja adresu interfejsu (SPI0 lub SPI1) jest możliwa za pomocą zwory ADR. Maksymalna wartość napięcia wejściowego przetwornika równa się 2,048 V, co daje ziarno przetwarzania 2 mV. Należy o tym pamiętać, aby nie uszkodzić układu U1. Jeżeli wygodniejszy, zakres to 0…3,3 V, można pominąć przy lutowaniu U3, zwierając wyprowadzenia U3 1 z 2, co ustawi Vref=3,3 V, poszerzając zakres.

Układ zmontowano na niewielkiej dwustronnej płytce drukowanej. Jej schemat montażowy pokazano na rysunku 2. Na płytce przewidziano niewielki obszar prototypowy. Sam montaż jest typowy i nie wymaga opisywania. Pomocna może być fotografia tytułowa.

Adam Tatuś, EP

Artykuł ukazał się w
Elektronika Praktyczna
marzec 2018
DO POBRANIA
Pobierz PDF Download icon
Elektronika Praktyczna Plus lipiec - grudzień 2012

Elektronika Praktyczna Plus

Monograficzne wydania specjalne

Elektronik listopad 2025

Elektronik

Magazyn elektroniki profesjonalnej

Raspberry Pi 2015

Raspberry Pi

Wykorzystaj wszystkie możliwości wyjątkowego minikomputera

Świat Radio listopad - grudzień 2025

Świat Radio

Magazyn krótkofalowców i amatorów CB

Automatyka, Podzespoły, Aplikacje listopad - grudzień 2025

Automatyka, Podzespoły, Aplikacje

Technika i rynek systemów automatyki

Elektronika Praktyczna listopad 2025

Elektronika Praktyczna

Międzynarodowy magazyn elektroników konstruktorów

Elektronika dla Wszystkich grudzień 2025

Elektronika dla Wszystkich

Interesująca elektronika dla pasjonatów